GM Service Manual Online
For 1990-2009 cars only
Makes
🢒
Chevrolet
🢒
2002
🢒
Express
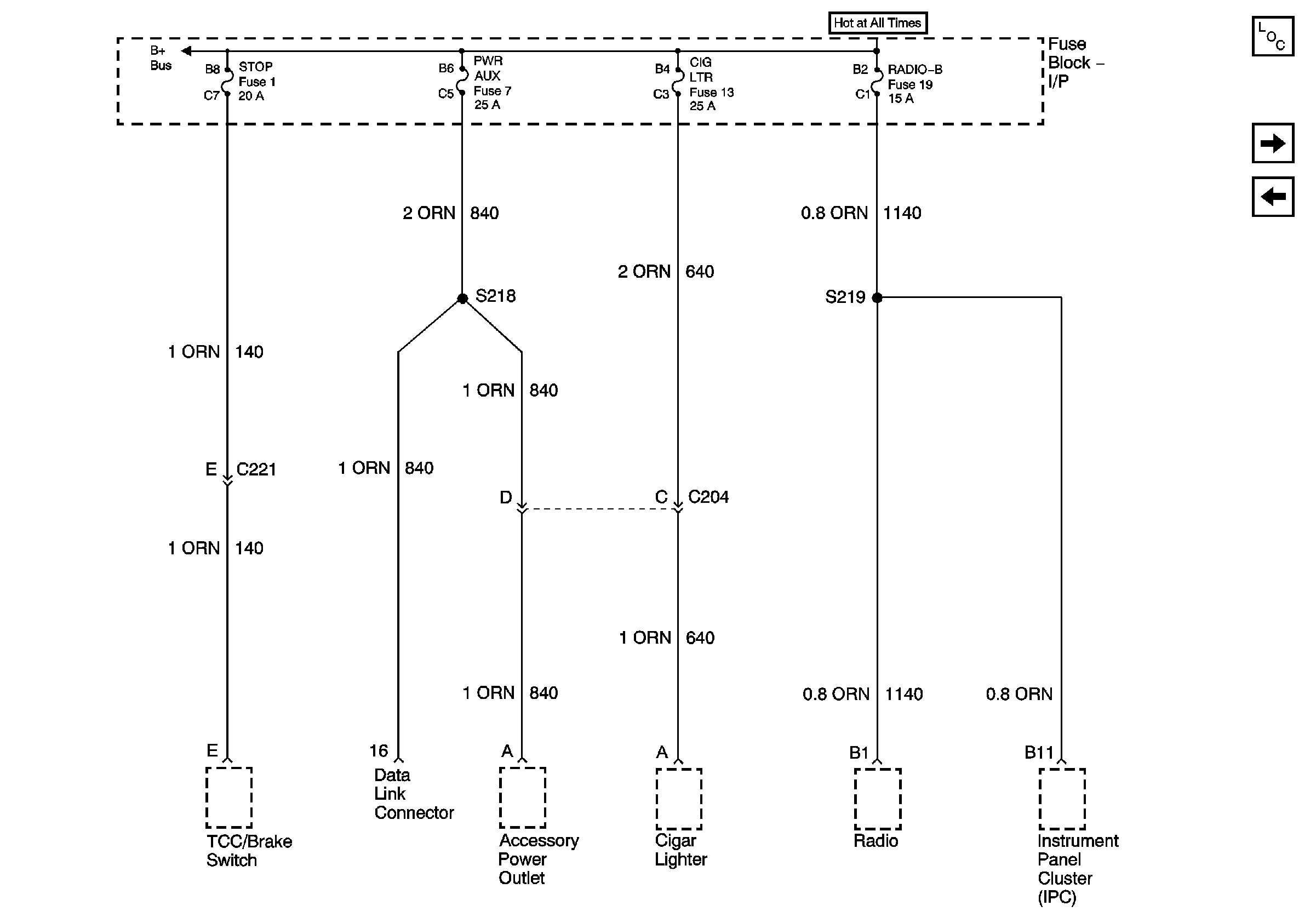
🢒 Stop, Power Auxiliary, Cigar Lighter, and Radio B Fuses
Stop, Power Auxiliary, Cigar Lighter, and Radio B Fuses
Stop, Power Auxiliary, Cigar Lighter, and Radio B Fuses
Master Electrical Component List
Park Lamps, Security, and DRL Fuses
Power Accessory Fuse