GM Service Manual Online
For 1990-2009 cars only
Makes
🢒
Chevrolet
🢒
2002
🢒
Express
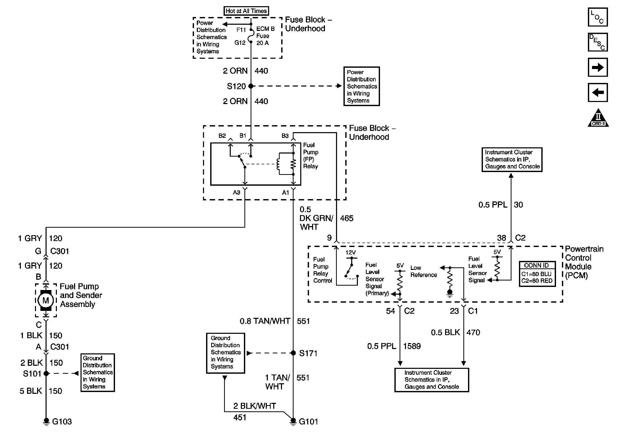
🢒 Fuel Controls: Fuel Pump Controls
Fuel Controls: Fuel Pump Controls
Fuel Controls: Fuel Pump Controls
Master Electrical Component List
Powertrain Control Module Description
Fuel Controls: Fuel Injectors
Ignition Controls
OBD II Symbol Description Notice
Lighting and Battery Fuses
ECM B, Horn, and A/C Fuses
G103 - 4.3L, 5.0L, and 5.7L Engines
G101 - Gasoline Engines
Gages
Gages