GM Service Manual Online
For 1990-2009 cars only
Makes
🢒
Chevrolet
🢒
2002
🢒
Express
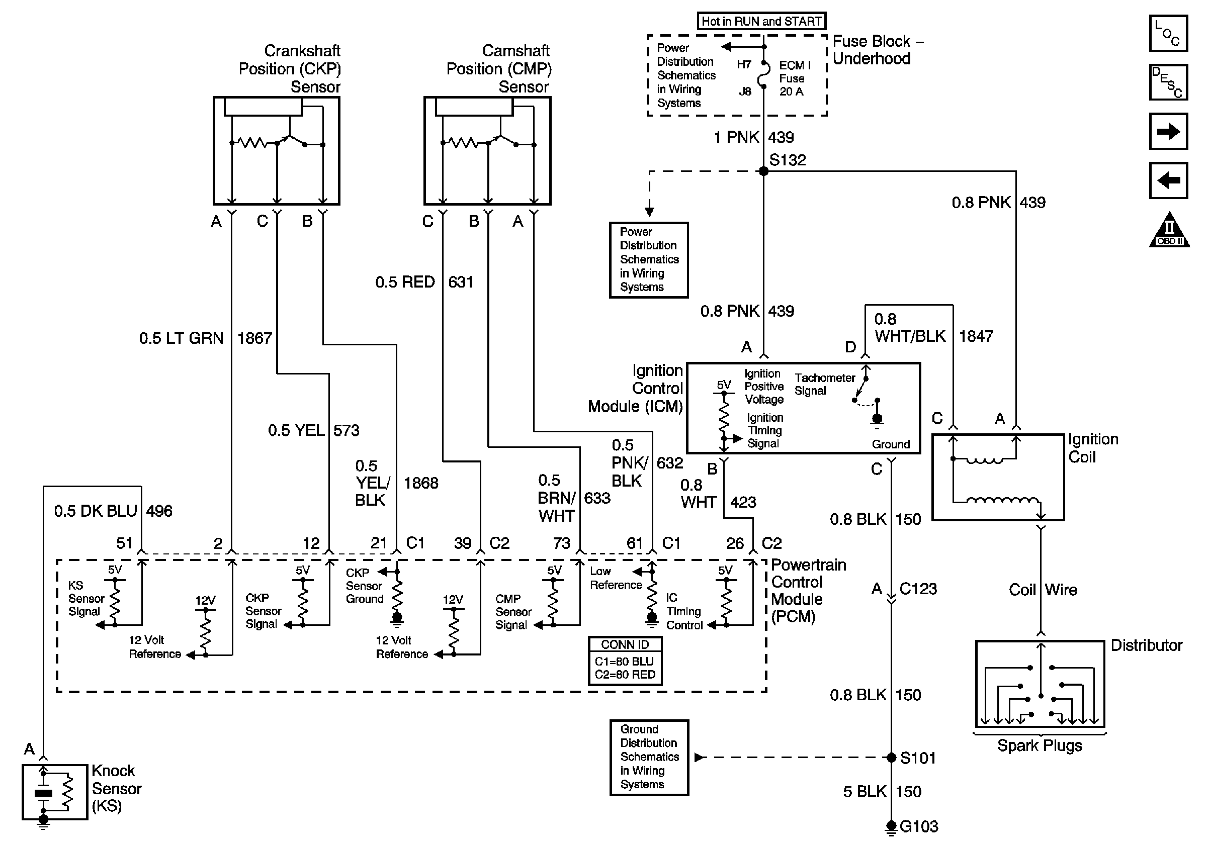
🢒 Ignition Controls
Ignition Controls
Ignition Controls
Master Electrical Component List
Powertrain Control Module Description
Fuel Controls: Fuel Pump Controls
Engine Data Sensors: Heated Oxygen Sensors (5.0L, 5.7L with 4L80-E)
OBD II Symbol Description Notice
Ignition A, Ignition B Fuses, and Ignition Switch
ECM 1 and Ignition E Fuses - 5.0L and 5.7L
G103 - 4.3L, 5.0L, and 5.7L Engines