GM Service Manual Online
For 1990-2009 cars only
Makes
🢒
Chevrolet
🢒
2002
🢒
Express
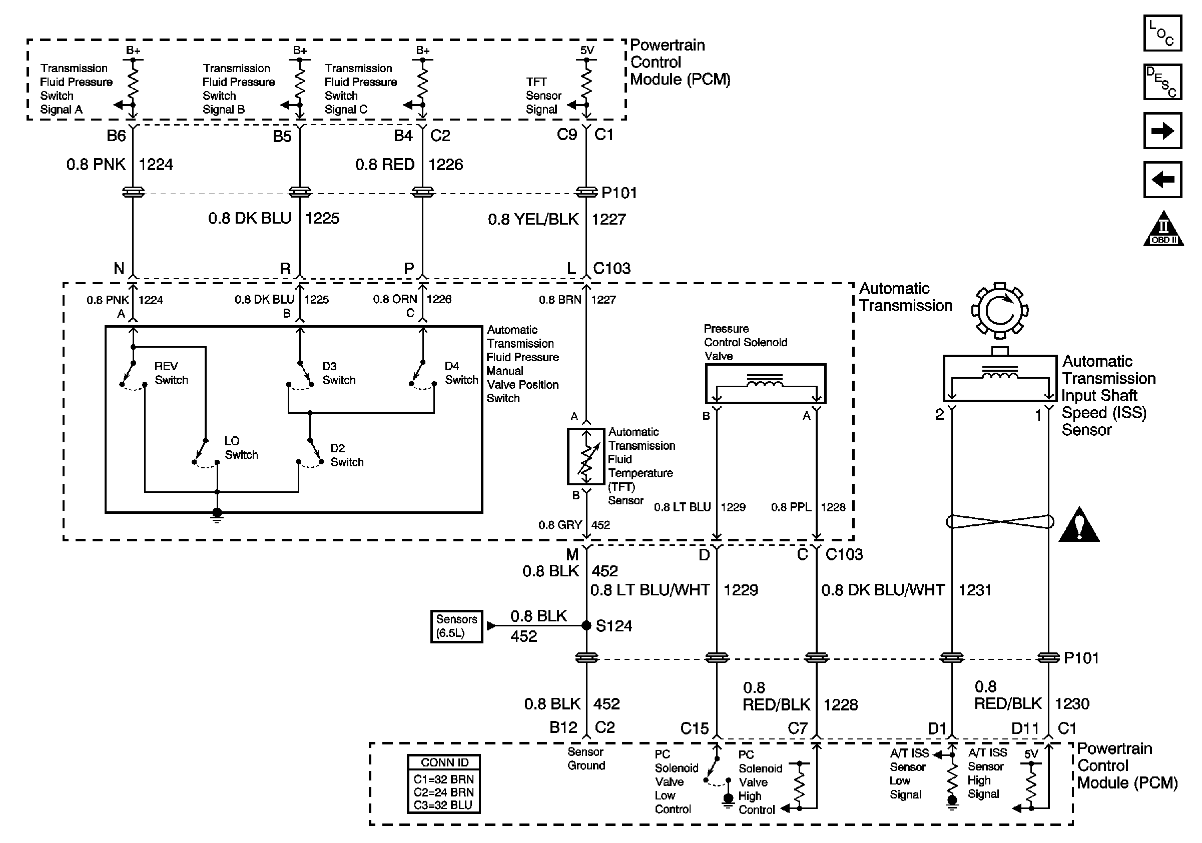
🢒 Sensor, Solenoid and GND Controls
Sensor, Solenoid and GND Controls
Sensor, Solenoid and GND Controls
Master Electrical Component List
Electronic Component Description
VSS and Sensor Controls
Park/Neutral Position Switch
OBD II Symbol Description Notice
Automatic Transmission Schematic Icons