GM Service Manual Online
For 1990-2009 cars only
Makes
🢒
Chevrolet
🢒
2002
🢒
Express
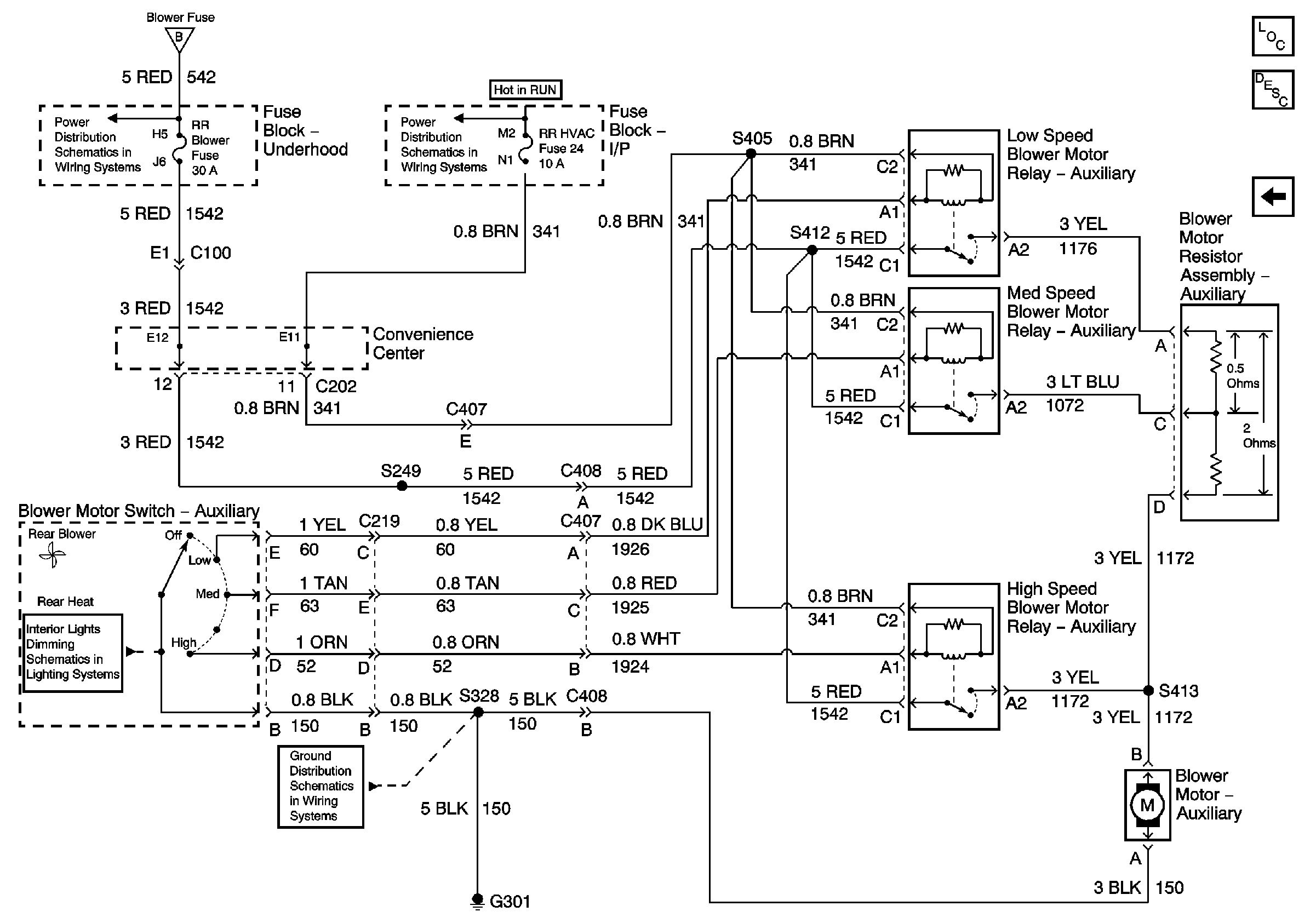
🢒 RR BLOWER and RR HVAC Fuses, Auxiliary Blower Motor, G301, School Bus(B3D)
RR BLOWER and RR HVAC Fuses, Auxiliary Blower Motor, G301, School Bus(B3D)
RR BLOWER and RR HVAC Fuses, Auxiliary Blower Motor, G301, School Bus (B3D)
Master Electrical Component List
Air Delivery Description and Operation
RR BLOWER and RR HVAC Fuses, Auxiliary Blower Motor, G400
ABS, Blower, AIR, Rear Blower and ETC Fuses
BLOWER and HTR-A/C Fuses, Heater and A/C Controller, Blower Motor, G103
Ignition A, Ignition B Fuses, and Ignition Switch
ILLUM and PARK LPS Fuses
G202, G203 and G301