GM Service Manual Online
For 1990-2009 cars only
Makes
🢒
Chevrolet
🢒
2002
🢒
Express
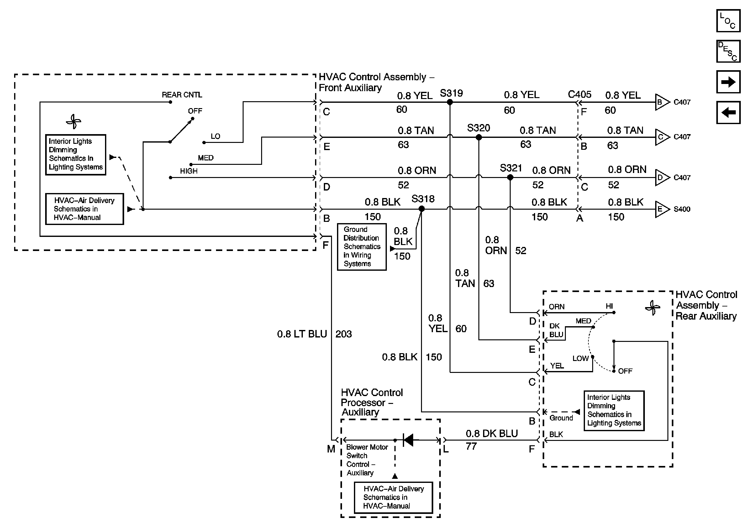
🢒 Front and Rear Auxiliary HVAC Control Modules (Passenger)
Front and Rear Auxiliary HVAC Control Modules (Passenger)
Front and Rear Auxiliary HVAC Control Modules - Passenger
Master Electrical Component List
Air Delivery Description and Operation
Front Auxiliary HVAC Control Module (Cargo)
BLOWER and HTR-A/C Fuses, Blower Controls, Blower Motor, G103
ILLUM and PARK LPS Fuses
RR HVAC Fuse, Front and Rear Auxiliary HVAC Control Modules, Heater and A/C Control Logic Module (Passenger)
G400
RR HVAC Fuse, Front and Rear Auxiliary HVAC Control Modules, Heater and A/C Control Logic Module (Passenger)
RR BLOWER and RR HVAC Fuses, Auxiliary Blower Motor, G400
RR BLOWER and RR HVAC Fuses, Auxiliary Blower Motor, G400
RR BLOWER and RR HVAC Fuses, Auxiliary Blower Motor, G400
RR BLOWER and RR HVAC Fuses, Auxiliary Blower Motor, G400
ILLUM and PARK LPS Fuses