GM Service Manual Online
For 1990-2009 cars only
Makes
🢒
Chevrolet
🢒
2002
🢒
Express
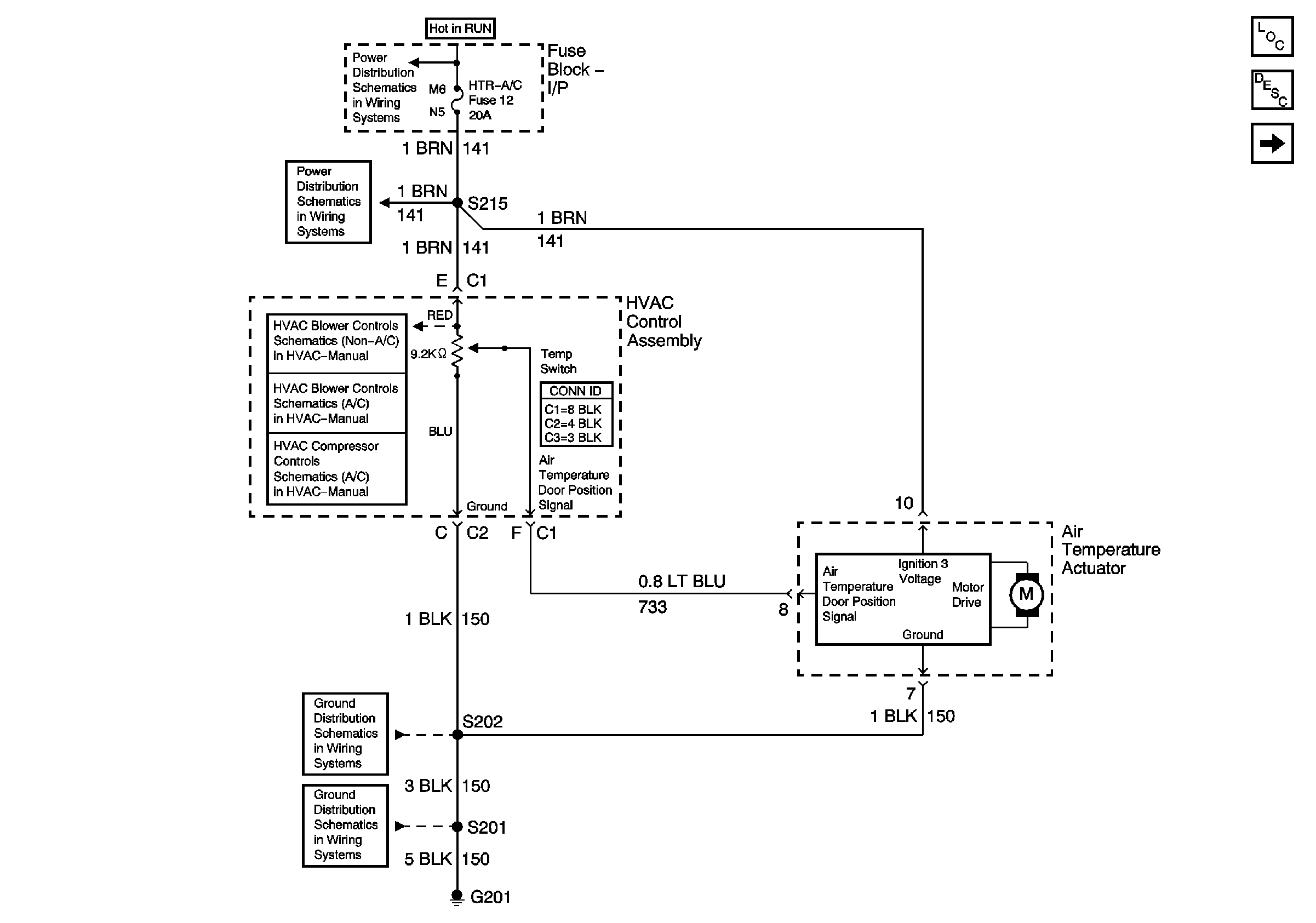
🢒 HTR-A/C Fuse, Front Heater and A/C Controller, G201
HTR-A/C Fuse, Front Heater and A/C Controller, G201
HTR-A/C Fuse, Front Heater and A/C Controller, G201
Master Electrical Component List
Air Delivery Description and Operation
RR HVAC Fuse, Front and Rear Auxiliary HVAC Control Modules, Heater and A/C Control Logic Module (Passenger)
Ignition A, Ignition B Fuses, and Ignition Switch
Cruise, Heater A/C, and Brake Fuses
BLOWER and HTR-A/C Fuses, Heater and A/C Controller, Blower Motor, G103
BLOWER and HTR-A/C Fuses, Blower Controls, Blower Motor, G103
HTR-A/C Fuse, A/C Compressor High Pressure Cutoff Switch, A/C Compressor Low Pressure Cutout Switch (Diesel), G201
Components through S202 and S205 to G201
G201