GM Service Manual Online
For 1990-2009 cars only
Makes
🢒
Chevrolet
🢒
2002
🢒
Express
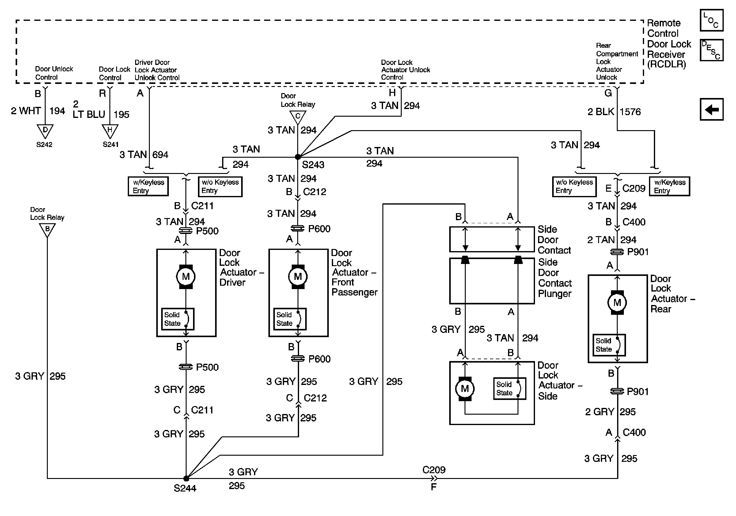
🢒 Door Lock Actuator Motors
Door Lock Actuator Motors
Door Lock Actuator Motors
Master Electrical Component List
Power Door Locks Description and Operation
Rear Power Door Lock Switch
Front Power Door Lock Switches
Front Power Door Lock Switches
Front Power Door Lock Switches
Front Power Door Lock Switches