GM Service Manual Online
For 1990-2009 cars only
Makes
🢒
Chevrolet
🢒
2002
🢒
Express
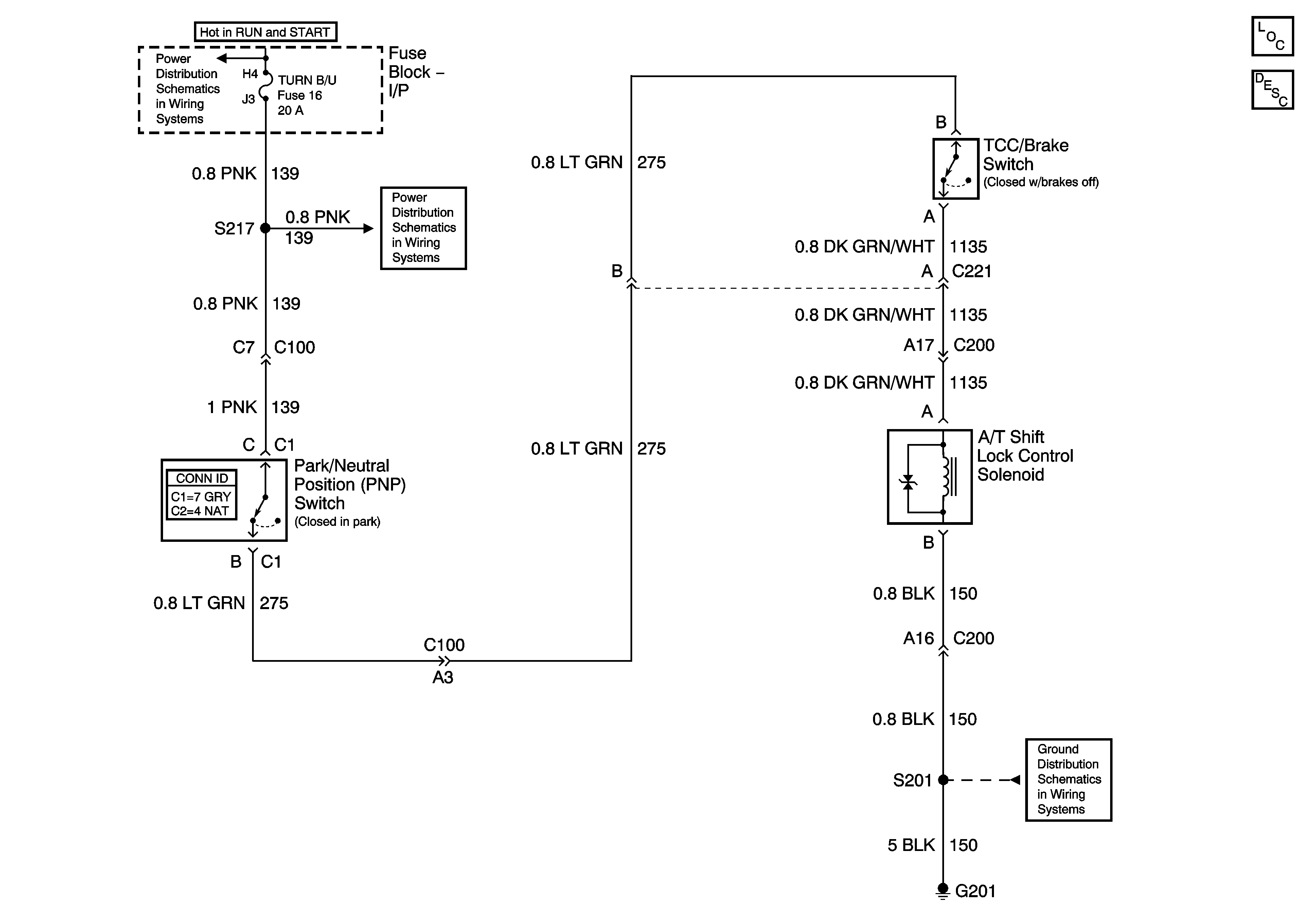
🢒 Automatic Transmission Shift Lock Control
Automatic Transmission Shift Lock Control
Master Electrical Component List
Automatic Transmission Shift Lock Control Description and Operation
Ignition A, Ignition B Fuses, and Ignition Switch
Courtesy, Air Bags, and Turn Backup Fuses
G201