GM Service Manual Online
For 1990-2009 cars only

Tools Required

J 38185 Hose Pliers

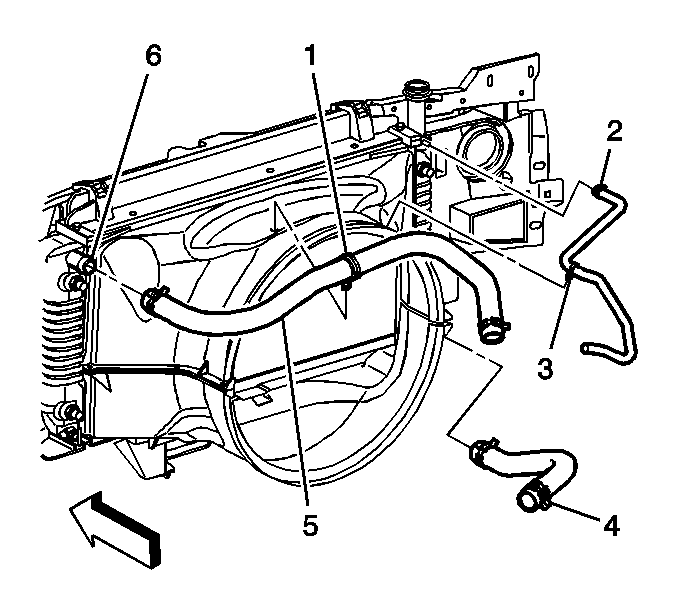
Removal Procedure

  1. Partially drain the cooling system. Refer to Cooling System Draining and Filling .
  2. Reposition the clamp at the radiator inlet using the J 38185 .
  3. Reposition the clamp at the thermostat housing using the J 38185 .
  4. Remove the radiator inlet hose from the radiator.
  5. Remove the radiator inlet hose from the thermostat housing.

  6. Object Number: 834215  Size: SH
  7. Remove the radiator inlet hose (5).

Installation Procedure


    Object Number: 834215  Size: SH
  1. Install the radiator inlet hose (5).
  2. Install the radiator inlet hose to the radiator.
  3. Install the radiator inlet hose to the thermostat housing.
  4. Position the hose clamp at the thermostat housing using the J 38185 .
  5. Position the hose clamp at the radiator inlet housing using the J 38185 .
  6. Fill the cooling system. Refer to Cooling System Draining and Filling .