GM Service Manual Online
For 1990-2009 cars only

Removal Procedure


    Object Number: 830223  Size: SH
  1. Raise and support the vehicle. Refer to Lifting and Jacking the Vehicle .
  2. Support the rear axle independently in order to relieve the tension on the leaf springs.
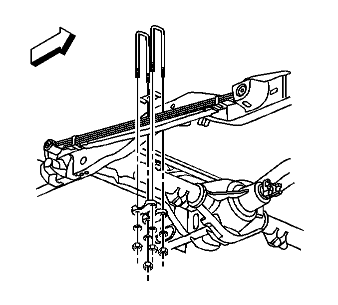
  3. Remove the leaf spring U-bolt nuts.
  4. Remove the leaf spring U-bolts.
  5. Remove the leaf spring spacer.
  6. Remove the leaf spring anchor plate.

  7. Object Number: 830230  Size: SH
  8. Remove the leaf spring (1) to the spring shackle (5) mounting bolt and nut (3).

  9. Object Number: 830236  Size: SH
  10. Remove the leaf spring to the front hanger bracket mounting nut and bolt.
  11. Remove the leaf spring from the vehicle.

Installation Procedure


    Object Number: 830236  Size: SH
  1. Install the leaf spring to the vehicle.
  2. Perform the following procedure before installing the front hanger bracket mounting bolt.
  3. 2.1. Remove all traces of the original adhesive patch.
    2.2. Clean the threads of the bolt with brake parts cleaner or the equivalent and allow to dry.
    2.3. Apply Threadlocker GM P/N 12345493 (Canadian P/N 10953488) to the threads of the bolt.
  4. Loosely install the leaf spring to the front hanger bracket mounting bolt and nut.

  5. Object Number: 830230  Size: SH
  6. Install the leaf spring (1) to the spring shackle (5) mounting bolt and nut (3).

  7. Object Number: 830223  Size: SH

    Important: Do not reuse the leaf spring U-bolts.

  8. Install the leaf spring spacer.
  9. Install the leaf spring U-bolts.
  10. Install the leaf spring anchor plate.
  11. Notice: Refer to Fastener Notice in the Preface section.

  12. Install the leaf spring U-bolt nuts.
  13. Tighten

        • Tighten the leaf spring U-bolt mounting nuts to 85 N·m (63 lb ft) (All 1500 Series).
        • Tighten the leaf spring U-bolt mounting nuts to 140 N·m (103 lb ft) (All 2500 Series and 3500 Series Cargo and Passenger Vans and Cutaways With 9Q4).
        • Tighten the leaf spring U-bolt mounting nuts to 147 N·m (108 lb ft) (3500 Series Cutaways Without 9Q4).
  14. Tighten the front hanger bracket and spring shackle mounting nuts.
  15. Tighten

        • Tighten the front hanger bracket mounting nut to 100 N·m (74 lb ft) plus 210 degrees.
        • Tighten the leaf spring to front hanger mounting nut to 200 N·m (148 lb ft) plus 183 degrees. (W/14050 GVW)
        • Tighten the spring shackle to frame mounting nut to 115 N·m (85 lb ft).
        • Tighten the spring shackle to leaf spring mounting nut to 85 N·m (63 lb ft).
  16. Remove the rear axle support.
  17. Lower the vehicle.