GM Service Manual Online
For 1990-2009 cars only
Figure 1:

Power, Ground, MIL and DLC


Object Number: 851634  Size: FS
Master Electrical Component List
Powertrain Control Module Description
5 Volt Reference (4.8L, 5.3L, and 6.0L)
OBD II Symbol Description Notice
B+ Bus - Underhood Fuse Block
IGN B Fuse
O2A, O2B, SPARE, BTSI BU, PCM IGN 1, BTSI, and TRLR BU Fuses
CRANK, IGN O, TBC ACC, FR WPR, BRKS, and HVAC Fuses
CRANK, IGN O, TBC ACC, FR WPR, BRKS, and HVAC Fuses
G103, G104, G105, G106, G300, and G301
Data Link Schematics
Figure 2:

5 Volt Reference


Object Number: 905004  Size: FS
Master Electrical Component List
Powertrain Control Module Description
Engine Data Sensors
Power, Ground, MIL, and DLC
OBD II Symbol Description Notice
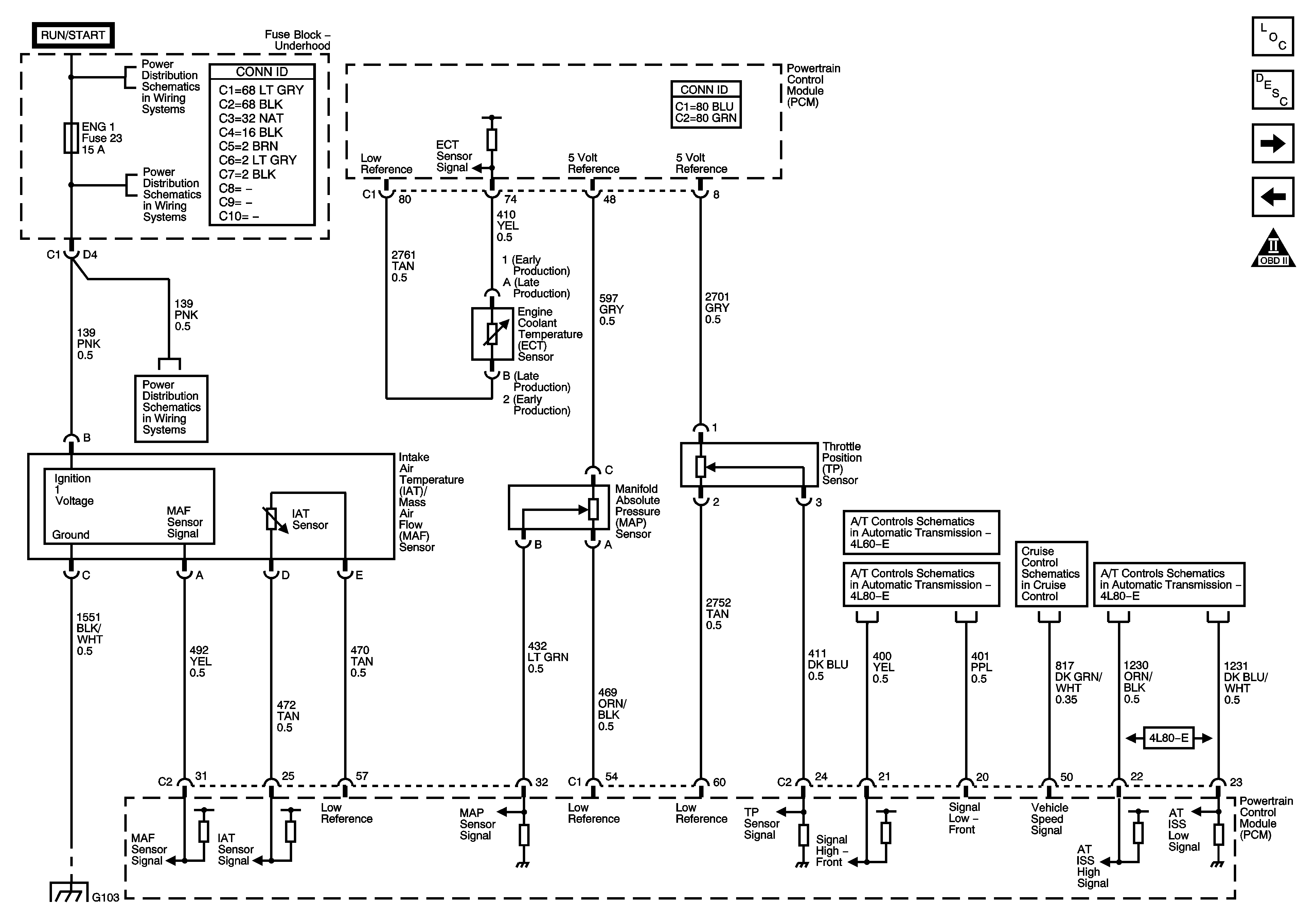
Figure 3:

Engine Data Sensors


Object Number: 851639  Size: FS
Master Electrical Component List
Powertrain Control Module Description
Oxygen Sensors
5 Volt Reference (4.8L, 5.3L, and 6.0L)
OBD II Symbol Description Notice
IGN B Fuse
ENG 1, and ENG 2 Fuses - 4.8L, 5.3L, and 6.0L
ENG 1, and ENG 2 Fuses - 4.8L, 5.3L, and 6.0L
Temperature/Pressure/Range Switches, and VSS
Temperature/Pressure/Range Switches and VSS
Cruise Control
G103, G104, G105, G106, G300, and G301
Temperature/Pressure/Range Switches and VSS
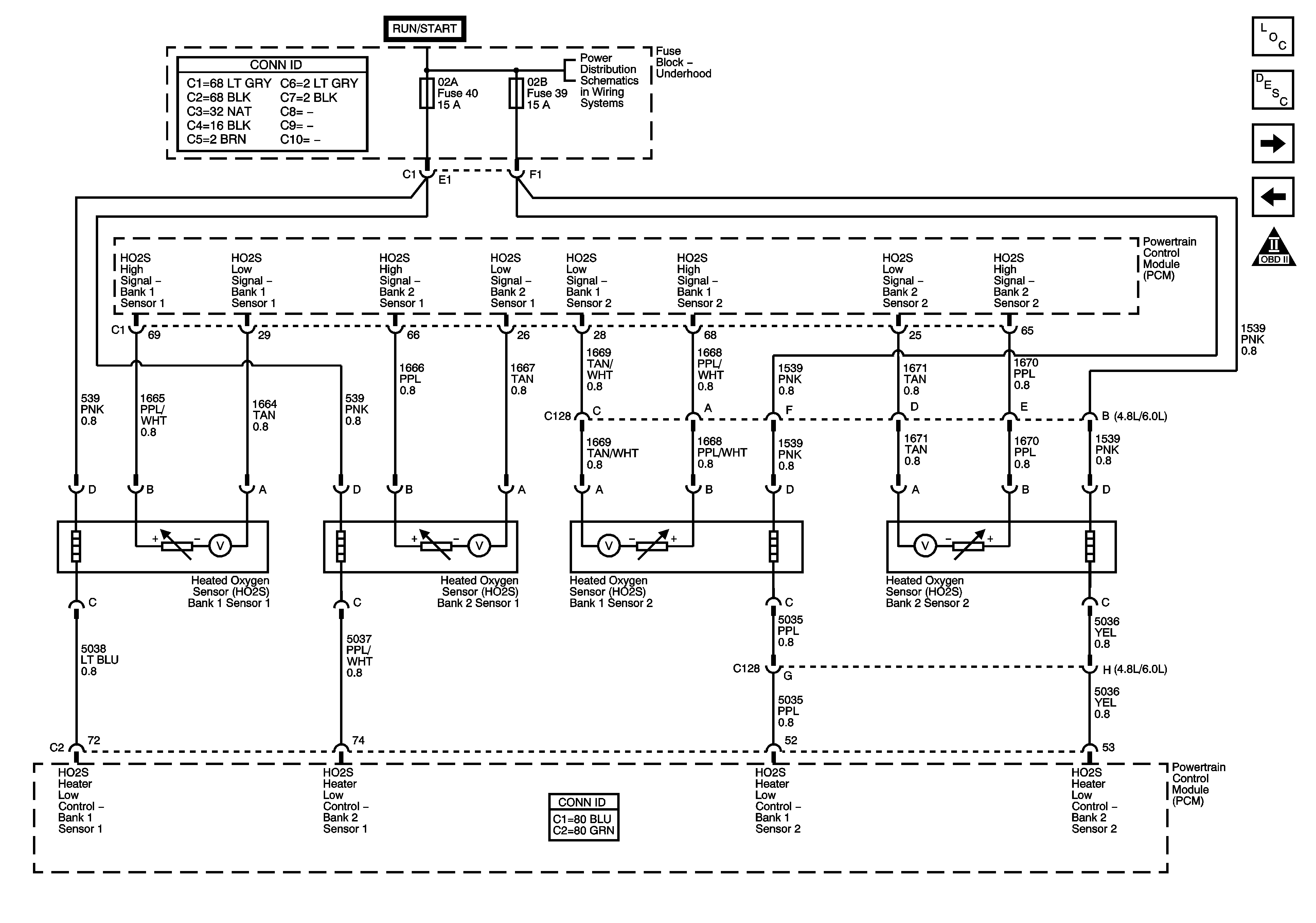
Figure 4:

Oxygen Sensors


Object Number: 851647  Size: FS
Master Electrical Component List
Powertrain Control Module Description
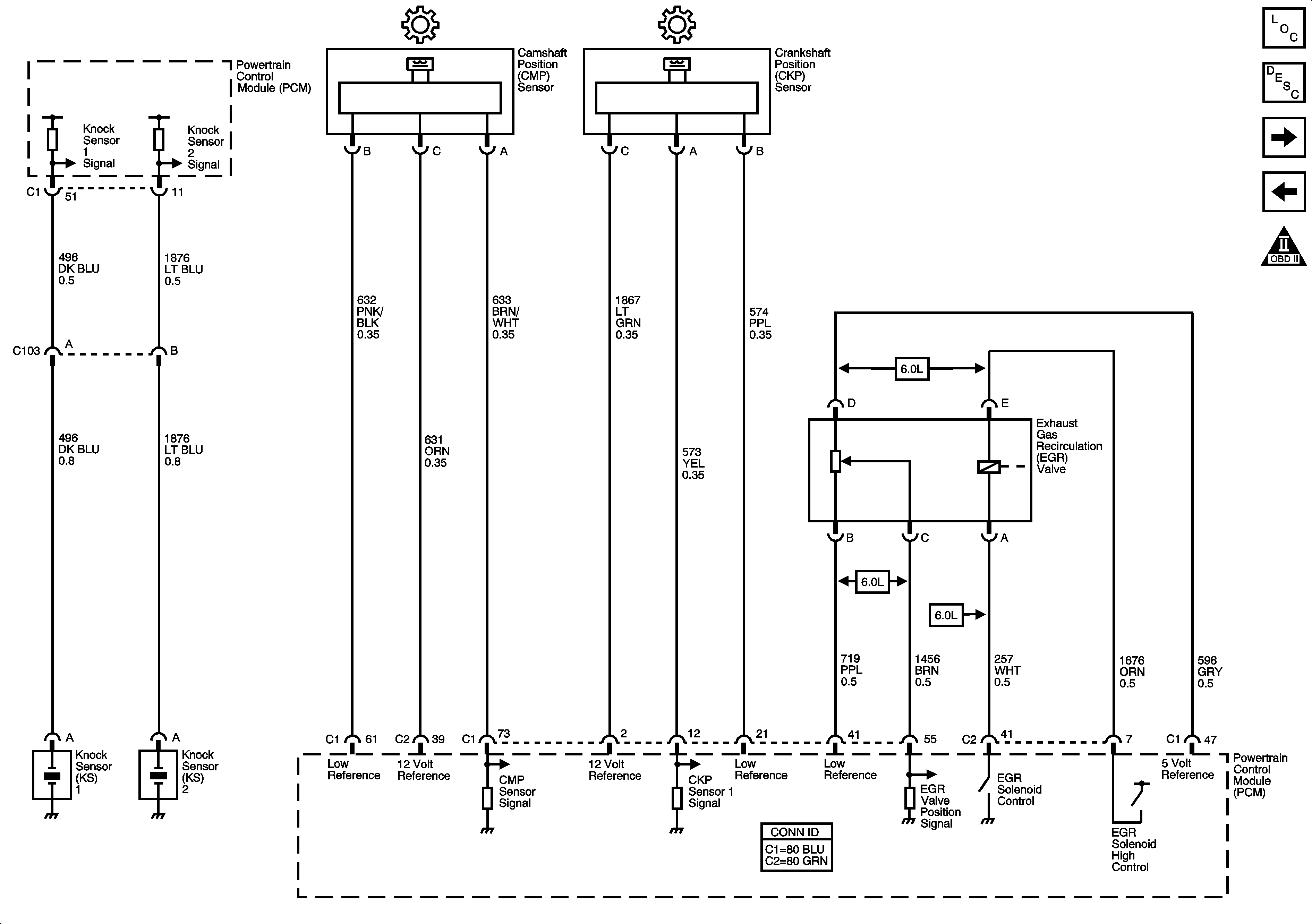
Knock, CMP, CKP Sensors, and EGR
Engine Data Sensors
OBD II Symbol Description Notice
IGN B Fuse
Figure 5:

Knock, CMP, CKP Sensors and EGR


Object Number: 851644  Size: FS
Master Electrical Component List
Powertrain Control Module Description
Ignition Controls - Page 1 of 2
Oxygen Sensors
OBD II Symbol Description Notice
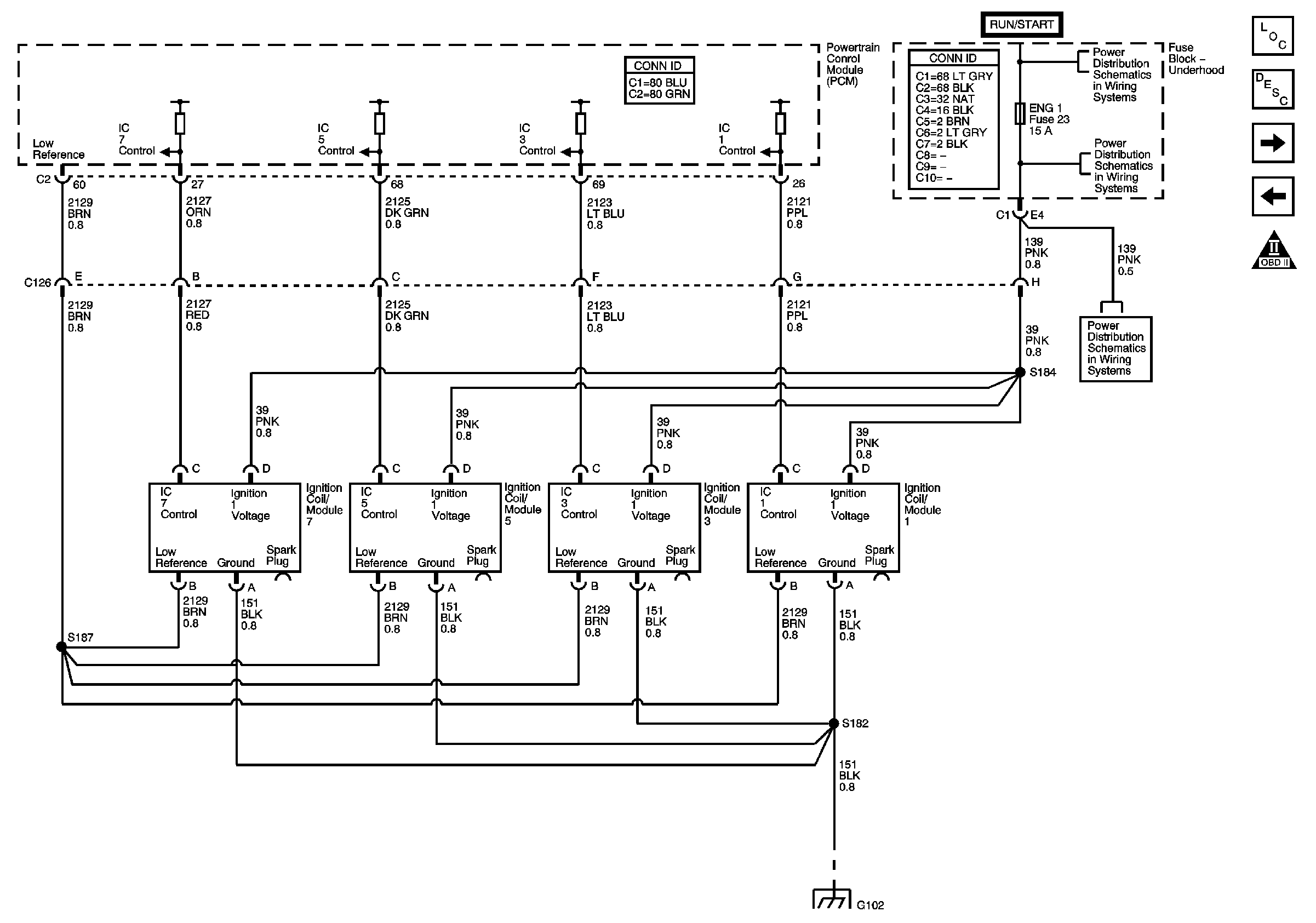
Figure 6:

Ignition Controls - Page 1 of 2


Object Number: 851650  Size: FS
Master Electrical Component List
Powertrain Control Module Description
Ignition Controls - Page 2 of 2
Knock, CMP, CKP Sensors, and EGR
OBD II Symbol Description Notice
IGN B Fuse
ENG 1, and ENG 2 Fuses - 4.8L, 5.3L, and 6.0L
ENG 1, and ENG 2 Fuses - 4.8L, 5.3L, and 6.0L
G102
Figure 7:

Ignition Controls - Page 2 of 2


Object Number: 851653  Size: FS
Master Electrical Component List
Powertrain Control Module Description
Fuel Controls
Ignition Controls - Page 1 of 2
OBD II Symbol Description Notice
IGN B Fuse
ENG 1, and ENG 2 Fuses - 4.8L, 5.3L, and 6.0L
G102
Figure 8:

Fuel Controls


Object Number: 851657  Size: FS
Master Electrical Component List
Powertrain Control Module Description
Fuel Injection Controls
Ignition Controls - Page 2 of 2
OBD II Symbol Description Notice
B+ Bus - Underhood Fuse Block
Gages
G400
G102
Figure 9:

Fuel Injection Controls


Object Number: 851661  Size: FS
Master Electrical Component List
Powertrain Control Module Description
Fuel and Device Controls
Fuel Controls
OBD II Symbol Description Notice
IGN B Fuse
ENG 1, and ENG 2 Fuses - 4.8L, 5.3L, and 6.0L
Figure 10:

Fuel, EVAP, and Device Controls


Object Number: 851664  Size: FS
Master Electrical Component List
Powertrain Control Module Description
Controlled/Monitored Subsystem and Transmission
Fuel Injection Controls
OBD II Symbol Description Notice
B+ Bus - Underhood Fuse Block
TRLR STOP/TRN, CAN VENT,LH-LOBM, RH-LOBM, LH-HIBM, and RH-HIBM Fuses
IGN B Fuse
ENG 1, and ENG 2 Fuses - 4.8L, 5.3L, and 6.0L
ENG 1, and ENG 2 Fuses - 4.8L, 5.3L, and 6.0L
Gages
Power, Ground, DLC and Indicator
Cruise Control
Figure 11:

Controlled/Monitored Subsystem and Transmission


Object Number: 851668  Size: FS
Master Electrical Component List
Powertrain Control Module Description
Fuel and Device Controls
OBD II Symbol Description Notice
Compressor Controls (C60)
Wheel Speed Sensors, VSS and Brake Pressure Switch
Cruise Control
Charging System
Starting System
Gages
Indicators
Temperature/Pressure/Range Switches, and VSS
Temperature/Pressure/Range Switches and VSS
Power, and Solenoid Valve Controls
Power and Solenoid Valve Controls
Power, and Solenoid Valve Controls
Power and Solenoid Valve Controls