GM Service Manual Online
For 1990-2009 cars only
Figure 1:

Upper Front of the Engine


Object Number: 886065  Size: LF
(1)Evaporative Emissions (EVAP) Canister Purge Solenoid
(2)Idle Air Control (IAC) Valve
(3)Throttle Position (TP) Sensor
(4)Generator
Figure 2:

Right Side of the Engine


Object Number: 886066  Size: MF
(1)Crankshaft Position (CKP) Sensor Connector
(2)A/C High Pressure Switch Connector (C60)
(3)A/C Compressor Clutch Connector (C60)
(4)Engine Oil Level Switch Connector
(5)Starter Motor
Figure 3:

Upper Left Side of the Engine


Object Number: 882686  Size: LF
(1)Fuel Injector 1 Connector
(2)Fuel Injector 3 Connector
(3)Fuel Injector 5 Connector
(4)S101
(5)C103
(6)S102
(7)Fuel Injector 7 Connector
(8)Ignition Coil/Module 7 Connector
(9)Ignition Coil/Module 5 Connector
(10)C126
(11)Ignition Coil/Module 3 Connector
(12)Engine Coolant Temperature (ECT) Sensor Connector
(13)Ignition Coil/Module 1 Connector
Figure 4:

Upper Right Side of the Engine


Object Number: 882689  Size: LF
(1)Fuel Injector 8 Connector
(2)Fuel Injector 6 Connector
(3)Fuel Injector 4 Connector
(4)Fuel Injector 2 Connector
(5)Exhaust Gas Recirculation (EGR) Valve Connector (6.0L)
(6)Ignition Coil/Module 2 Connector
(7)Ignition Coil/Module 4 Connector
(8)Ignition Coil/Module 6 Connector
(9)C127
(10)Ignition Coil/Module 8 Connector
Figure 5:

Top of the Engine


Object Number: 882693  Size: MF
(1)Manifold Absolute Pressure (MAP) Sensor Connector
(2)S102
(3)S101
(4)C103
(5)Evaporative Emission (EVAP) Canister Purge Solenoid Valve
(6)Throttle Body
Figure 6:

Center of the Engine


Object Number: 198593  Size: MF
(1)Knock Sensor (KS) 1
(2)Knock Sensor (KS) 2
Figure 7:

Back of the Engine


Object Number: 882710  Size: MF
(1)G103
(2)Engine Oil Pressure (EOP) Sensor Connector
(3)G102
(4)Camshaft Position (CMP) Sensor Connector
Figure 8:

LR of the Engine Compartment


Object Number: 882706  Size: LF
(1)C109
(2)Powertrain Control Module (PCM) C1, C2
(3)Fuse Block Underhood - C6
(4)Horn Assembly Connector
(5)Fuse Block Underhood - C1
(6)C100
(7)C101
(8)Brake Fluid Level Switch Connector (Heavy Duty)
Figure 9:

Rear of the Engine Compartment


Object Number: 886081  Size: MF
(1)Blower Motor Resistor Assembly
(2)Blower Motor
(3)Intake Air Temperature (IAT) / Mass Air Flow (MAF) Sensor
(4)A/C Low Pressure Switch (C60)
Figure 10:

Rear of the Engine (4.3L/5.3L)


Object Number: 886082  Size: MF
(1)Heated Oxygen Sensor (HO2S) Bank 1 Sensor 1
(2)Heated Oxygen Sensor (HO2S) Bank 2 Sensor 1
(3)Heated Oxygen Sensor (HO2S) Bank 2 Sensor 2
(4)Heated Oxygen Sensor (HO2S) Bank 1 Sensor 2
(5)Park/Neutral Position (PNP) Switch
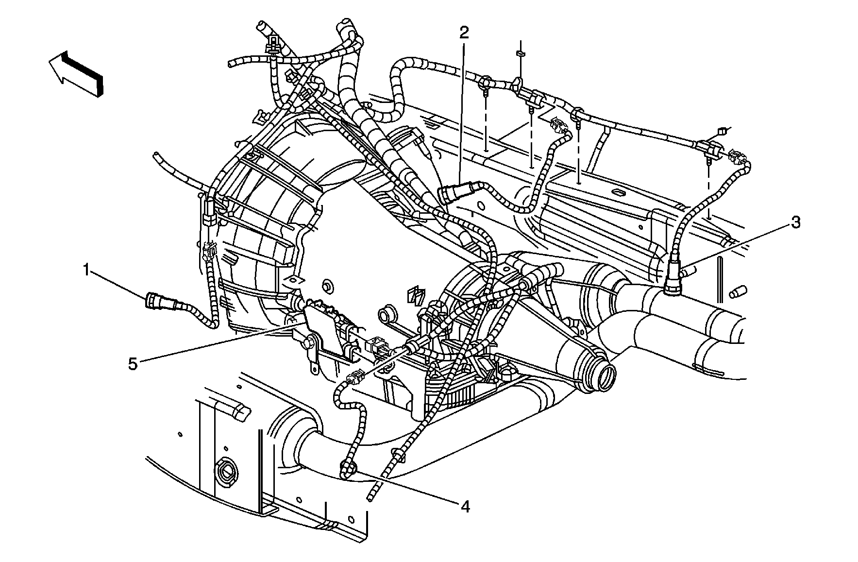
Figure 11:

Oxygen Sensors (4.8L/6.0L)


Object Number: 882716  Size: LF
(1)C128
(2)Heated Oxygen Sensor (HO2S) Bank 2 Sensor 1 Connector
(3)Heated Oxygen Sensor (HO2S) Bank 1 Sensor 2 Connector
(4)Heated Oxygen Sensor (HO2S) Bank 2 Sensor 2 Connector
(5)Heated Oxygen Sensor (HO2S) Bank 1 Sensor 1 Connector
Figure 12:

Left Side Frame


Object Number: 886085  Size: MF
(1)Evaporative Emission (EVAP) Canister Vent Solenoid
(2)Electronic Brake Control Module (EBCM)
Figure 13:

Fuel Tank (without NE7)


Object Number: 886086  Size: MF
(1)Fuel Pump and Sender Assembly Connector
(2)Fuel Tank Pressure (FTP) Sensor Connector
Figure 14:

Fuel Tank (NE7)


Object Number: 886087  Size: MF
(1)Fuel Tank Pressure (FTP) Sensor Connector
(2)Fuel Pump and Sender Assembly Connector