GM Service Manual Online
For 1990-2009 cars only

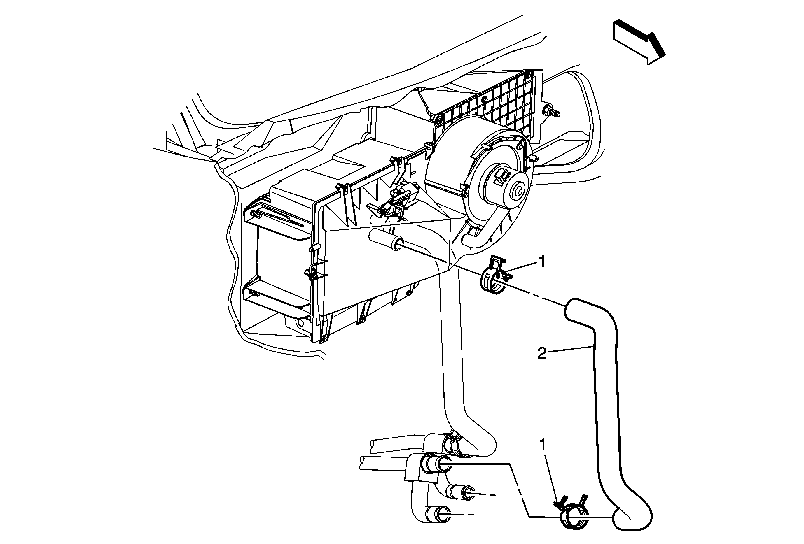
Auxiliary Heater Inlet Hose Replacement C36,C60-Rear Pipe to Valve


Object Number: 1894823  Size: MF

Callout

Component Name

Preliminary Procedures

  1. Partially drain the cooling system. Refer to Cooling System Draining and Filling .
  2. Remove the air cleaner assembly. Refer to Air Cleaner Assembly Replacement .

1

Auxiliary Heater Inlet Hose Clamp (Qty:2)

2

Auxiliary Heater Inlet Hose

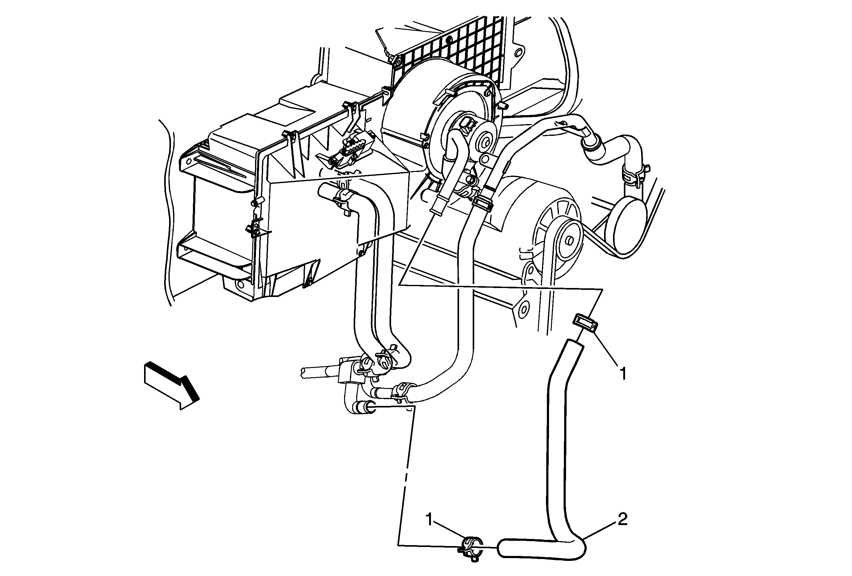
Auxiliary Heater Inlet Hose Replacement V8-C36,C60-Engine to Rear Pipe


Object Number: 1894869  Size: MF

Callout

Component Name

Preliminary Procedures

  1. Partially drain the cooling system. Refer to Cooling System Draining and Filling.
  2. Remove the air cleaner assembly. Refer to Air Cleaner Assembly Replacement.

1

Auxiliary Heater Inlet Hose Clamp (Qty:2)

2

Auxiliary Heater Inlet Hose

Auxiliary Heater Inlet Hose Replacement C36, C60-Heater Core to Rear Pipe


Object Number: 1894866  Size: MF

Callout

Component Name

Preliminary Procedures

  1. Partially drain the cooling system. Refer to Cooling System Draining and Filling.
  2. Remove the air cleaner assembly. Refer to Air Cleaner Assembly Replacement.

1

Auxiliary Heater Inlet Hose Clamp (Qty:2)

2

Auxiliary Heater Inlet Hose

Auxiliary Heater Inlet Hose Replacement V8-C60-Engine to Valve


Object Number: 1894559  Size: MF

Callout

Component Name

Preliminary Procedures

  1. Partially drain the cooling system. Refer to Cooling System Draining and Filling.
  2. Remove the air cleaner assembly. Refer to Air Cleaner Assembly Replacement.

1

Auxiliary Heater Inlet Hose Clamp (Qty:2)

2

Auxiliary Heater Inlet Hose

Auxiliary Heater Inlet Hose Replacement 4.3L-C36-Engine to Rear Pipe


Object Number: 1894908  Size: MF

Callout

Component Name

Preliminary Procedures

  1. Partially drain the cooling system. Refer to Cooling System Draining and Filling.
  2. Remove the air cleaner assembly. Refer to Air Cleaner Assembly Replacement.

1

Auxiliary Heater Inlet Hose Clamp (Qty:2)

2

Auxiliary Heater Inlet Hose