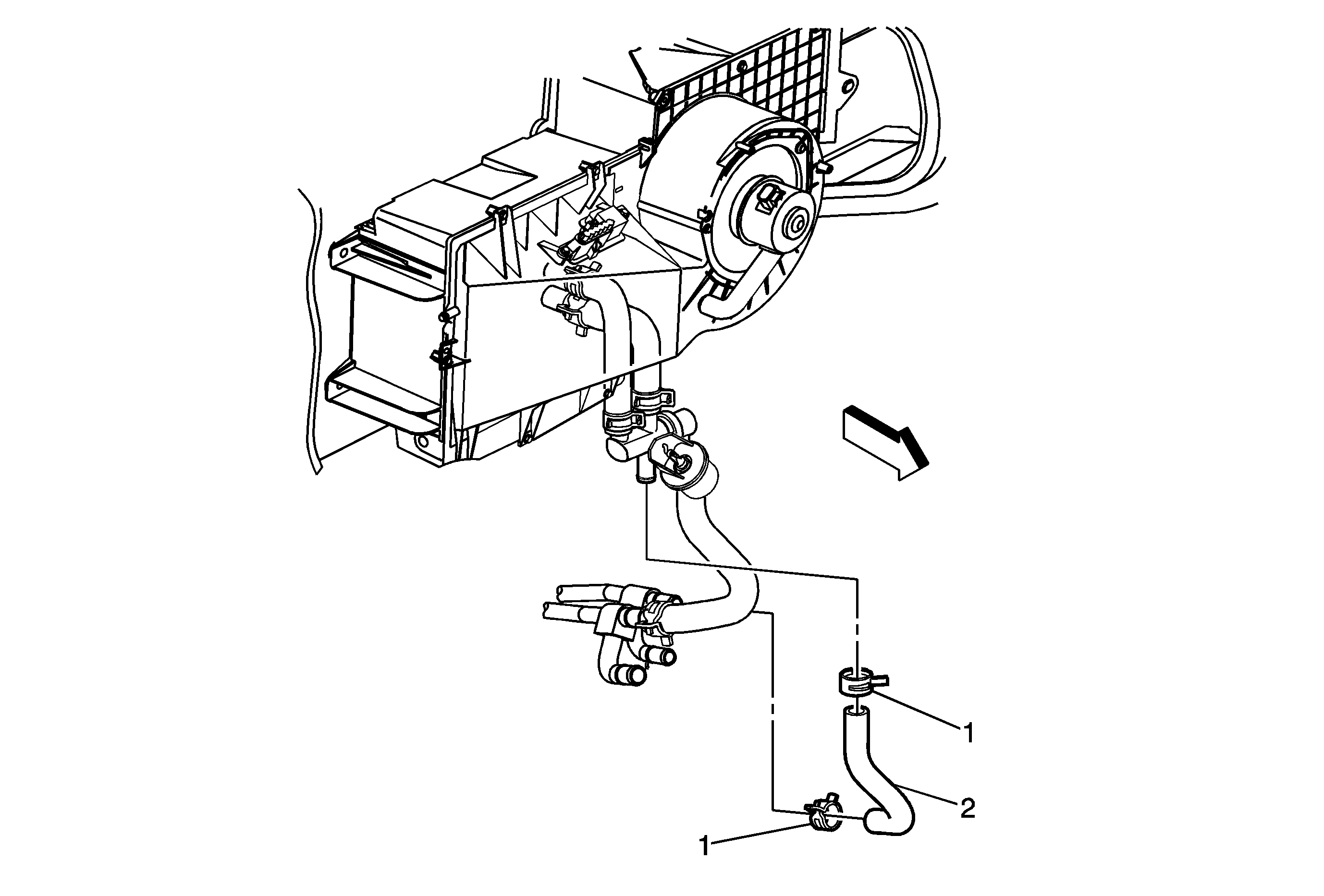
Callout | Component Name |
|---|---|
Preliminary Procedures
| |
1 | Auxiliary Heater Outlet Hose Clamp (Qty:2) |
2 | Auxiliary Heater Outlet Hose |
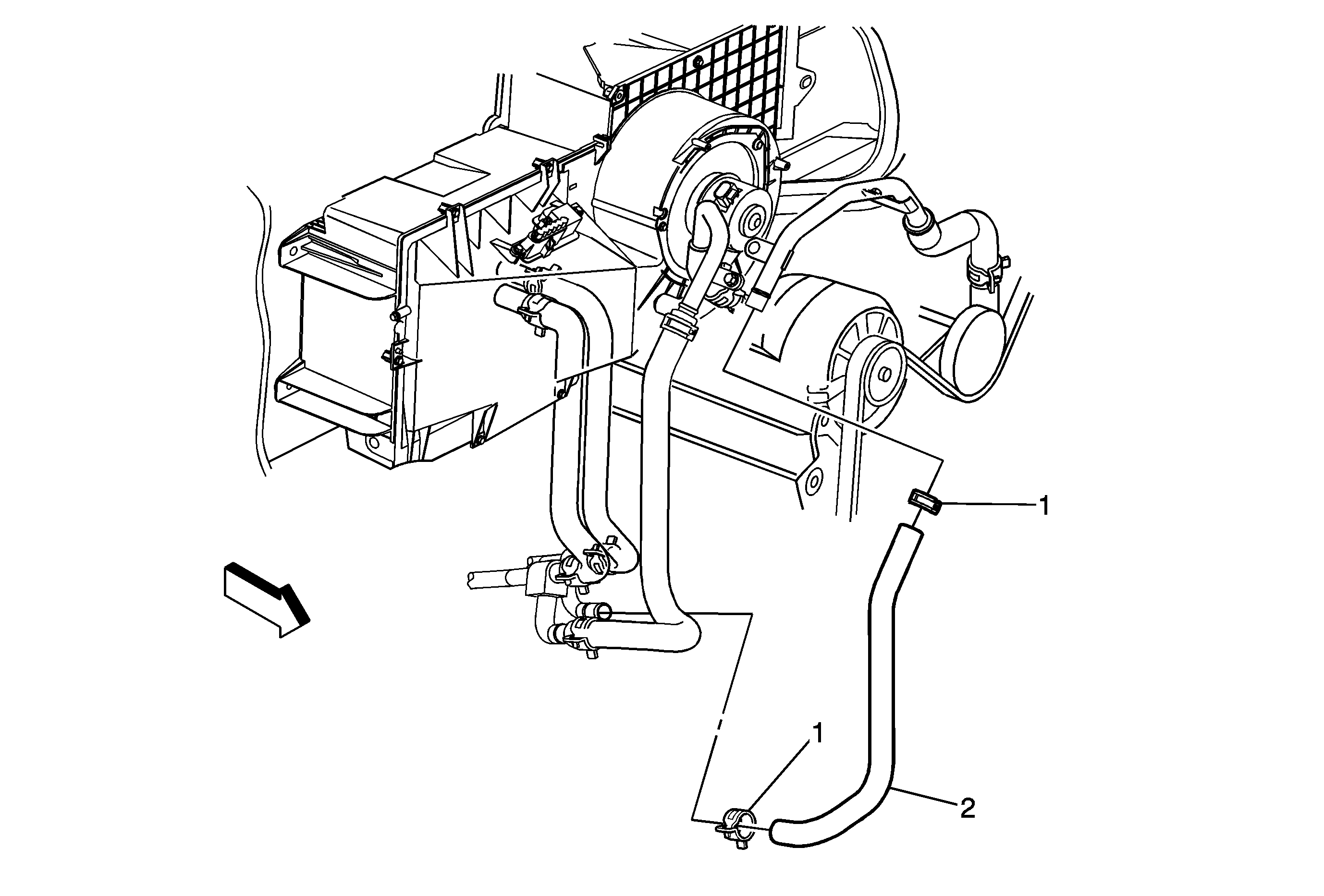
Callout | Component Name |
|---|---|
Preliminary Procedures
| |
1 | Auxiliary Heater Outlet Hose Clamp (Qty:2) |
2 | Auxiliary Heater Outlet Hose |
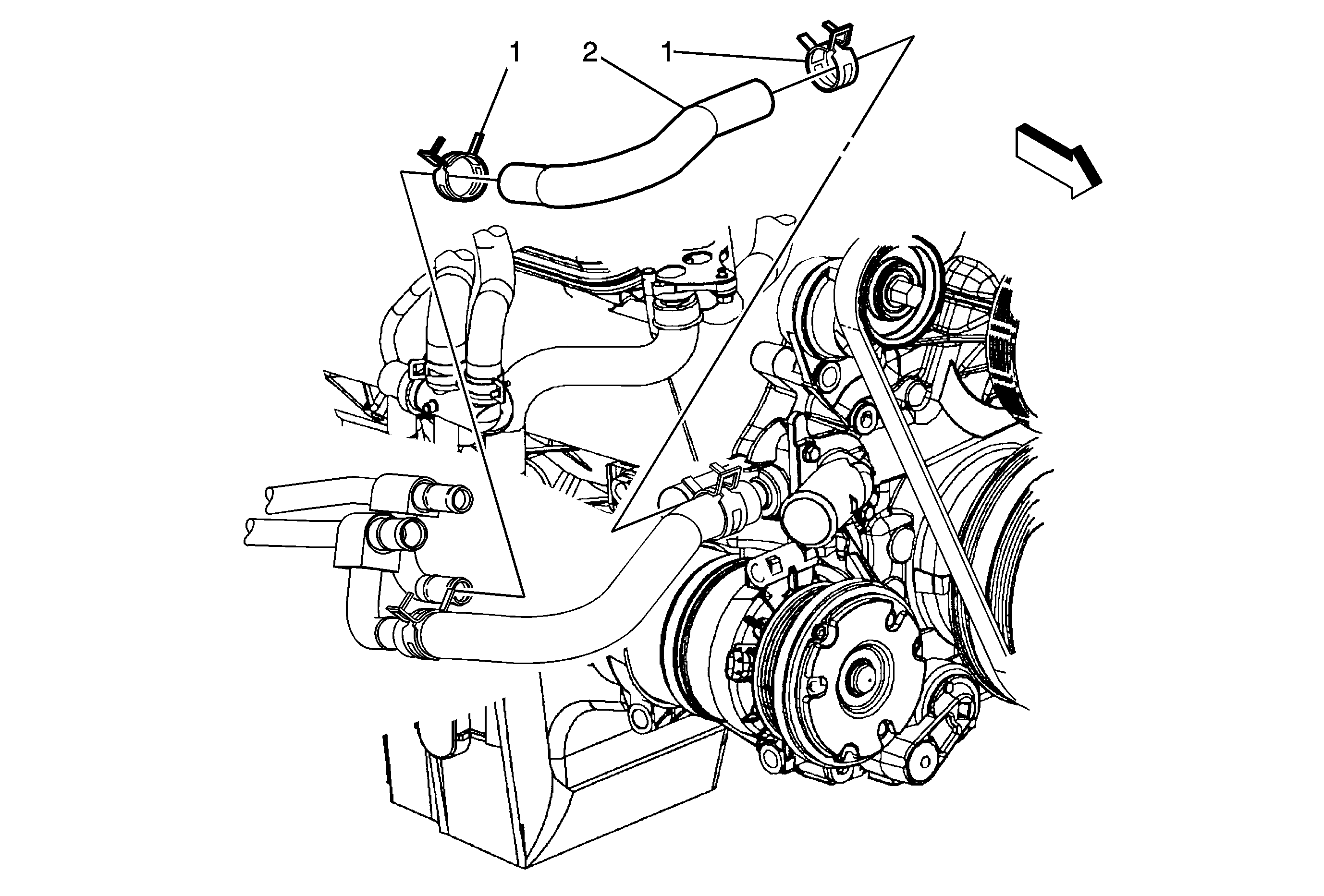
Callout | Component Name |
|---|---|
Preliminary Procedures
| |
1 | Auxiliary Heater Outlet Hose Clamp (Qty:2) |
2 | Auxiliary Heater Outlet Hose |
Callout | Component Name |
|---|---|
Preliminary Procedures
| |
1 | Auxiliary Heater Outlet Hose Clamp (Qty:2) |
2 | Auxiliary Heater Outlet Hose |
Callout | Component Name |
|---|---|
Preliminary Procedures
| |
1 | Auxiliary Heater Outlet Hose Clamp (Qty:2) |
2 | Auxiliary Heater Outlet Hose |