GM Service Manual Online
For 1990-2009 cars only

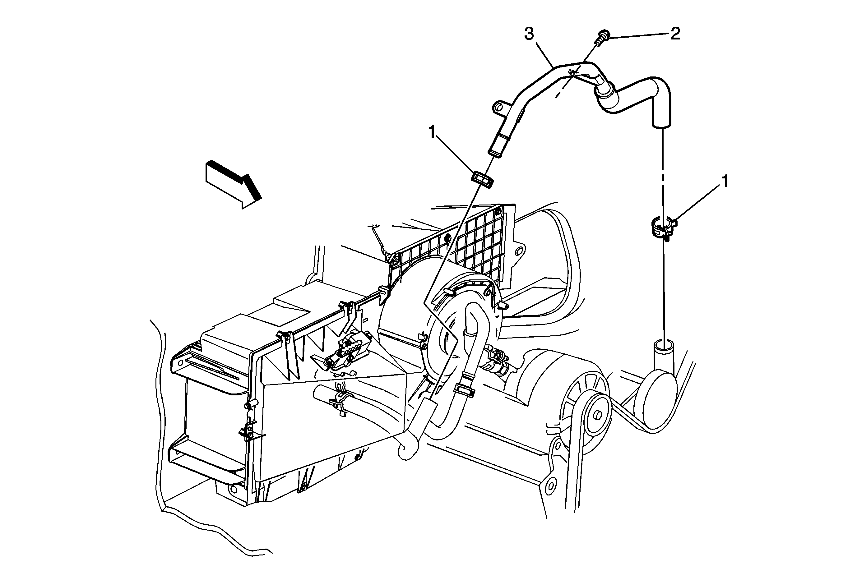
Heater Outlet Pipe Replacement 4.3L


Object Number: 1894458  Size: MF

Callout

Component Name

Preliminary Procedures

  1. Partially drain the cooling system. Refer to Cooling System Draining and Filling .
  2. Remove the air cleaner assembly. Refer to Air Cleaner Assembly Replacement .

1

Heater Outlet Pipe Clamp (Qty:2)

2

Heater Outlet Pipe Bolt

3

Heater Outlet Pipe