GM Service Manual Online
For 1990-2009 cars only
Makes
🢒
Chevrolet
🢒
2003
🢒
Express
🢒
Body and Accessories
🢒
Wiring Systems
🢒 Upfitter Provision Schematics
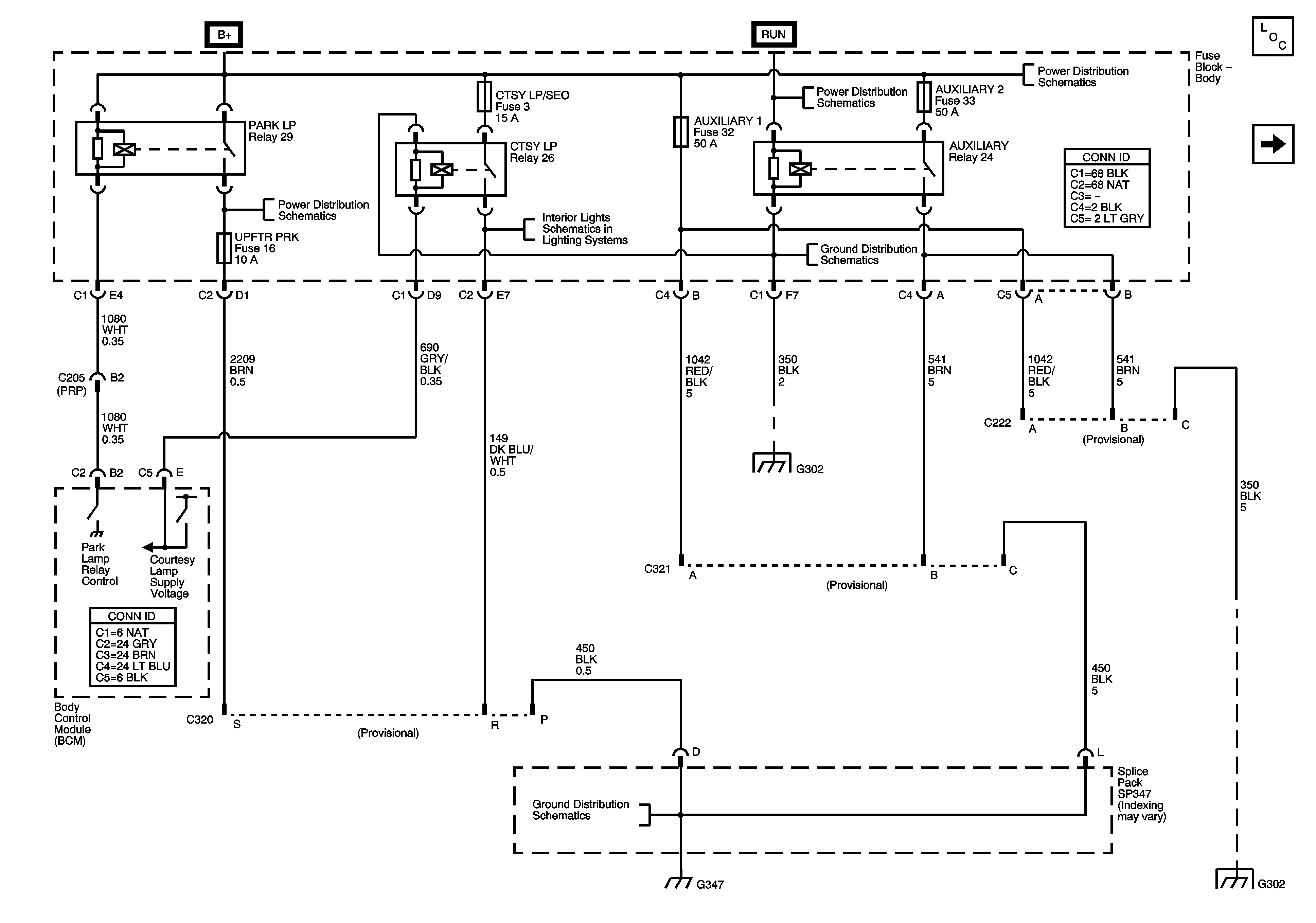
Figure
1:
Power, Ground, and Relay Controls
Master Electrical Component List
Rear Heat Auxiliary (ENC)
FRLR PRK, RR PRK, TRLR PRK, and UPFTR PRK Fuses
IGN A Fuse
B+ Bus - Body Fuse Block
G103, G104, G105, G106, G300, and G301
Courtesy Lamps - YF7
G302
Splice Pack SP347, and G347 - 1 of 3
G302
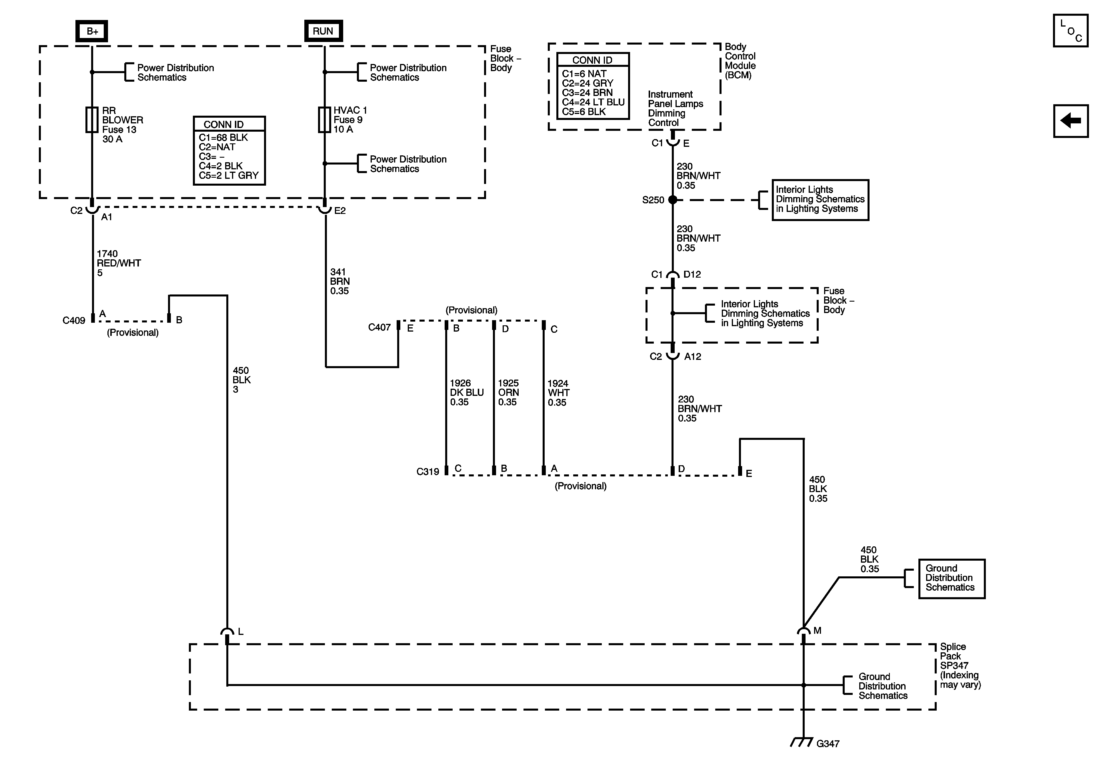
Figure
2:
Rear Heat Auxiliary - ENC
Master Electrical Component List
Power, Ground, and Relay Controls
B+ Bus - Body Fuse Block
IGN A Fuse
HVAC 1 Fuse
Controls and Backlighting - 1 of 3
Controls and Backlighting - 2 of 3
Splice Pack SP347, and G347 - 2 of 3
Splice Pack SP347, and G347 - 1 of 3