GM Service Manual Online
For 1990-2009 cars only
Makes
🢒
Chevrolet
🢒
2003
🢒
Express
🢒
Body and Accessories
🢒
Entertainment
🢒 Radio/Audio System Schematics
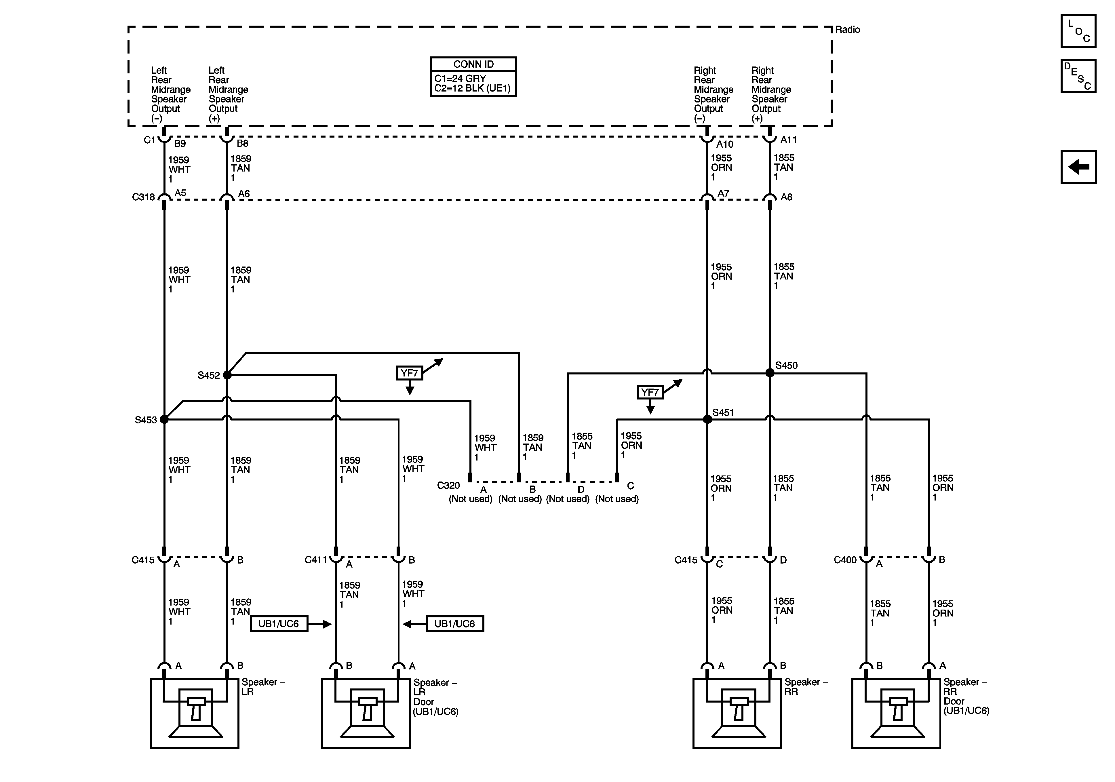
Figure
1:
Power, Ground, DLC, and Front Door Speakers
Master Electrical Component List
Radio/Audio System Description and Operation
Radio w/UK6
B+ Bus - Underhood Fuse Block
TBC, TBC 2, TBC 3, TBC 4,RADIO BAT, RR DEF/HTD MIR, FLASHER, and RFA Fuses, and PWR SEAT Circuit Breaker
Data Link Schematics
Cellular Communication Schematics
G303, and G304
Figure
2:
Radio w/UK6
Master Electrical Component List
Radio/Audio System Description and Operation
Radio w/o UK6
Power, Ground, DLC, and Front Door Speakers
Controls and Backlighting - 2 of 3
G303, and G304
Figure
3:
Radio w/o UK6
Master Electrical Component List
Radio/Audio System Description and Operation
Radio w/UK6