GM Service Manual Online
For 1990-2009 cars only
Makes
🢒
Chevrolet
🢒
2003
🢒
Express
🢒
Body and Accessories
🢒
Seats
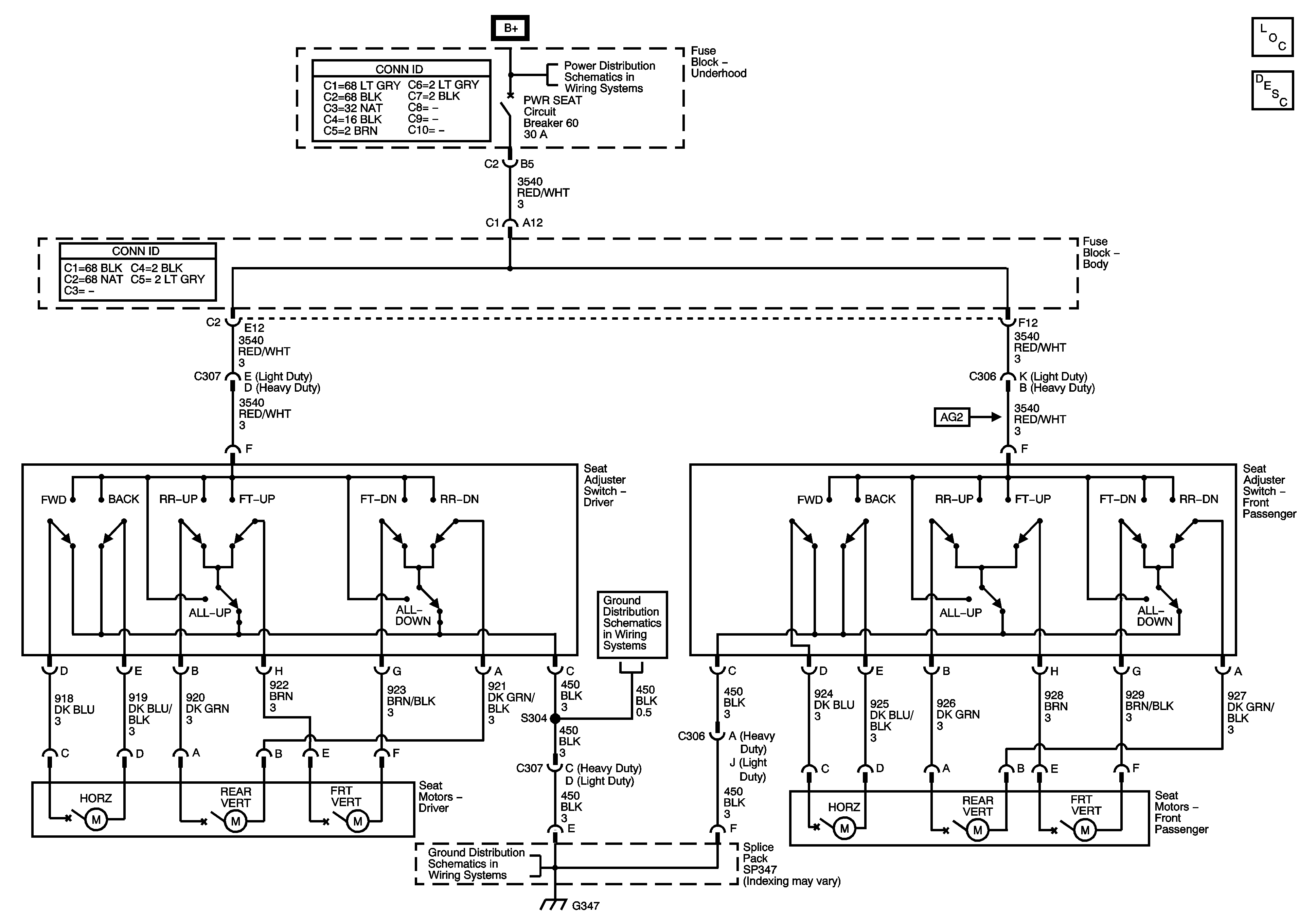
🢒 Power Seats Schematics
Master Electrical Component List
Power Seats System Description and Operation
B+ Bus - Underhood Fuse Block
Splice Pack SP347, and G347 - 2 of 3
Splice Pack SP347, and G347 - 1 of 3