GM Service Manual Online
For 1990-2009 cars only
Makes
🢒
Chevrolet
🢒
2003
🢒
Express
🢒 Defogger
Defogger
Master Electrical Component List
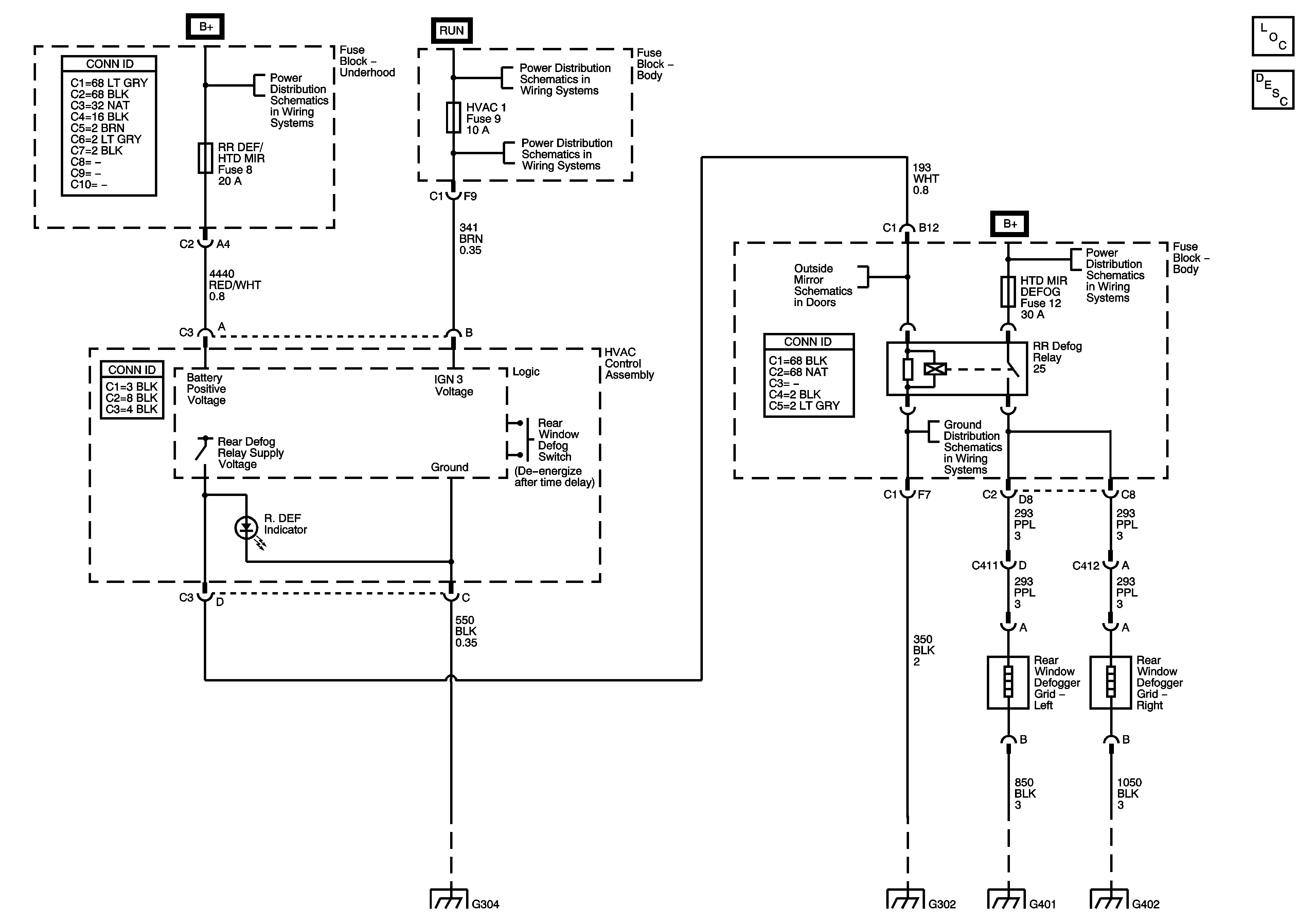
Rear Window Defogger Description and Operation
B+ Bus - Underhood Fuse Block
IGN A Fuse
HVAC 1 Fuse
Heated Outside Mirrors
B+ Bus - Body Fuse Block
G103, G104, G105, G106, G300, and G301
G303, and G304
G302
G401 (Passenger/Cargo)
G402 (Passenger/Cargo) and G403 (PRP)