GM Service Manual Online
For 1990-2009 cars only
Makes
🢒
Chevrolet
🢒
2003
🢒
Express
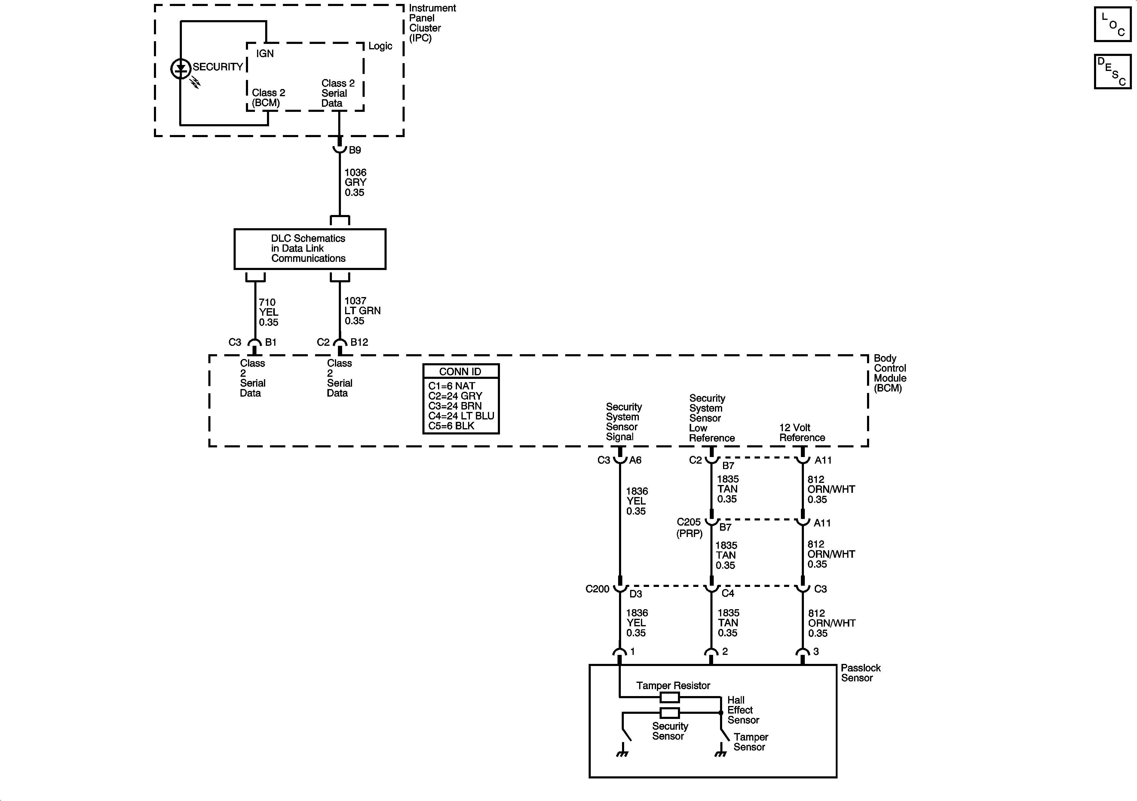
🢒 Theft Deterrent System
Theft Deterrent System
Master Electrical Component List
Vehicle Theft Deterrent (VTD) Description and Operation
Data Link Schematics