GM Service Manual Online
For 1990-2009 cars only
Figure 1:

Power, Ground, Serial Data, Antenna and Front Speaker Outputs


Object Number: 1276416  Size: FS
Master Electrical Component List
Radio/Audio System Description and Operation
Rear Speaker Outputs - UK6
B+ Bus - Underhood Fuse Block
TBC, TBC 2, TBC 3, TBC 4, RADIO BAT, RR DEF/HTD MIR, FLASHER and RFA Fuses, PWR SEAT Circuit Breaker
Data Link Connector (DLC)
OnStar Schematics
G303 and G304
Figure 2:

Rear Speaker Outputs - UK6


Object Number: 1276426  Size: FS
Master Electrical Component List
Radio/Audio System Description and Operation
Rear Speaker Outputs - w/o UK6
Power, Ground, Serial Data, Antenna and Front Speaker Outputs
I/P Dimming Supply Voltage 2 of 3
G303 and G304
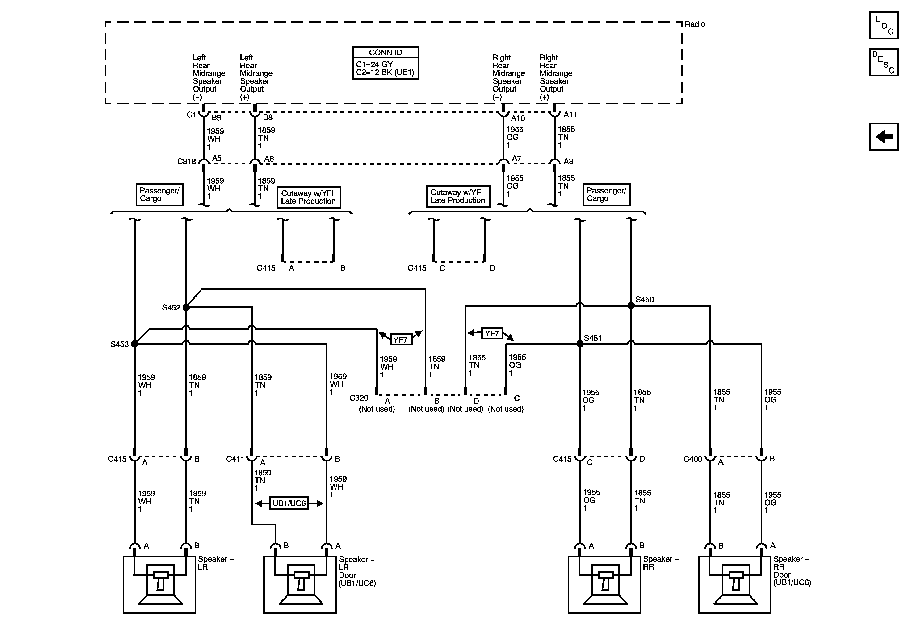
Figure 3:

Rear Speaker Outputs - w/o UK6


Object Number: 1276429  Size: FS
Master Electrical Component List
Radio/Audio System Description and Operation
Rear Speaker Outputs - UK6