GM Service Manual Online
For 1990-2009 cars only
Makes
🢒
Chevrolet
🢒
2004
🢒
Express
🢒
Accessories
🢒
Keyless Entry
🢒 Keyless Entry Schematics
Master Electrical Component List
Keyless Entry System Description and Operation
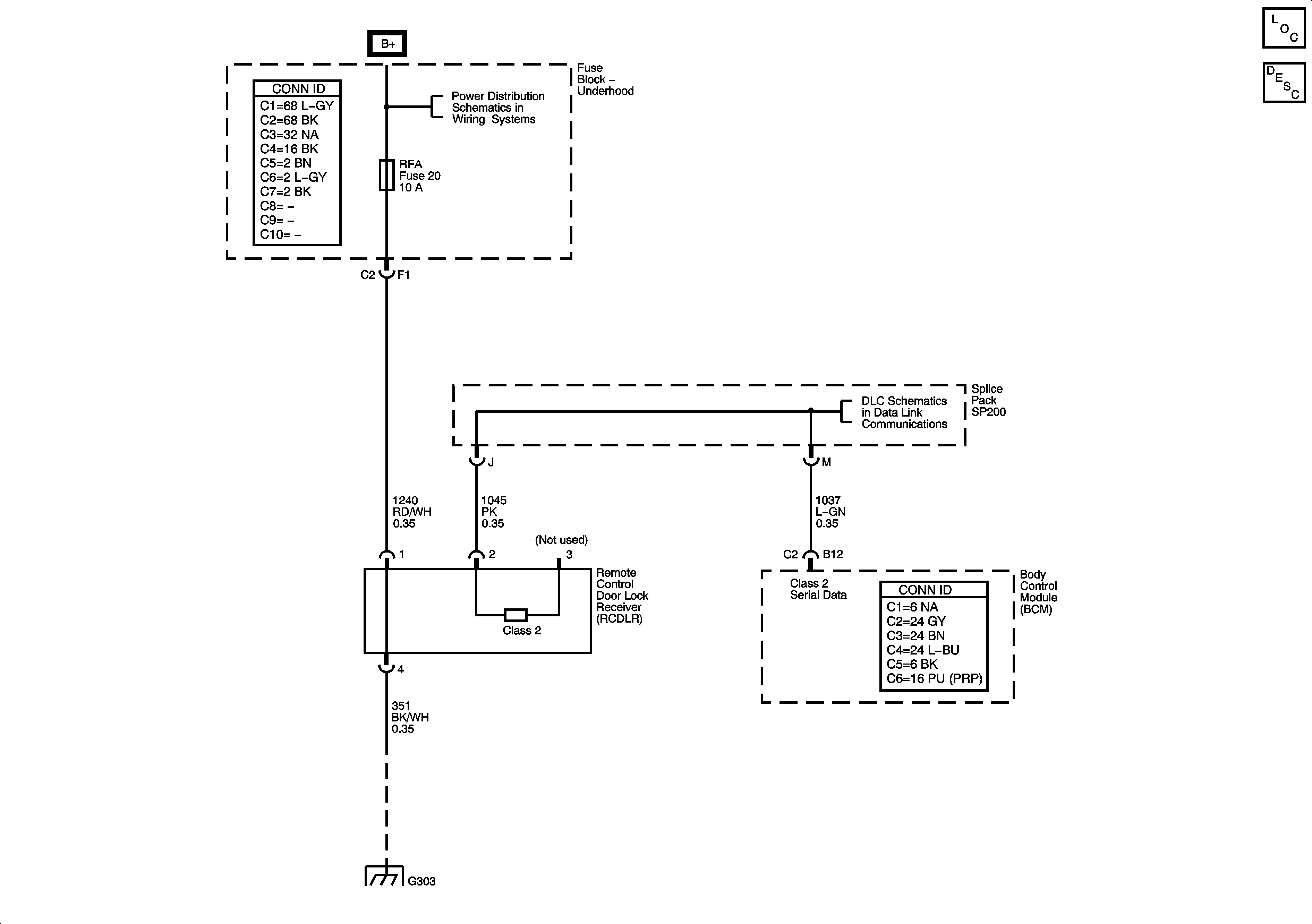
B+ Bus - Underhood Fuse Block
Data Link Connector (DLC)
G303 and G304