GM Service Manual Online
For 1990-2009 cars only
Makes
🢒
Chevrolet
🢒
2004
🢒
Express
🢒
Accessories
🢒
Theft Deterrent
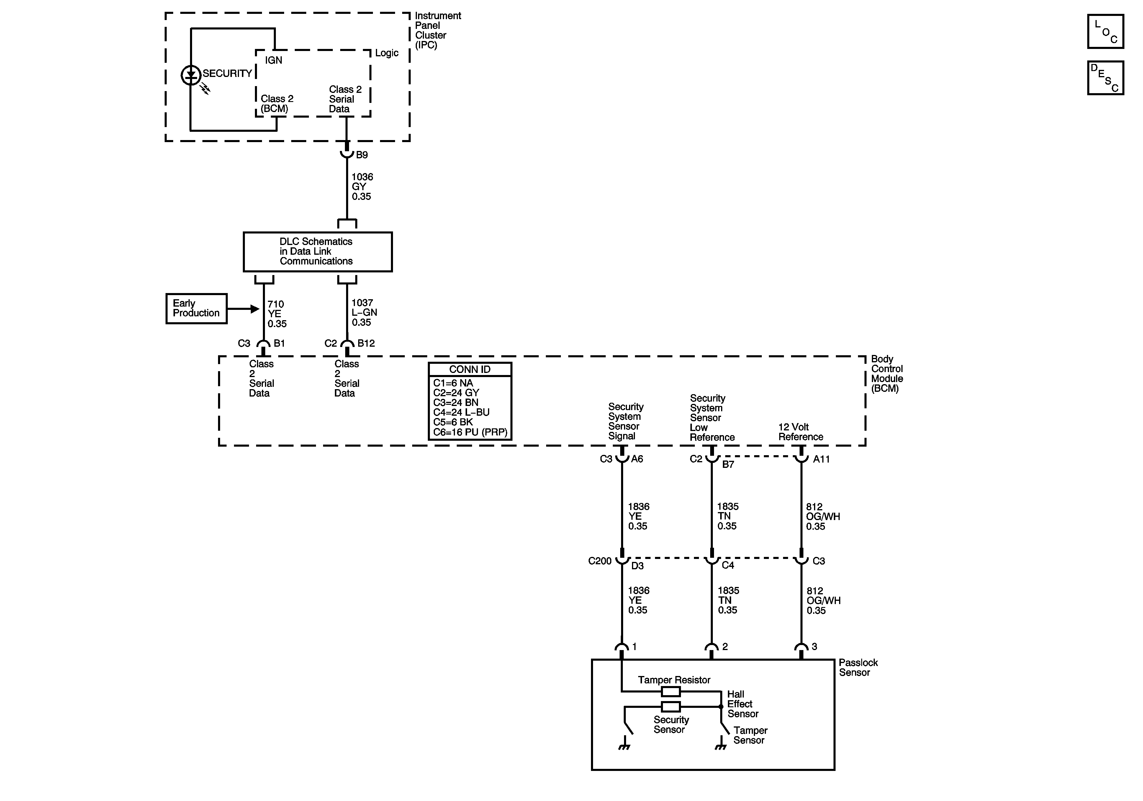
🢒 Theft Deterrent System Schematics
Master Electrical Component List
Theft Systems Description and Operation
Data Link Connector (DLC)