GM Service Manual Online
For 1990-2009 cars only

Brake Pressure Modulator Valve Replacement w/JL4

Removal Procedure

    Caution: Refer to Brake Fluid Irritant Caution in the Preface section.

    Notice: Refer to Brake Fluid Effects on Paint and Electrical Components Notice in the Preface section.

    Important: The area around the electric hydraulic control unit (EHCU) MUST be free from loose dirt to prevent contamination of disassembled ABS components.

  1. Thoroughly wash all contaminants from around the EHCU.
  2. Disconnect the electrical harness connectors from the electronic brake control module (EBCM).
  3. Important: Make sure that brake lines are tagged and kept in order for proper reassembly.

  4. Disconnect the brake lines from the brake pressure modulator valve (BPMV).

  5. Object Number: 1209091  Size: SH
  6. Remove the bolts securing the EHCU mounting bracket to the frame rail.
  7. Remove the EHCU from the vehicle.

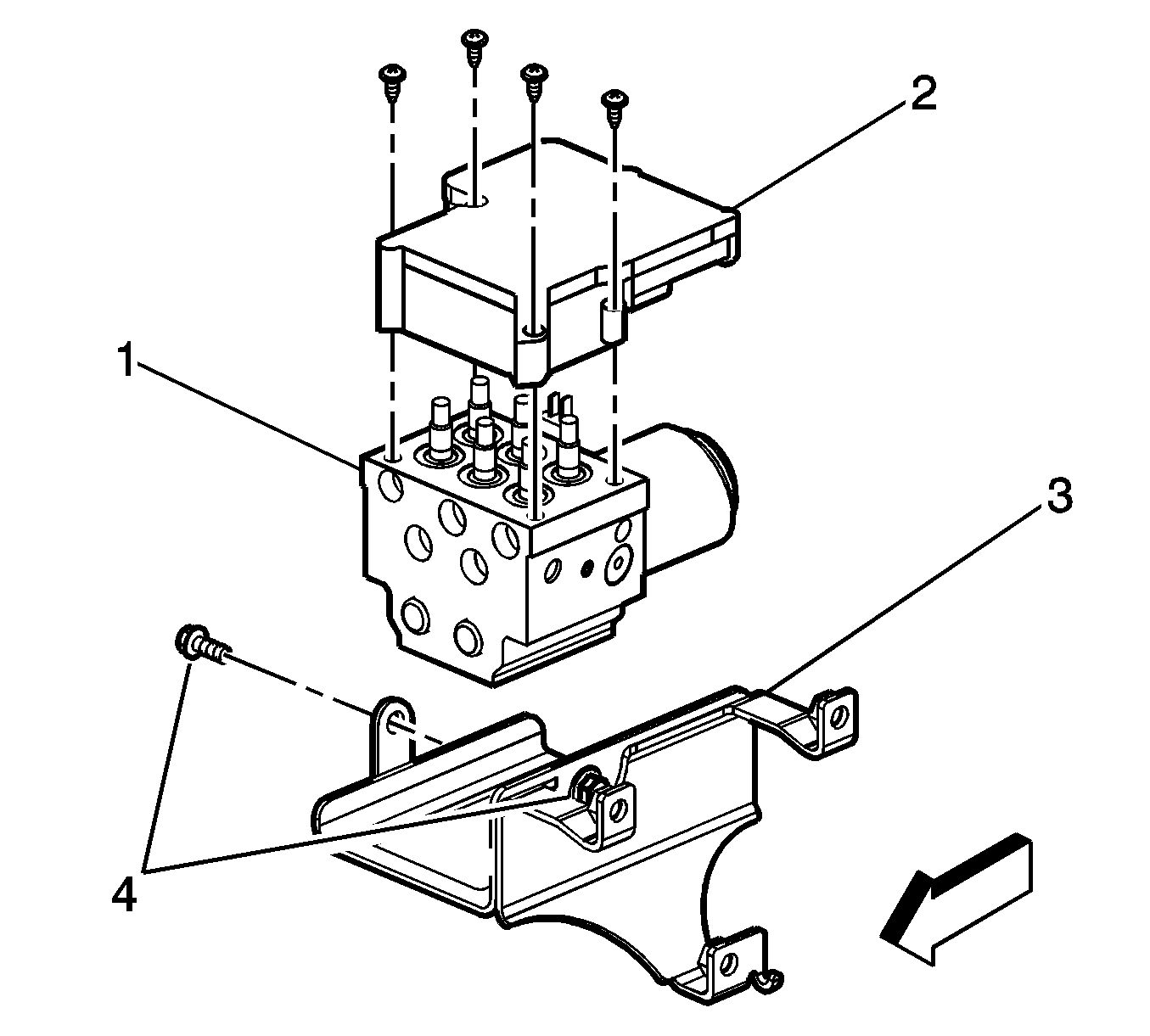
  8. Object Number: 1381552  Size: SH
  9. Remove the bolts (4) securing the BPMV (1) to the EHCU mounting bracket (3) .
  10. Disconnect the 2-way ABS pump motor connector.
  11. Important: Do not reuse the EBCM mounting bolts. Always install new bolts.

  12. Remove the bolts from the EBCM (2).
  13. Important: Do not use a tool to pry the EBCM or the BPMV. Excessive force will damage the EBCM.

  14. Remove the EBCM (2) from the BPMV (1). Removal may require a light amount of force.
  15. Clean the EBCM to BPMV mounting surfaces with a clean cloth.

Installation Procedure


    Object Number: 1381552  Size: SH

    Important: Do not use RTV or any other type of sealant on the EBCM gasket or mating surfaces.

  1. Install the EBCM (2) onto BPMV (1).
  2. Notice: Refer to Fastener Notice in the Preface section.

    Important: Do not reuse the old mounting bolts. Always install new EBCM bolts with the new BPMV.

  3. Install the EBCM bolts.
  4. Tighten
    Tighten the bolts to 5 N·m (44 lb in) in an X-pattern.

  5. Connect the 2-way ABS pump motor connector to the EBCM.
  6. Install the BPMV (1) to EHCU bracket (3).
  7. Install the BPMV (1) to bracket retaining bolts (4).
  8. Tighten
    Tighten the bolts to 9 N·m (80 lb in).


    Object Number: 1209091  Size: SH
  9. Install the EHCU to the vehicle frame.
  10. Tighten
    Tighten the 3 EHCU bracket bolts to 25 N·m (18 lb ft).

  11. Connect the 2 electrical harness connectors to the EBCM.
  12. Important: The brake pipes are held in place by a plastic bracket mounted to the frame. Make sure that the brake pipes stay in the correct place for proper reassembly.

  13. Install the brake pipes to the BPMV.
  14. Tighten
    Tighten the brake pipe fittings to 30 N·m (22 lb ft).

  15. Bleed the brake system. Refer to Hydraulic Brake System Bleeding .
  16. Bleed the brake system. Refer to Antilock Brake System Automated Bleed Procedure .

Brake Pressure Modulator Valve Replacement w/o JL4

Removal Procedure

    Caution: Refer to Brake Fluid Irritant Caution in the Preface section.

    Notice: Refer to Brake Fluid Effects on Paint and Electrical Components Notice in the Preface section.

    Important: The area around the electric hydraulic control unit (EHCU) MUST be free from loose dirt to prevent contamination of disassembled ABS components.

  1. Thoroughly wash all contaminants from around the EHCU.

  2. Object Number: 1209085  Size: SH
  3. For cutaway vehicles, remove the splash shield.
  4. For AWD vehicles, remove the torsion bar. Refer to Torsion Bar and Support Assembly Replacement .
  5. Disconnect the electrical harness connectors from the electronic brake control module (EBCM).
  6. Important: Make sure that brake lines are tagged and kept in order for proper reassembly.

  7. Disconnect the brake lines from the brake pressure modulator valve (BPMV).

  8. Object Number: 1209091  Size: SH
  9. Remove the bolts securing the EHCU mounting bracket to the frame rail.
  10. Remove the EHCU from the vehicle.

  11. Object Number: 1201261  Size: SH
  12. Remove the bolts (4) securing the BPMV (1) to the EHCU mounting bracket (3) .
  13. Disconnect the 2-way ABS pump motor connector.
  14. Important: Do not reuse the EBCM mounting bolts. Always install new bolts.

  15. Remove the bolts from the EBCM (2).
  16. Important: Do not use a tool to pry the EBCM or the BPMV. Excessive force will damage the EBCM.

  17. Remove the EBCM (2) from the BPMV (1). Removal may require a light amount of force.
  18. Clean the EBCM to BPMV mounting surfaces with a clean cloth.

Installation Procedure


    Object Number: 1201261  Size: SH

    Important: Do not use RTV or any other type of sealant on the EBCM gasket or mating surfaces.

  1. Install the EBCM (2) onto BPMV (1).
  2. Notice: Refer to Fastener Notice in the Preface section.

    Important: Do not reuse the old mounting bolts. Always install new EBCM bolts with the new BPMV.

  3. Install the EBCM bolts.
  4. Tighten
    Tighten the bolts to 5 N·m (44 lb in) in an X-pattern.

  5. Connect the 2-way ABS pump motor connector to the EBCM.
  6. Install the BPMV (1) to EHCU bracket (3).
  7. Install the BPMV (1) to bracket retaining bolts (4).
  8. Tighten
    Tighten the bolts to 9 N·m (80 lb in).


    Object Number: 1209091  Size: SH
  9. Install the EHCU to the vehicle frame.
  10. Tighten
    Tighten the 3 EHCU bracket bolts to 25 N·m (18 lb ft).

  11. Connect the 2 electrical harness connectors to the EBCM.
  12. Important: The brake pipes are held in place by a plastic bracket mounted to the frame. Make sure that the brake pipes stay in the correct place for proper reassembly.

  13. Install the 5 brake pipes to the BPMV.
  14. Tighten
    Tighten the brake pipe fittings to 30 N·m (22 lb ft).

  15. Install the torsion bar. Refer to Torsion Bar and Support Assembly Replacement .

  16. Object Number: 1209085  Size: SH
  17. For cutaway vehicles, install the splash shield.
  18. Bleed the brake system. Refer to Hydraulic Brake System Bleeding .
  19. Bleed the brake system. Refer to Antilock Brake System Automated Bleed Procedure .