GM Service Manual Online
For 1990-2009 cars only
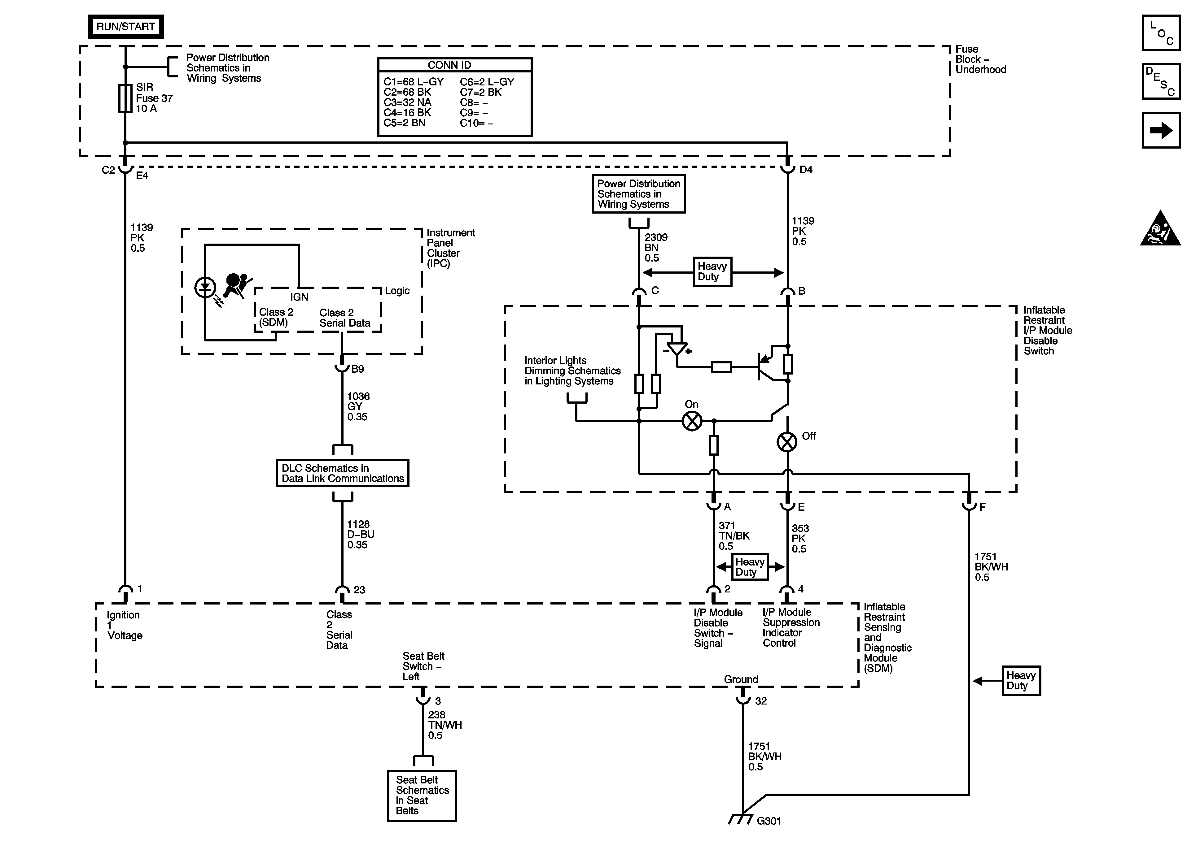
Figure 1:

Module Power, Ground, Serial Data, Indicator and Disable Switch


Object Number: 1264045  Size: FS
Master Electrical Component List
SIR System Description and Operation
Air Bag Modules and Position Switches
SIR Caution for Zoning
IGN B Fuse, ACCY/RUN and RUN/START Bus Bars
Data Link Connector (DLC)
FR PRK, LR PRK, RR PRK, TRLR PRK, UPFTR PRK Fuses
I/P Dimming Supply Voltage 1 of 3 and LED Dimming Supply Voltage
Seat Belt Schematics
Figure 2:

Air Bag Modules and Position Sensors


Object Number: 1264050  Size: FS
Master Electrical Component List
SIR System Description and Operation
Module Power, Ground, Serial Data, Indicator and Disable Switch
SIR Caution for Zoning
SIR Schematic Icons
SIR Schematic Icons
SIR Schematic Icons
SIR Schematic Icons
SIR Schematic Icons
SIR Schematic Icons
SIR Schematic Icons
SIR Schematic Icons
SIR Schematic Icons
SIR Schematic Icons