GM Service Manual Online
For 1990-2009 cars only
Makes
🢒
Chevrolet
🢒
2004
🢒
Express
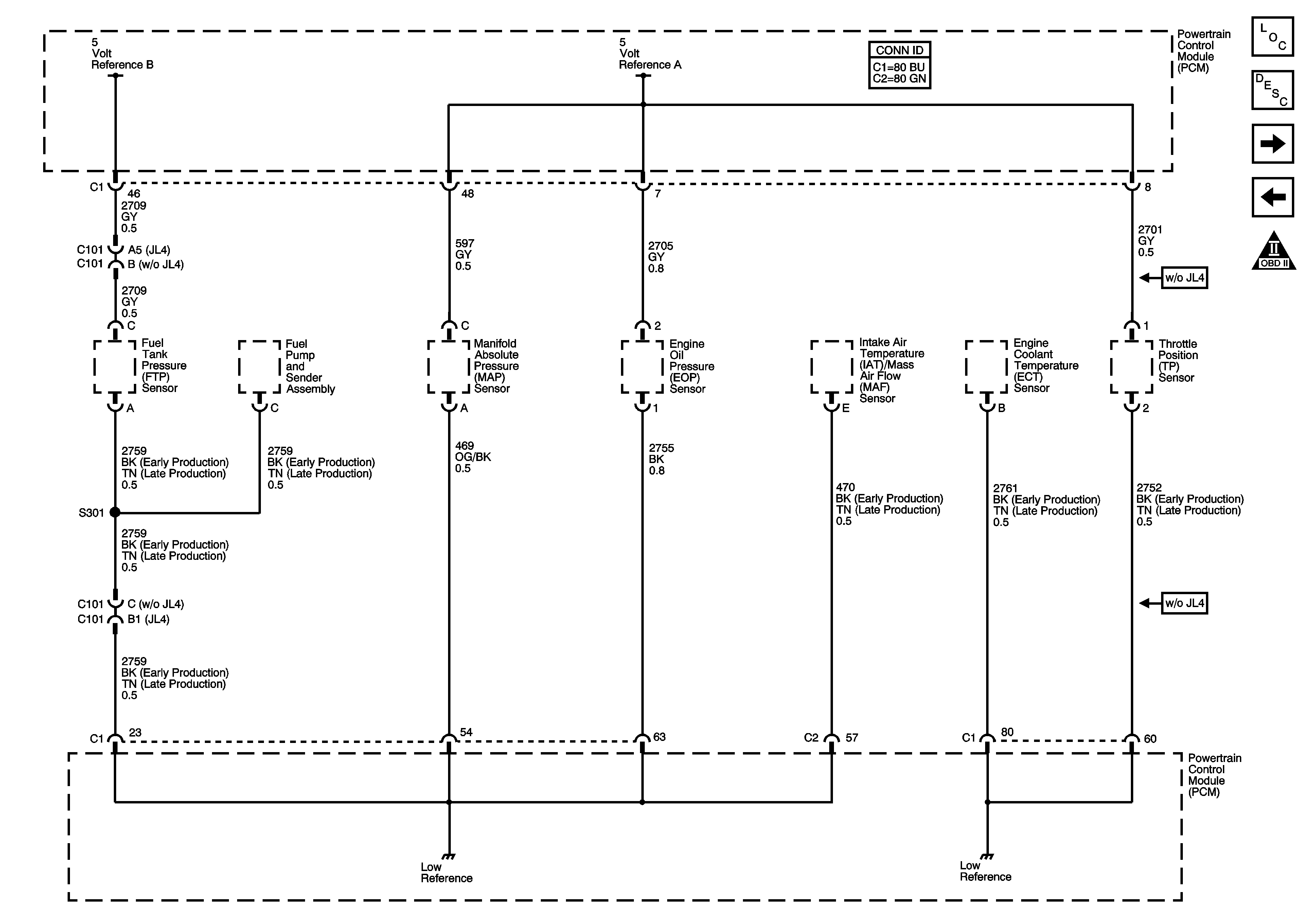
🢒 5 Volt and Low Reference
5 Volt and Low Reference
5-Volt Reference
Master Electrical Component List
Powertrain Control Module Description
Engine Data Sensors - Pressure,Temperature and Position
Module Power, Ground, Serial Data and MIL
OBD II Symbol Description Notice