GM Service Manual Online
For 1990-2009 cars only
Makes
🢒
Chevrolet
🢒
2004
🢒
Express
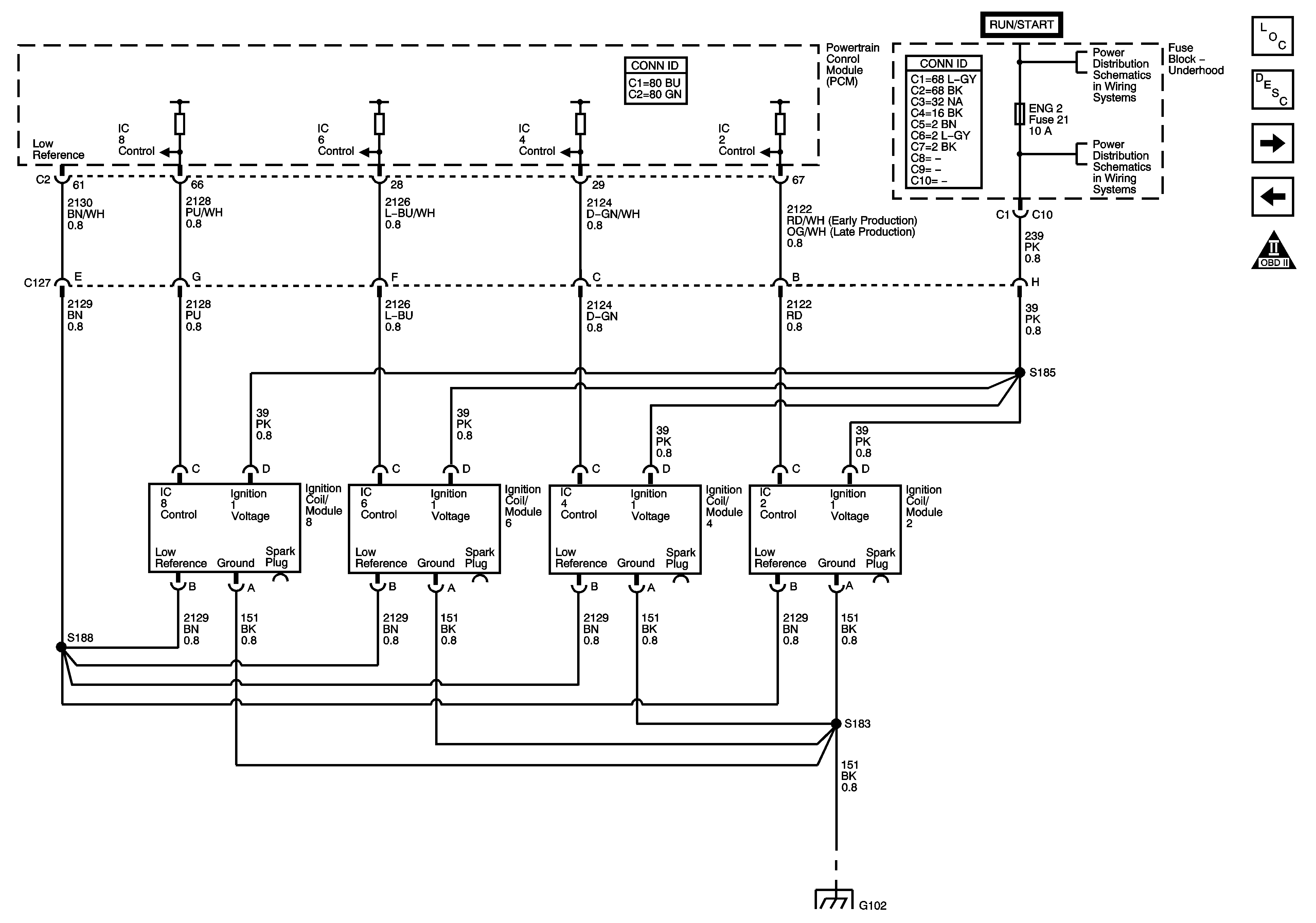
🢒 Ignition Controls - Ignition System Coils 2,4,6,8
Ignition Controls - Ignition System Coils 2,4,6,8
Ignition Controls - Ignition System Coils 2, 4, 6, 8
Master Electrical Component List
Powertrain Control Module Description
Fuel Controls - Fuel Pump Controls
Ignition Controls - Ignition System Coils 1,3,5,7
OBD II Symbol Description Notice
ENG 1 and ENG 2 Fuses - 4.8L, 5.3L and 6.0L
ENG 1 and ENG 2 Fuses - 4.8L, 5.3L and 6.0L
G102