GM Service Manual Online
For 1990-2009 cars only
Makes
🢒
Chevrolet
🢒
2004
🢒
Express
🢒 Fuel Controls - Fuel Injectors
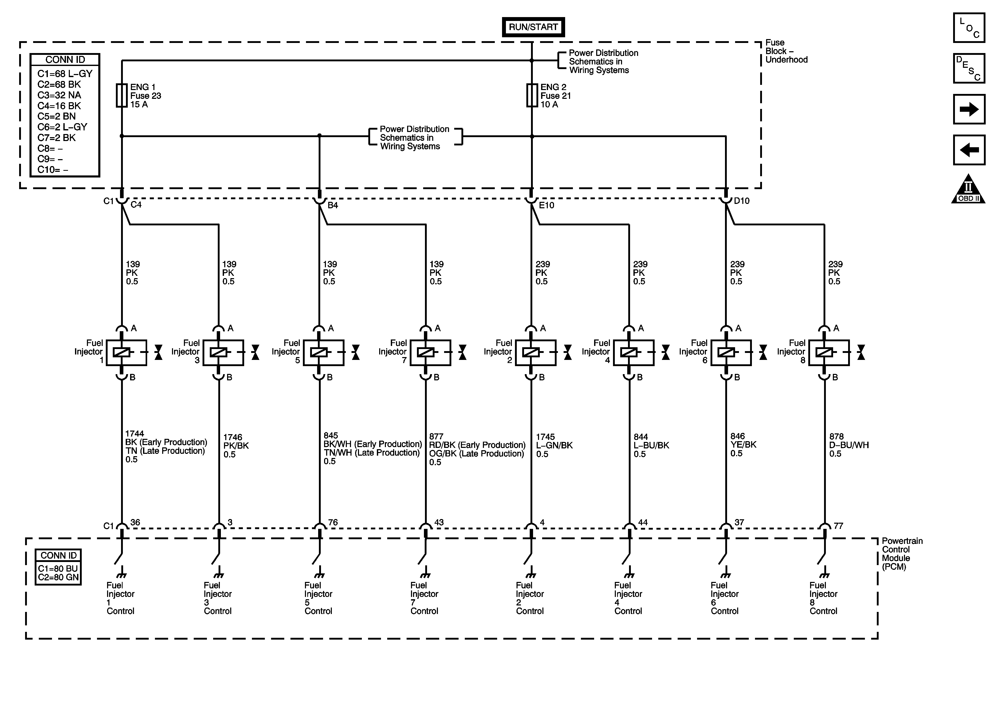
Fuel Controls - Fuel Injectors
Fuel Controls - Fuel Injectors
Master Electrical Component List
Powertrain Control Module Description
Fuel Controls - EVAP and Device Controls
Fuel Controls - Fuel Pump Controls
OBD II Symbol Description Notice
IGN B Fuse, ACCY/RUN and RUN/START Bus Bars
ENG 1 and ENG 2 Fuses - 4.8L, 5.3L and 6.0L