GM Service Manual Online
For 1990-2009 cars only
Makes
🢒
Chevrolet
🢒
2004
🢒
Express
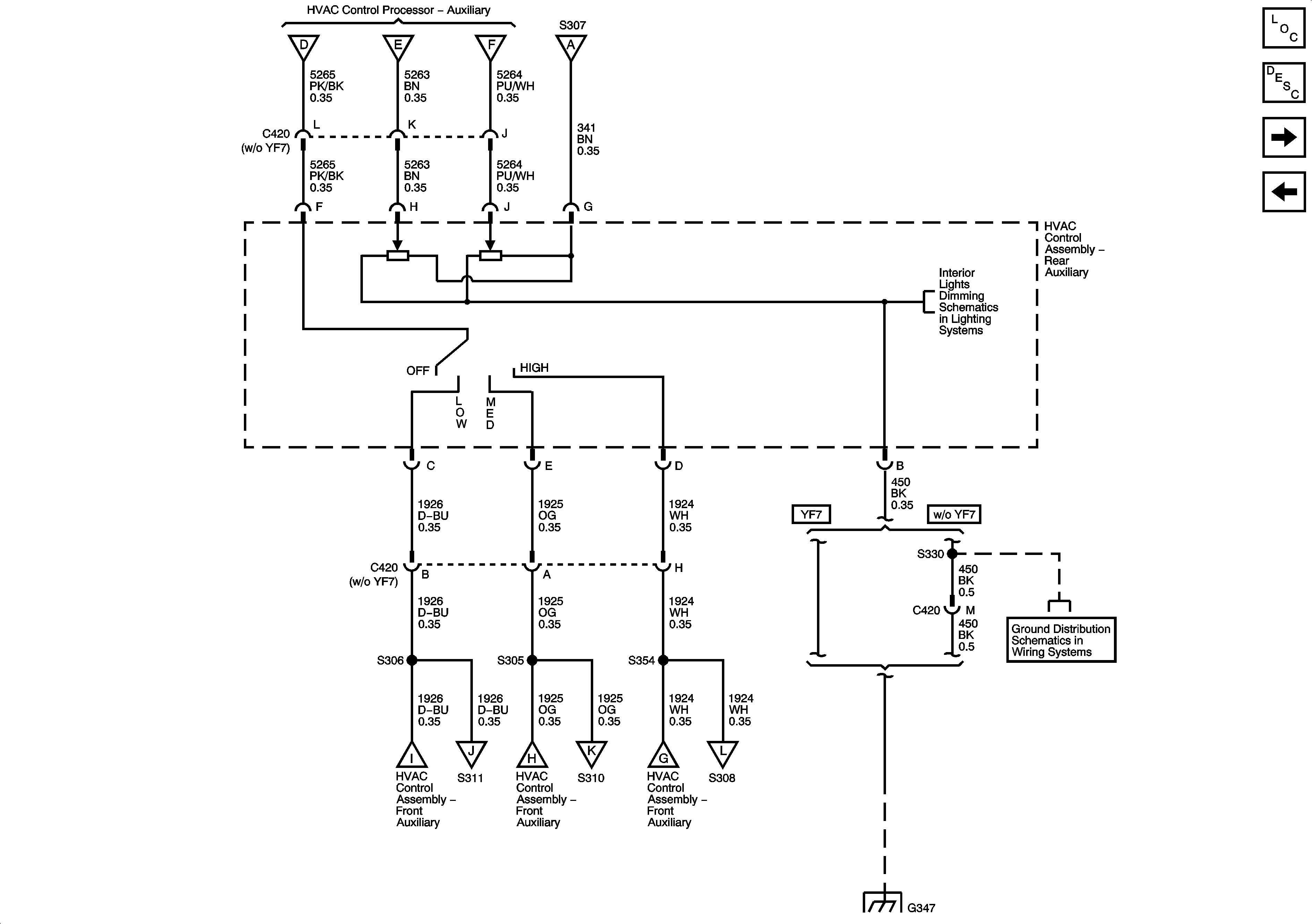
🢒 Rear HVAC with Rear Auxiliary Controls 2 of 3 - C69
Rear HVAC with Rear Auxiliary Controls 2 of 3 - C69
Rear HVAC with Rear Auxiliary Controls 2 of 3 - C69
Master Electrical Component List
Air Temperature Description and Operation
Rear HVAC with Rear Auxiliary Controls 3 of 3 - C69
Rear HVAC with Rear Auxiliary Controls 1 of 3 - C69
Rear HVAC with Rear Auxiliary Controls 1 of 3 - C69
Rear HVAC with Rear Auxiliary Controls 1 of 3 - C69
I/P Dimming Supply Voltage 3 of 3
G347 - 3 of 3
Rear HVAC with Rear Auxiliary Controls 1 of 3 - C69
Rear HVAC with Rear Auxiliary Controls 3 of 3 - C69
Rear HVAC with Rear Auxiliary Controls 1 of 3 - C69
Rear HVAC with Rear Auxiliary Controls 3 of 3 - C69
Rear HVAC with Rear Auxiliary Controls 1 of 3 - C69
Rear HVAC with Rear Auxiliary Controls 3 of 3 - C69
G347 - 3 of 3