GM Service Manual Online
For 1990-2009 cars only
Makes
🢒
Chevrolet
🢒
2004
🢒
Express
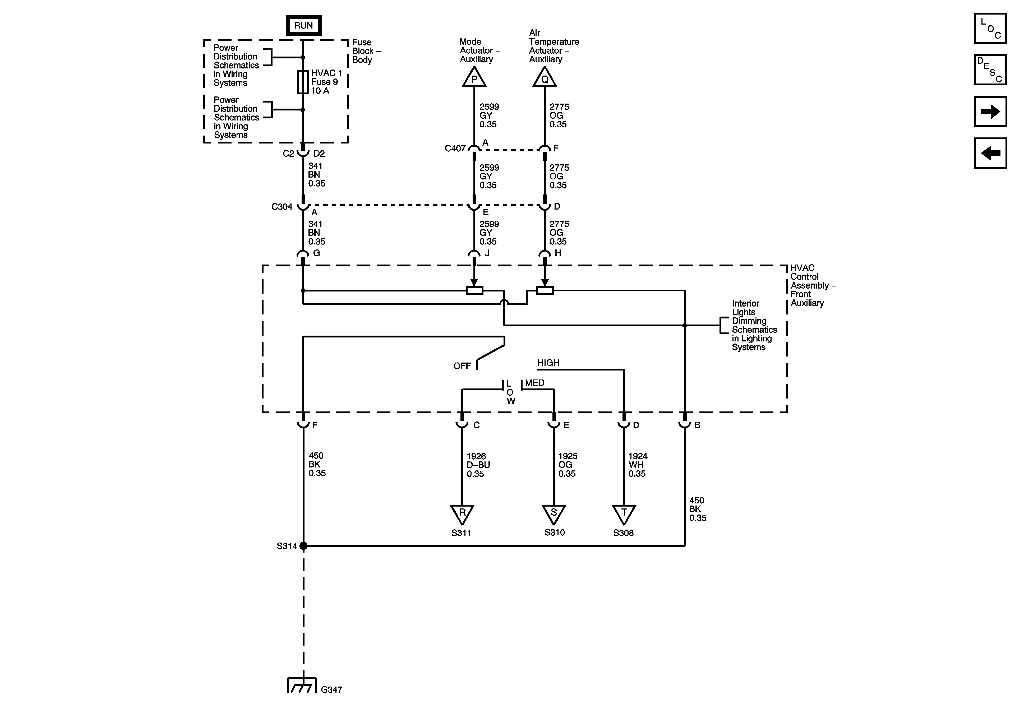
🢒 Rear HVAC w/o Rear Auxiliary Controls 1 of 2 - C69
Rear HVAC w/o Rear Auxiliary Controls 1 of 2 - C69
Rear HVAC w/o Rear Auxiliary Controls 1 of 2 - C69
Master Electrical Component List
Air Temperature Description and Operation
Rear HVAC w/o Rear Auxiliary Controls 2 of 2 - C69
Rear HVAC with Rear Auxiliary Controls 3 of 3 - C69
IGN A Fuse, Start, ACCY/RUN/START and RUN Bus Bars
HVAC 1 Fuse
Rear HVAC w/o Rear Auxiliary Controls 2 of 2 - C69
Rear HVAC w/o Rear Auxiliary Controls 2 of 2 - C69
Rear HVAC w/o Rear Auxiliary Controls 2 of 2 - C69
Rear HVAC w/o Rear Auxiliary Controls 2 of 2 - C69
Rear HVAC w/o Rear Auxiliary Controls 2 of 2 - C69
I/P Dimming Supply Voltage 3 of 3
G347 - 3 of 3