GM Service Manual Online
For 1990-2009 cars only
Makes
🢒
Chevrolet
🢒
2004
🢒
Express
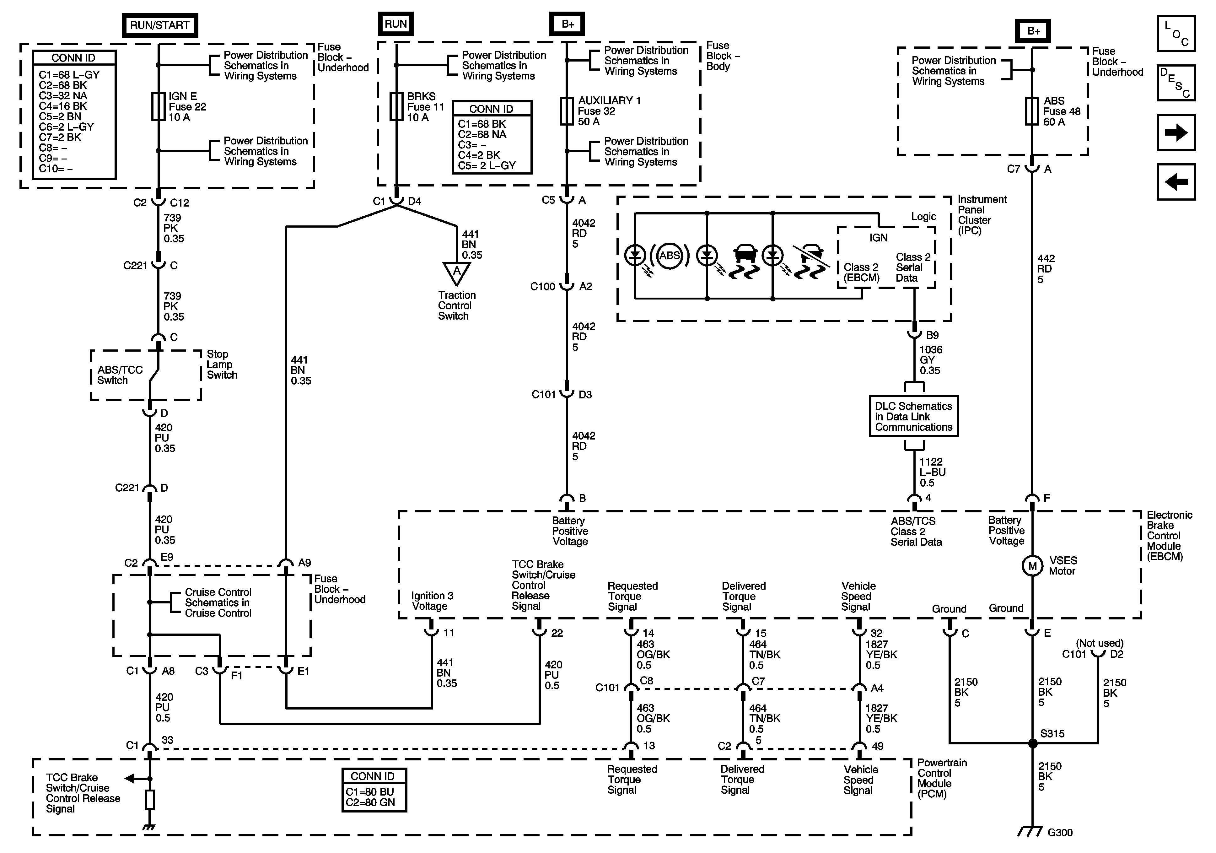
🢒 Power, Ground, Serial Data, Indicator, VSS and Stop Lamp Switch - JL4
Power, Ground, Serial Data, Indicator, VSS and Stop Lamp Switch - JL4
Power, Ground, Serial Data, Indicator, VSS and Stop Lamp Switch - JL4
Master Electrical Component List
ABS Description and Operation W/O JL4
Wheel Speed Sensors - JL4
Wheel Speed Sensors and VSS - w/o VSES
IGN B Fuse, ACCY/RUN and RUN/START Bus Bars
Spare, IGN E, SIR, TBC IGN 1 and ISRV Fuses
IGN A Fuse, Start, ACCY/RUN/START and RUN Bus Bars
B+ Bus - Body Fuse Block
RR Blower, AUXILIARY 1, OSRVM and SPARE Fuses, PWR WND Circuit Breaker
PCM BAT, ABS, TRLR, BLOW, STOP LP, IPC AUX PWR and CIGAR Fuses
TBC, TBC 2, TBC 3, TBC 4, RADIO BAT, RR DEF/HTD MIR, FLASHER and RFA Fuses, PWR SEAT Circuit Breaker
JL4
Data Link Connector (DLC)