GM Service Manual Online
For 1990-2009 cars only
Makes
🢒
Chevrolet
🢒
2004
🢒
Express
🢒 Power Window Schematics
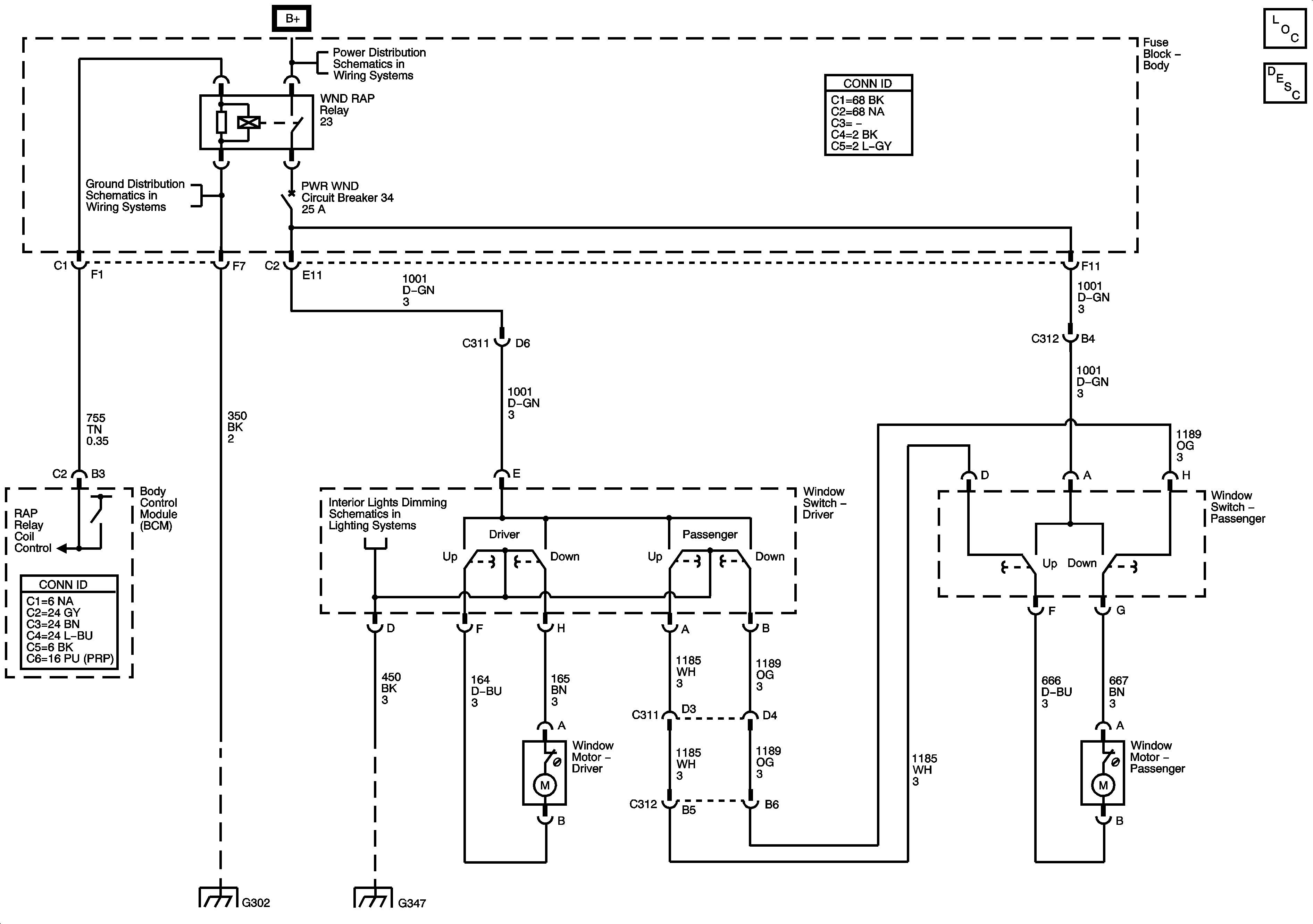
Power Window Schematics
Master Electrical Component List
Power Windows Description and Operation
B+ Bus - Body Fuse Block
G103, G104, G105, G106, G300 and G301
I/P Dimming Supply Voltage 2 of 3
G302
G347 - 1 of 3