GM Service Manual Online
For 1990-2009 cars only
Makes
🢒
Chevrolet
🢒
2004
🢒
Express
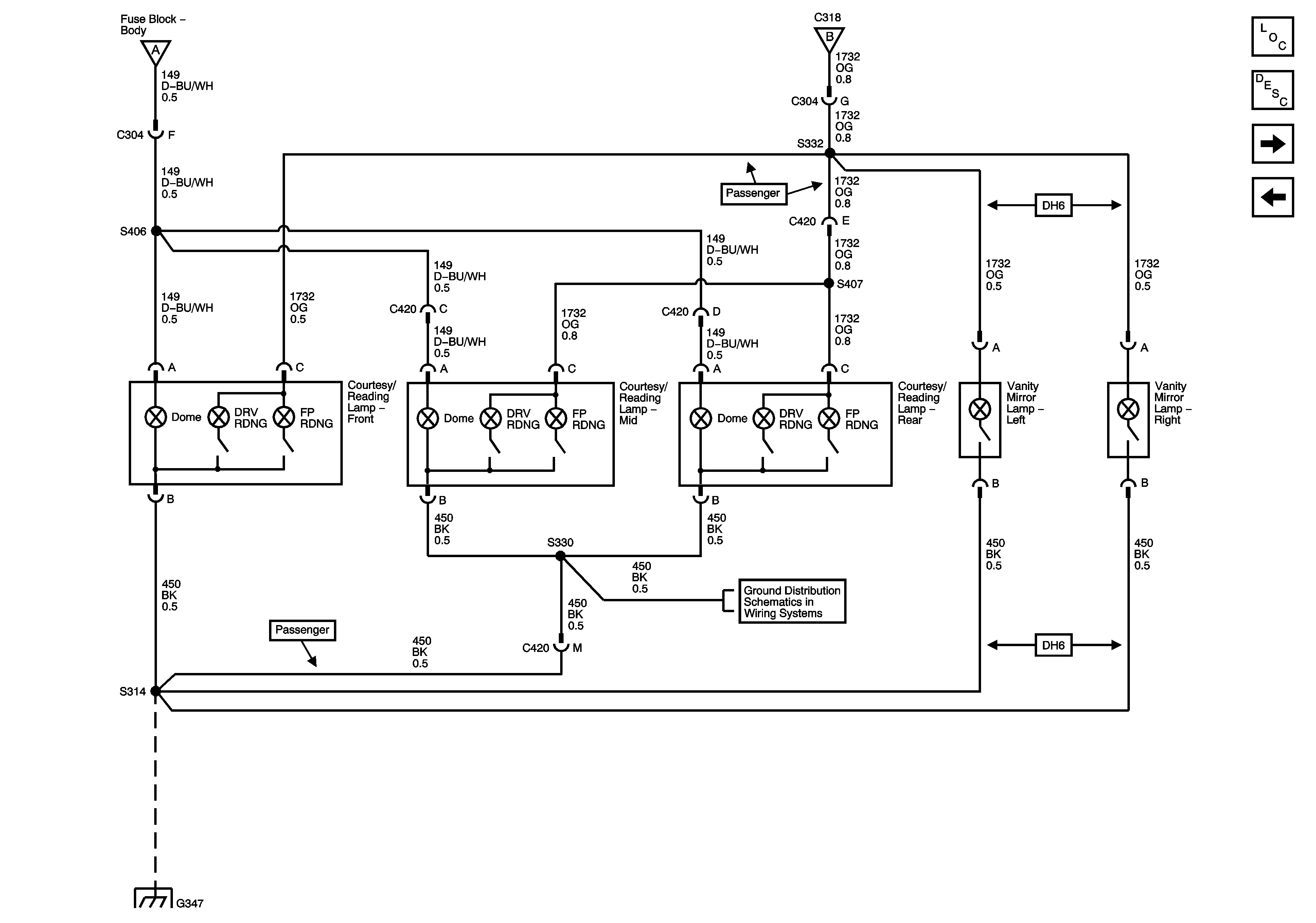
🢒 Courtesy Lamps - w/o YF7 - 2 of 2
Courtesy Lamps - w/o YF7 - 2 of 2
Courtesy Lamps - w/o YF7 - 2 of 2
Master Electrical Component List
Interior Lighting Systems Description and Operation
Underhood/Vanity Lamps and Rear Door Jamb Switches
Courtesy Lamps - w/o YF7 - 1 of 2
Courtesy Lamps - w/o YF7 - 1 of 2
Underhood/Vanity Lamps and Rear Door Jamb Switches
G347 - 3 of 3
G347 - 3 of 3