GM Service Manual Online
For 1990-2009 cars only
Makes
🢒
Chevrolet
🢒
2004
🢒
Express
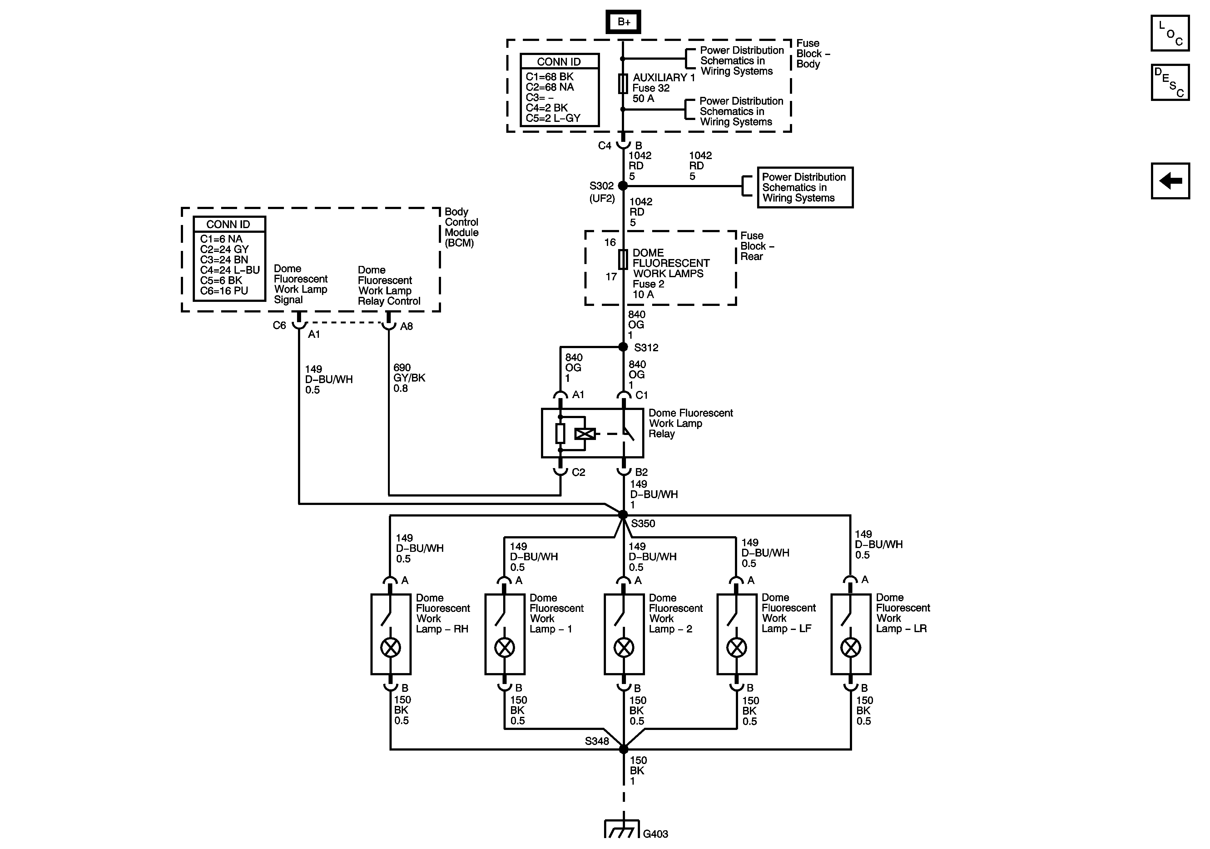
🢒 Dome Fluorescent Work Lamps - PRP w/UF2
Dome Fluorescent Work Lamps - PRP w/UF2
Dome Fluorescent Work Lamps - PRP w/UF2
Master Electrical Component List
Interior Lighting Systems Description and Operation
Underhood/Vanity Lamps and Rear Door Jamb Switches
B+ Bus - Body Fuse Block
RR Blower, AUXILIARY 1, OSRVM and SPARE Fuses, PWR WND Circuit Breaker
RR Blower, AUXILIARY 1, OSRVM and SPARE Fuses, PWR WND Circuit Breaker
G402 - Passenger/Cargo and G403 - PRP