GM Service Manual Online
For 1990-2009 cars only

Removal Procedure

    Important: The intake manifold, throttle body, fuel rail, and injectors may be removed as an assembly. If not servicing the individual components, remove the manifold as a complete assembly.

  1. Remove the throttle body. Refer to Throttle Body Assembly Replacement .
  2. Remove the fuel injectors. Refer to Fuel Injector Replacement .

  3. Object Number: 679510  Size: SH
  4. Disconnect the following electrical connectors:
  5. • Manifold absolute pressure (MAP) sensor (1)
    • Knock sensor (2)
  6. Remove the knock sensor harness electrical connector from the intake manifold.
  7. Set the electrical harness aside.

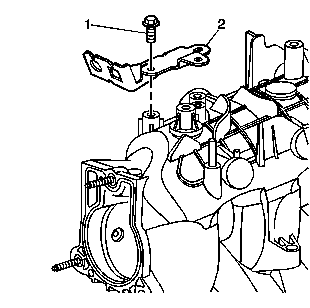
  8. Object Number: 1201537  Size: SH
  9. Remove the positive crankcase ventilation (PCV) hose.

  10. Object Number: 260159  Size: SH
  11. Remove the MAP sensor (1) from the intake manifold.

  12. Object Number: 492765  Size: SH
  13. Remove the accelerator control cable bracket bolts (1).
  14. Remove the accelerator control cable bracket (2) from the intake manifold.

  15. Object Number: 372717  Size: SH
  16. Remove the evaporative emission (EVAP) purge solenoid vent tube by performing the following:
  17. 10.1. Remove the EVAP tube end (2) from the solenoid (1).
    10.2. Squeeze the EVAP pipe quick connect fitting (3) retainer together.
    10.3. Remove the EVAP tube end (3) from the vapor pipe.

    Object Number: 389993  Size: SH
  18. Remove the EVAP purge solenoid bolt (2), solenoid (3), and isolator (1) from the intake manifold.

  19. Object Number: 642285  Size: SH
  20. Remove the intake manifold bolts.
  21. Remove the intake manifold.

  22. Object Number: 492770  Size: SH
  23. Remove the intake manifold gaskets (1) from the intake manifold.
  24. Discard the old intake manifold gaskets.

Installation Procedure


    Object Number: 492770  Size: SH
  1. Install new intake manifold gaskets (1) to the intake manifold.

  2. Object Number: 642285  Size: SH
  3. Install the intake manifold.
  4. Apply a 5 mm (0.20 in) band of threadlock to the threads of the intake manifold bolts. Refer to Adhesives, Fluids, Lubricants, and Sealers for the correct part number.
  5. Notice: Refer to Fastener Notice in the Preface section.


    Object Number: 63222  Size: SH
  6. Install the intake manifold bolts.
  7. Tighten

    1. Tighten the intake manifold bolts a first pass in sequence to 5 N·m (44 lb in).
    2. Tighten the intake manifold bolts a final pass in sequence to 10 N·m (89 lb in).

    Object Number: 389993  Size: SH
  8. Install the EVAP purge solenoid (3), isolator (1), and bolt (2) to the intake manifold.
  9. Tighten
    Tighten the EVAP purge solenoid bolt to 10 N·m (89 lb in).


    Object Number: 372717  Size: SH
  10. Install the EVAP purge solenoid vent tube to the solenoid (1) and vapor pipe.

  11. Object Number: 492765  Size: SH
  12. Install the accelerator control cable bracket (2) to the intake manifold.
  13. Install the accelerator control cable bracket bolts (1).
  14. Tighten
    Tighten the accelerator control cable bracket bolts to 10 N·m (89 lb in).


    Object Number: 260159  Size: SH

    Important: Lightly coat the MAP sensor seal with clean engine oil before installing.

  15. Install the MAP sensor (1) to the intake manifold.

  16. Object Number: 1201537  Size: SH
  17. Install the PCV hose.

  18. Object Number: 679510  Size: SH
  19. Connect the knock sensor harness electrical connector to the intake manifold.
  20. Connect the following electrical connectors.
  21. • MAP sensor (1)
    • Knock sensor (2)
    • Exhaust gas recirculation (EGR) valve, if equipped
  22. Install the fuel injectors. Refer to Fuel Injector Replacement .
  23. Install the throttle body. Refer to Throttle Body Assembly Replacement .