GM Service Manual Online
For 1990-2009 cars only
Makes
🢒
Chevrolet
🢒
2005
🢒
Express
🢒
Body
🢒
Wiring Systems
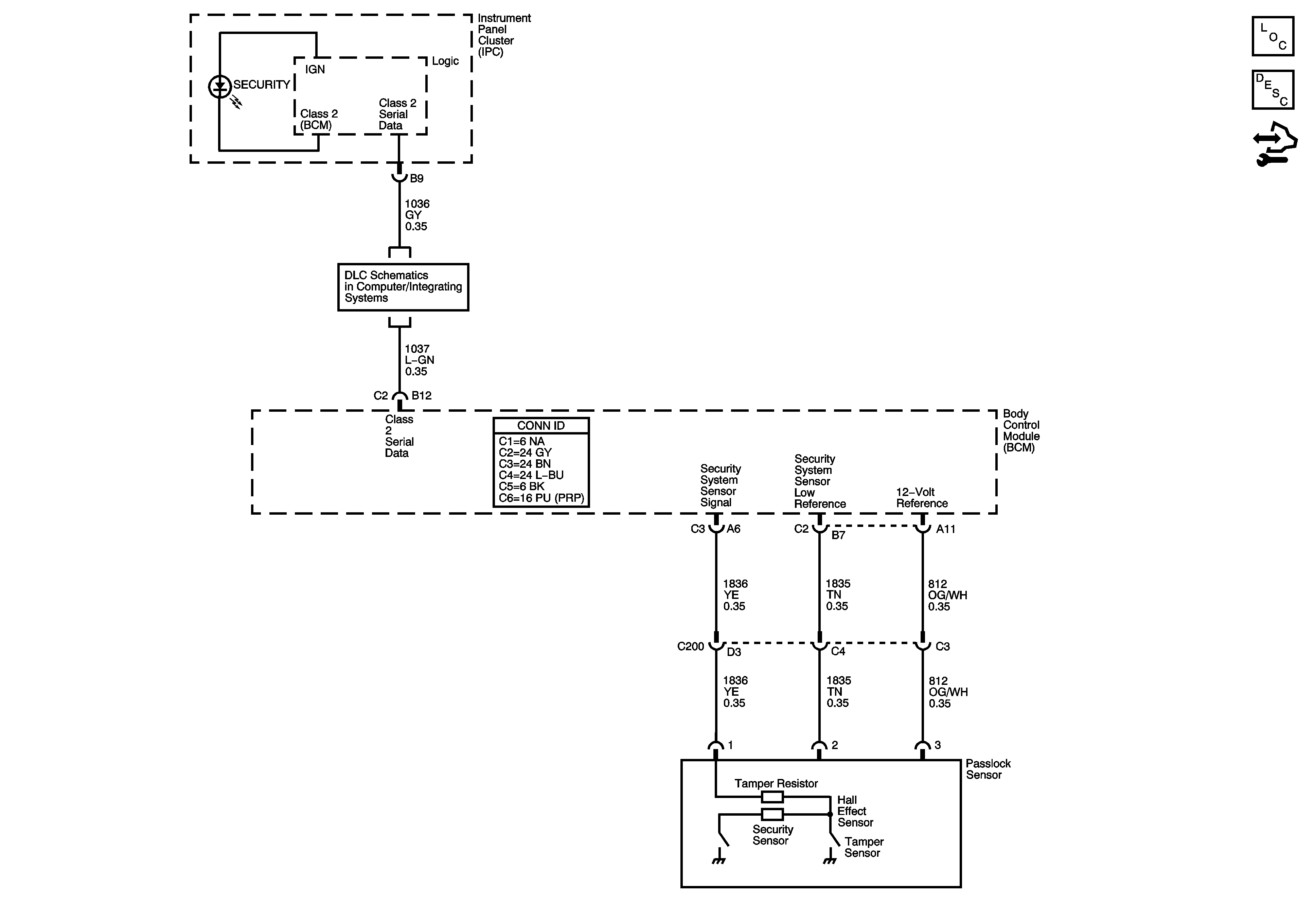
🢒 Theft Deterrent System Schematics
Master Electrical Component List
Vehicle Theft Deterrent (VTD) Description and Operation
Control Module References
Data Link Connector (DLC) Schematics