GM Service Manual Online
For 1990-2009 cars only

Electronic Brake Control Module Replacement w/JL4

Removal Procedure

Important: After installation, calibrate the new electronic brake control module (EBCM) to the tire size that is appropriate to the vehicle.

  1. Disconnect the negative battery cable. Refer to Battery Negative Cable Disconnection and Connection .
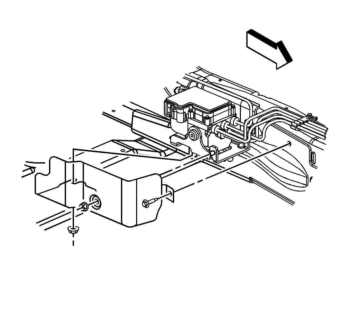
  2. Raise and suitably support the vehicle. Refer to Lifting and Jacking the Vehicle .

  3. Object Number: 924296  Size: SH

    Important: The area around the electric hydraulic control unit (EHCU) MUST be free from loose dirt to prevent contamination of disassembled ABS components.

  4. Thoroughly wash all contaminants from around the EHCU.

  5. Object Number: 1209085  Size: SH
  6. For cutaway vehicles, remove the splash shield.
  7. Disconnect the electrical connectors from the EBCM.

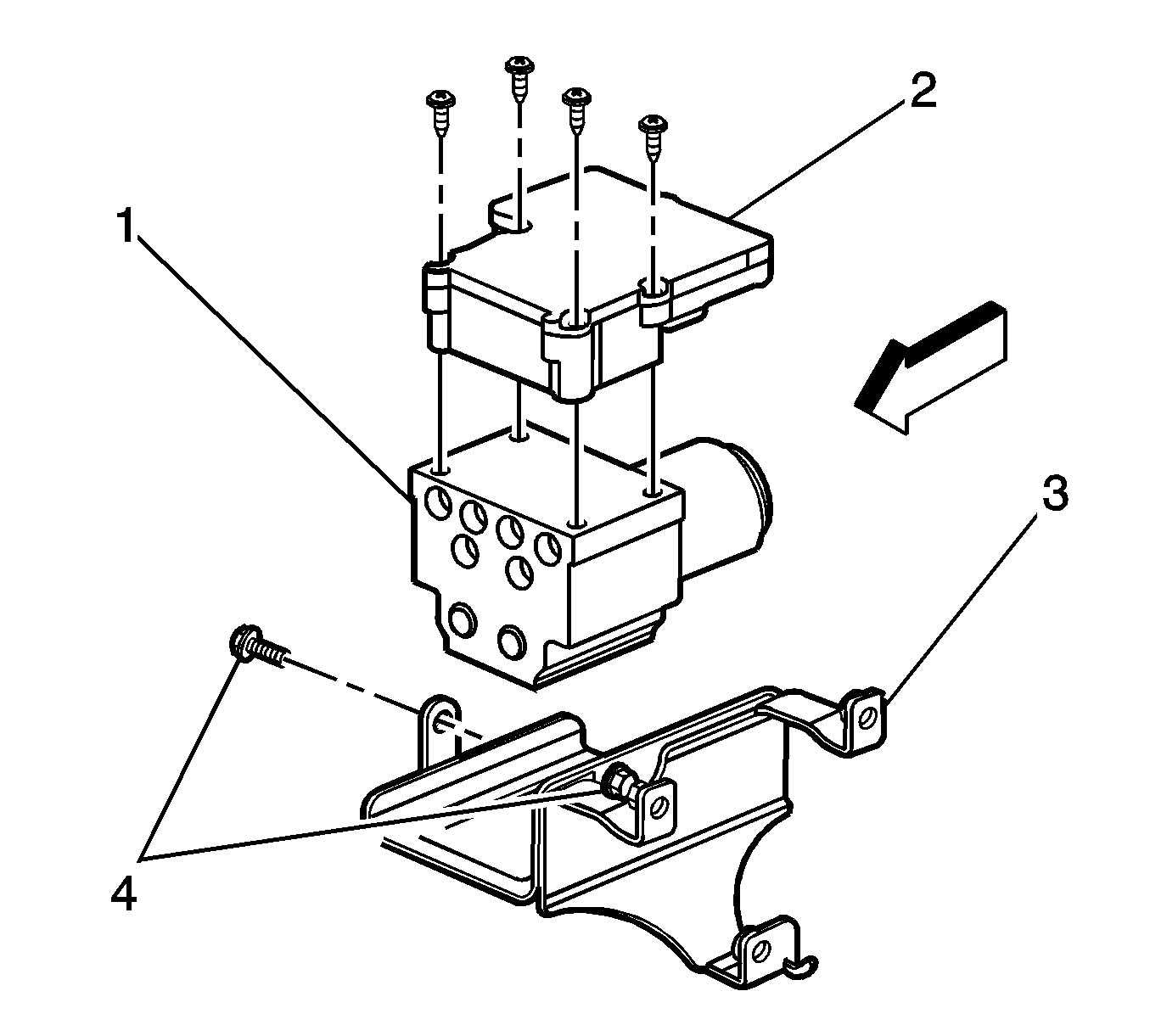
  8. Object Number: 1381552  Size: SH
  9. Remove the mounting screws that fasten the EBCM (2) to the brake pressure modulator valve (BPMV) (1).
  10. Remove the EBCM (2) from the BPMV (1). Removal may require a light amount of force.
  11. Clean the BPMV to EBCM mounting surfaces with a clean cloth.

Installation Procedure


    Object Number: 1381552  Size: SH

    Important: Do not use room temperature vulcanizing (RTV) or any other type of sealant on the EBCM gasket or mating surfaces.

  1. Install the EBCM (2) on to the BPMV (1).
  2. Notice: Refer to Fastener Notice in the Preface section.

  3. Install the screws to the EBCM (2).
  4. Tighten
    Tighten the screws to 5 N·m (44 lb in) in an X-pattern.


    Object Number: 924296  Size: SH
  5. Connect the electrical connectors to the EBCM.

  6. Object Number: 1209085  Size: SH
  7. For cutaway vehicles, install the splash shield.
  8. Tighten
    Tighten the splash shield bolts to 25 N·m (18 lb ft).

  9. Lower the vehicle.
  10. Connect the negative battery cable. Refer to Battery Negative Cable Disconnection and Connection .
  11. Revise the tire calibration using the Tire Size Calibration function.
  12. Verify correct system operation. Refer to Diagnostic Starting Point - Antilock Brake System .
  13. Refer to Control Module References for programming and setup information.

Electronic Brake Control Module Replacement w/o JL4

Removal Procedure

Important: After installation, calibrate the new electronic brake control module (EBCM) to the tire size that is appropriate to the vehicle.

  1. Disconnect the negative battery cable. Refer to Battery Negative Cable Disconnection and Connection .
  2. Raise and suitably support the vehicle. Refer to Lifting and Jacking the Vehicle .

  3. Object Number: 924296  Size: SH

    Important: The area around the electric hydraulic control unit (EHCU) MUST be free from loose dirt to prevent contamination of disassembled ABS components.

  4. Thoroughly wash all contaminants from around the EHCU.

  5. Object Number: 1209085  Size: SH
  6. For cutaway vehicles, remove the splash shield.
  7. Disconnect the electrical connectors from the EBCM.

  8. Object Number: 379484  Size: SH
  9. Remove the mounting screws that fasten the EBCM (2) to the brake pressure modulator valve (BPMV) (1).
  10. Remove the EBCM (2) from the BPMV (1). Removal may require a light amount of force.
  11. Clean the BPMV to EBCM mounting surfaces with a clean cloth.

Installation Procedure


    Object Number: 379484  Size: SH

    Important: Do not use RTV or any other type of sealant on the EBCM gasket or mating surfaces.

  1. Install the EBCM (2) on to the BPMV (1).
  2. Notice: Refer to Fastener Notice in the Preface section.

  3. Install the screws to the EBCM (2).
  4. Tighten
    Tighten the screws to 5 N·m (44 lb in) in an X-pattern.


    Object Number: 924296  Size: SH
  5. Connect the electrical connectors to the EBCM.

  6. Object Number: 1209085  Size: SH
  7. For cutaway vehicles, install the splash shield.
  8. Tighten
    Tighten the splash shield bolts to 25 N·m (18 lb ft).

  9. Lower the vehicle.
  10. Connect the negative battery cable. Refer to Battery Negative Cable Disconnection and Connection .
  11. Revise the tire calibration using the Tire Size Calibration function.
  12. Verify correct system operation. Refer to Diagnostic Starting Point - Antilock Brake System .
  13. Refer to Control Module References for programming and setup information.