GM Service Manual Online
For 1990-2009 cars only
Makes
🢒
Chevrolet
🢒
2005
🢒
Express
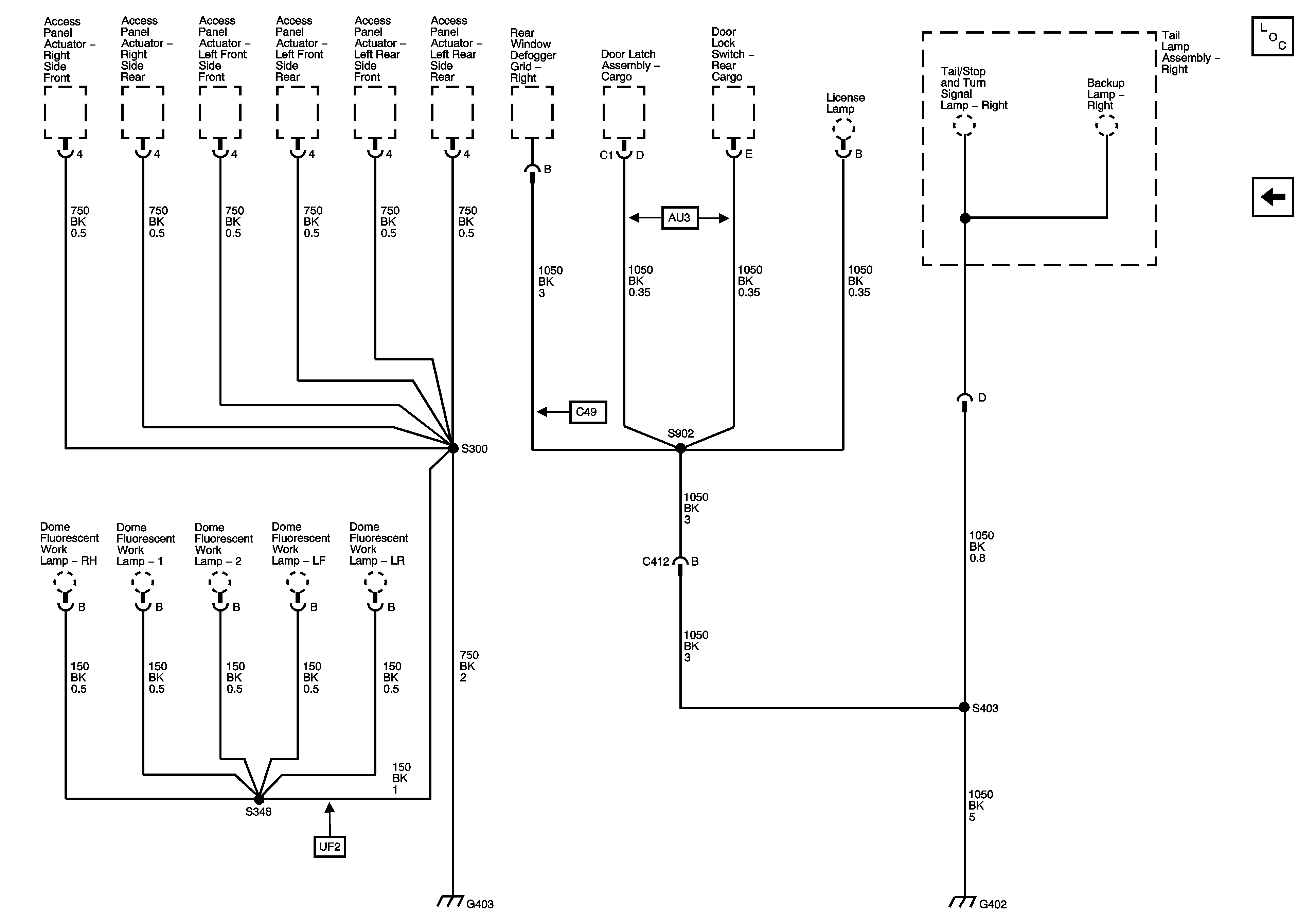
🢒 G402 - Passenger/Cargo and G403 - PRP
G402 - Passenger/Cargo and G403 - PRP
G402 - Passenger/Cargo and G403 - PRP
Master Electrical Component List
G401 - Passenger/Cargo