GM Service Manual Online
For 1990-2009 cars only
Makes
🢒
Chevrolet
🢒
2005
🢒
Express
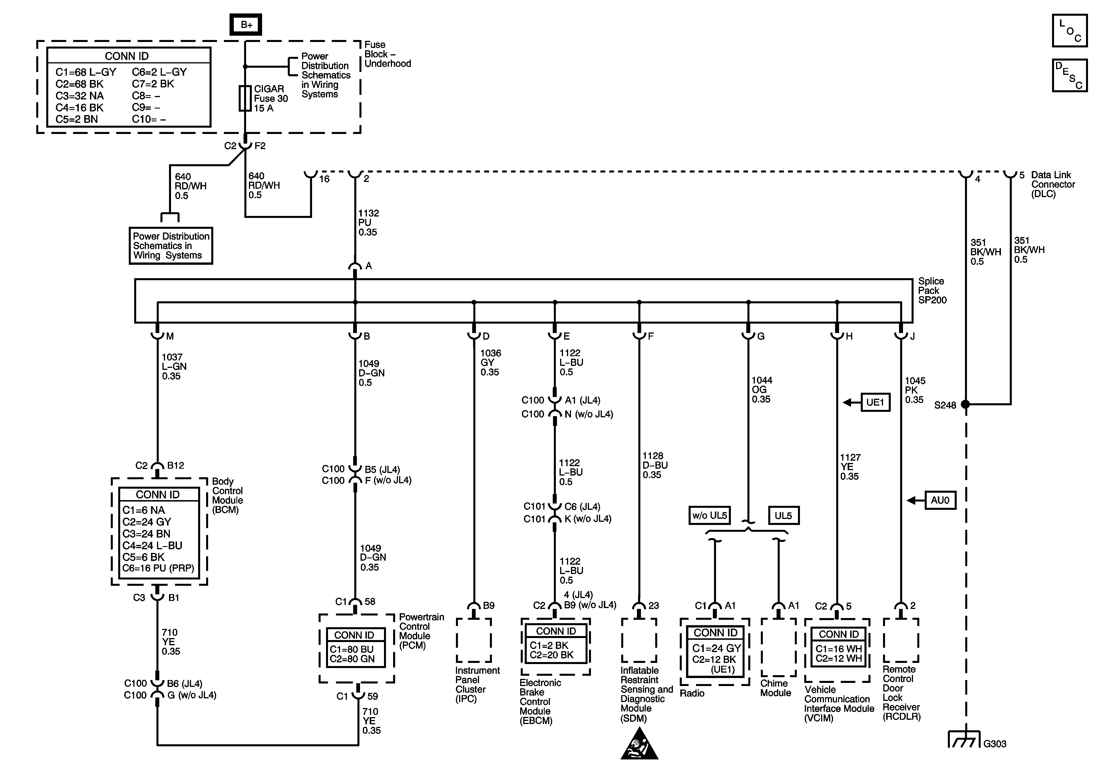
🢒 Data Link Connector (DLC)
Data Link Connector (DLC)
Master Electrical Component List
Data Link Communications Description and Operation
PCM BAT, ABS, TRLR, BLOW, STOP LP, IPC AUX PWR and CIGAR Fuses
SIR Caution for Zoning
G303 and G304