GM Service Manual Online
For 1990-2009 cars only
Makes
🢒
Chevrolet
🢒
2005
🢒
Express
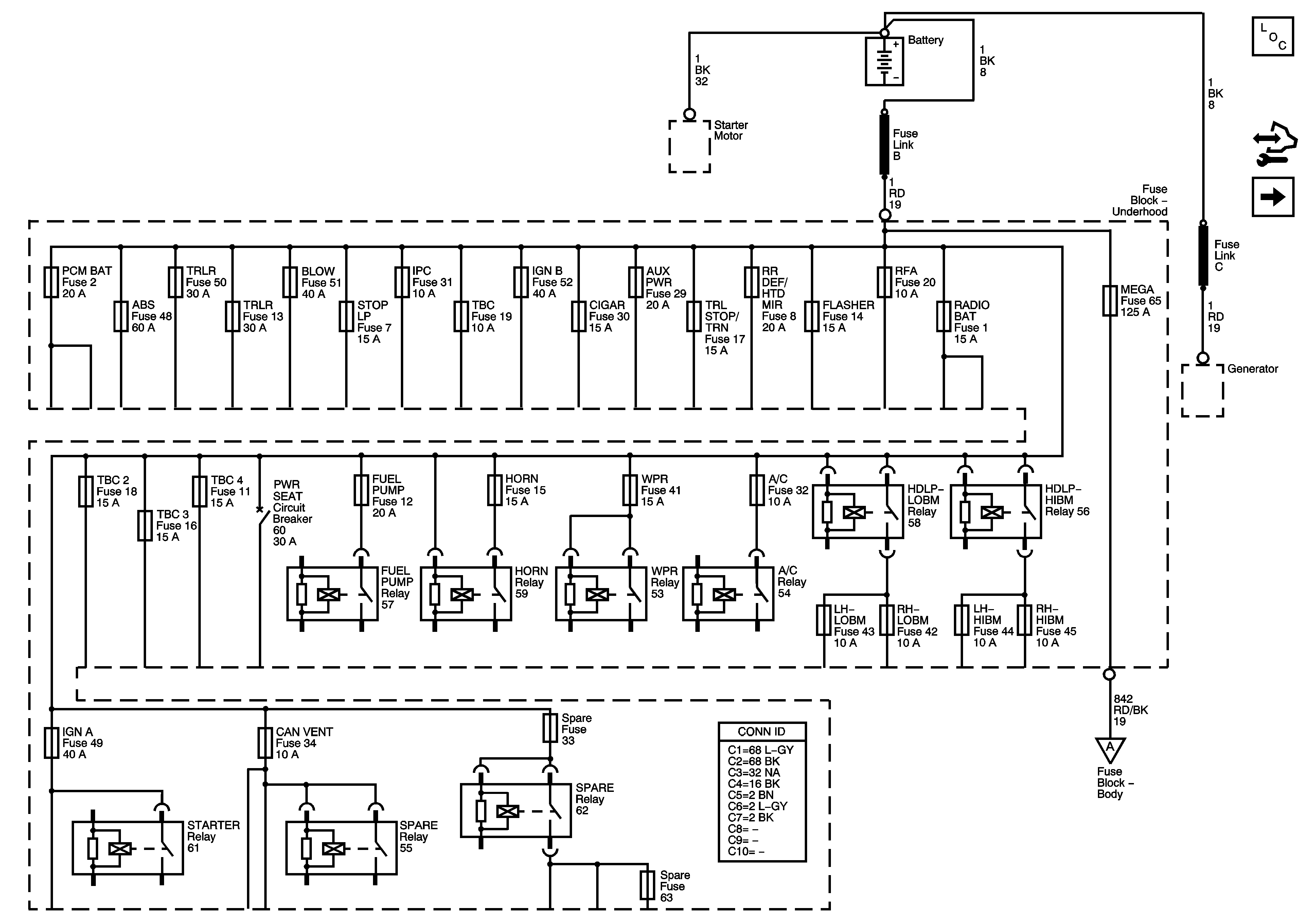
🢒 B+ Bus - Underhood Fuse Block
B+ Bus - Underhood Fuse Block
B+ Bus - Underhood Fuse Block
Master Electrical Component List
Control Module References
B+ Bus - Body Fuse Block
B+ Bus - Body Fuse Block