GM Service Manual Online
For 1990-2009 cars only
Makes
🢒
Chevrolet
🢒
2005
🢒
Express
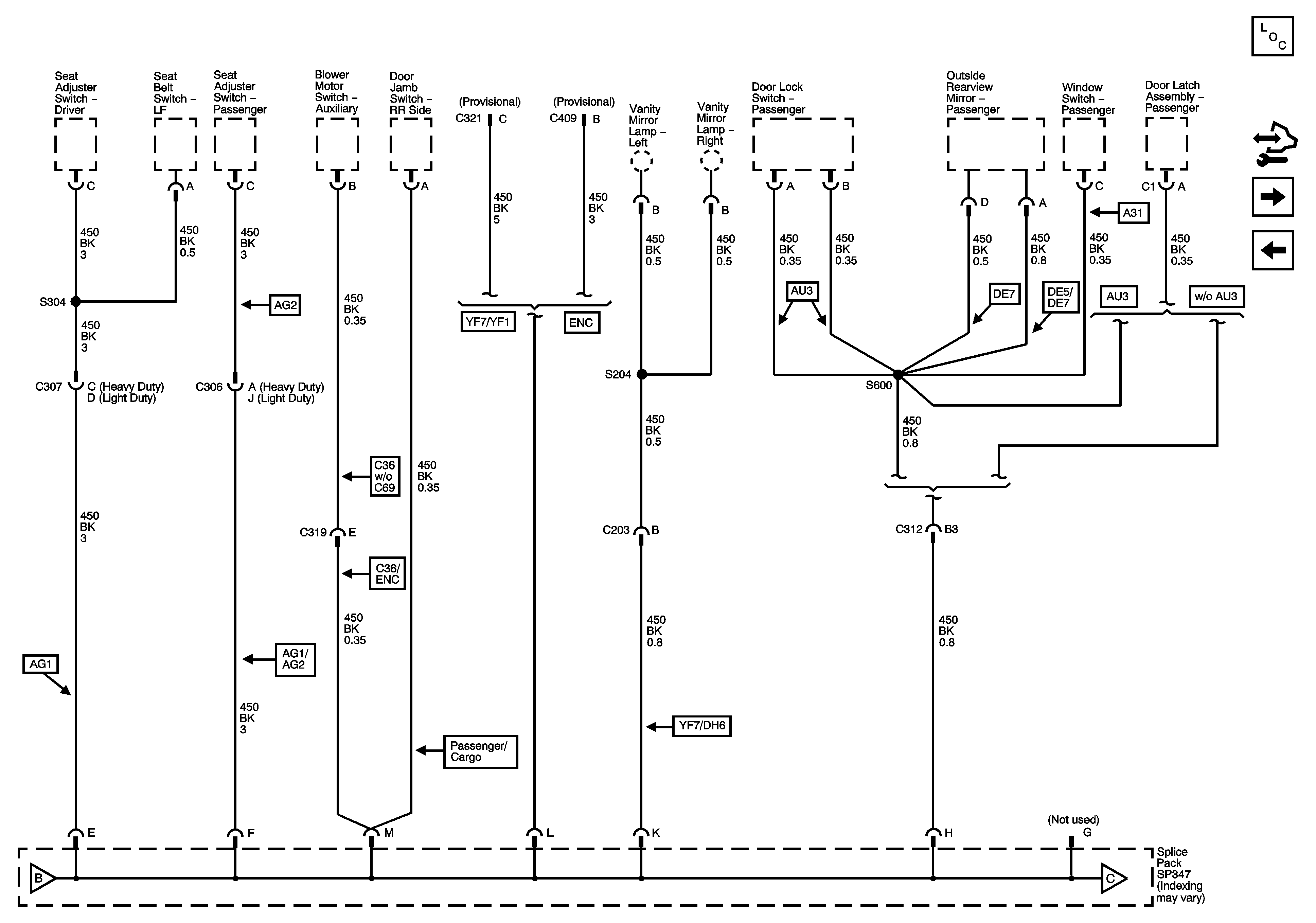
🢒 G347 - 2 of 3
G347 - 2 of 3
G347 - 2 of 3
Master Electrical Component List
Control Module References
G347 - 3 of 3
G347 - 1 of 3
G347 - 1 of 3
G347 - 3 of 3