GM Service Manual Online
For 1990-2009 cars only
Makes
🢒
Chevrolet
🢒
2005
🢒
Express
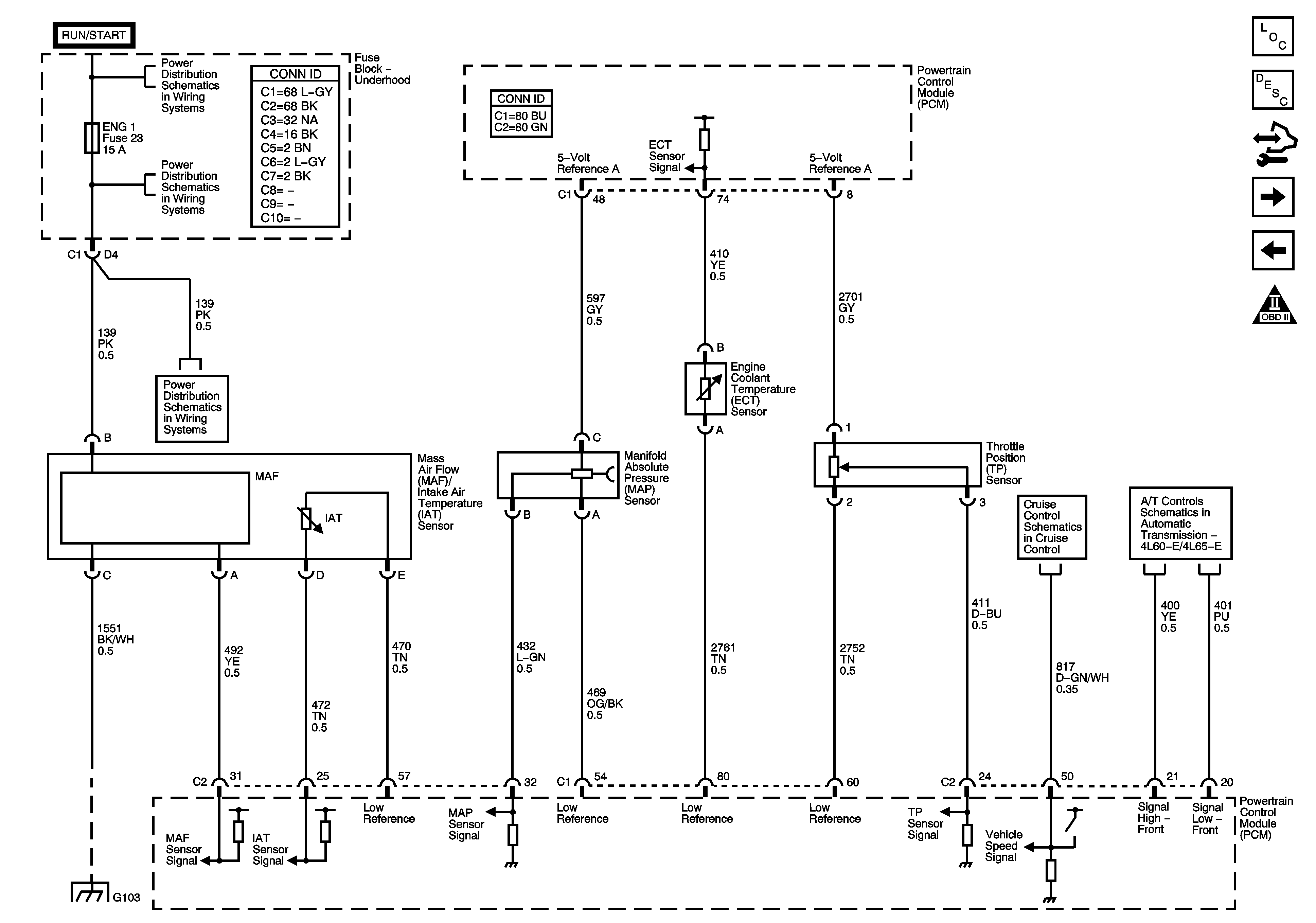
🢒 Engine Data Sensors - Pressure, Temperature and Position
Engine Data Sensors - Pressure, Temperature and Position
Engine Data Sensors - Pressure, Temperature and Position
Master Electrical Component List
Powertrain Control Module Description
Control Module References
Engine Data Sensors - Oxygen Sensors
Engine Data Sensors - 5 Volt and Low Reference
OBD II Symbol Description Notice
Ignition Switch - ACCY/RUN, RUN/START Bus Bars and IGN B Fuse
ENG 1 and ENG 2 Fuses - 4.3L
ENG 1 and ENG 2 Fuses - 4.3L
w/o JL4
Pressure Controls, Temperature and VSS
G103, G104, G105, G106, G300 and G301