GM Service Manual Online
For 1990-2009 cars only
Makes
🢒
Chevrolet
🢒
2005
🢒
Express
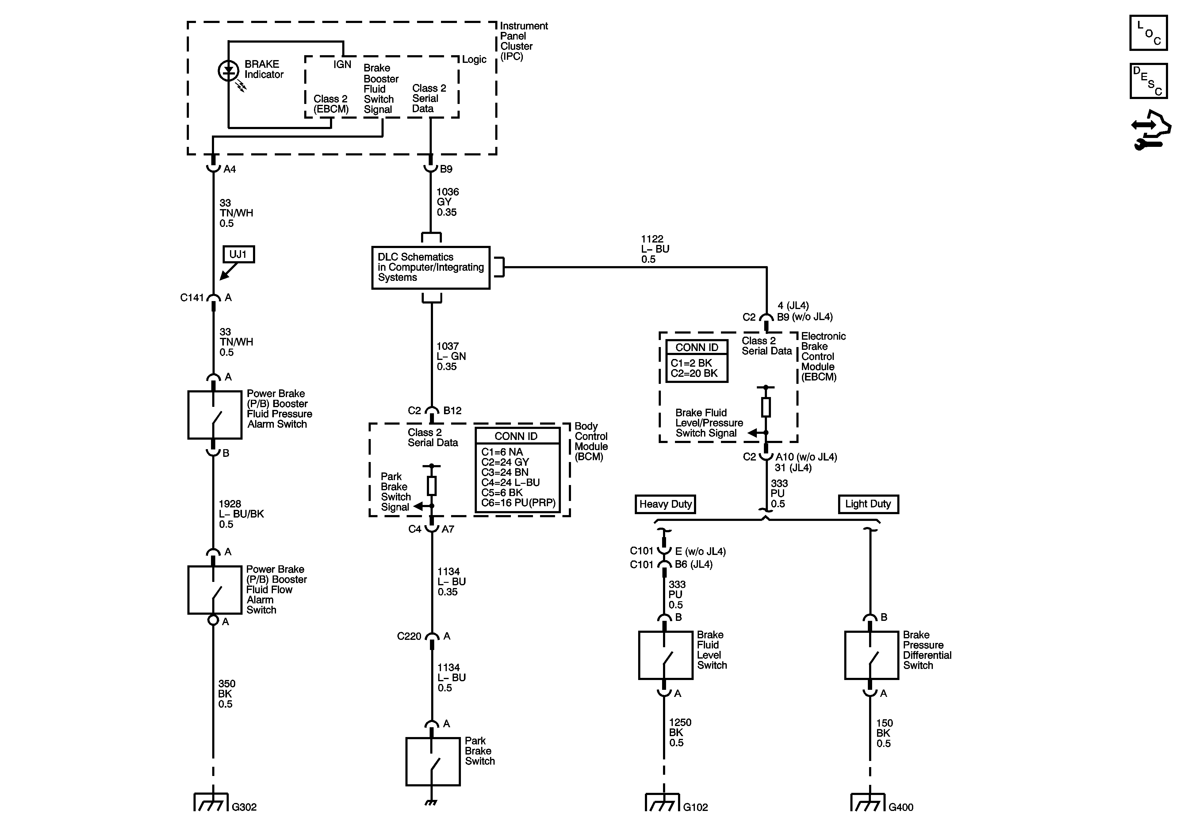
🢒 Brake Warning System Schematics
Brake Warning System Schematics
Master Electrical Component List
Brake Warning System Description and Operation
Control Module References
Data Link Connector (DLC) Schematics
G302
G102
G400