GM Service Manual Online
For 1990-2009 cars only
Makes
🢒
Chevrolet
🢒
2005
🢒
Express
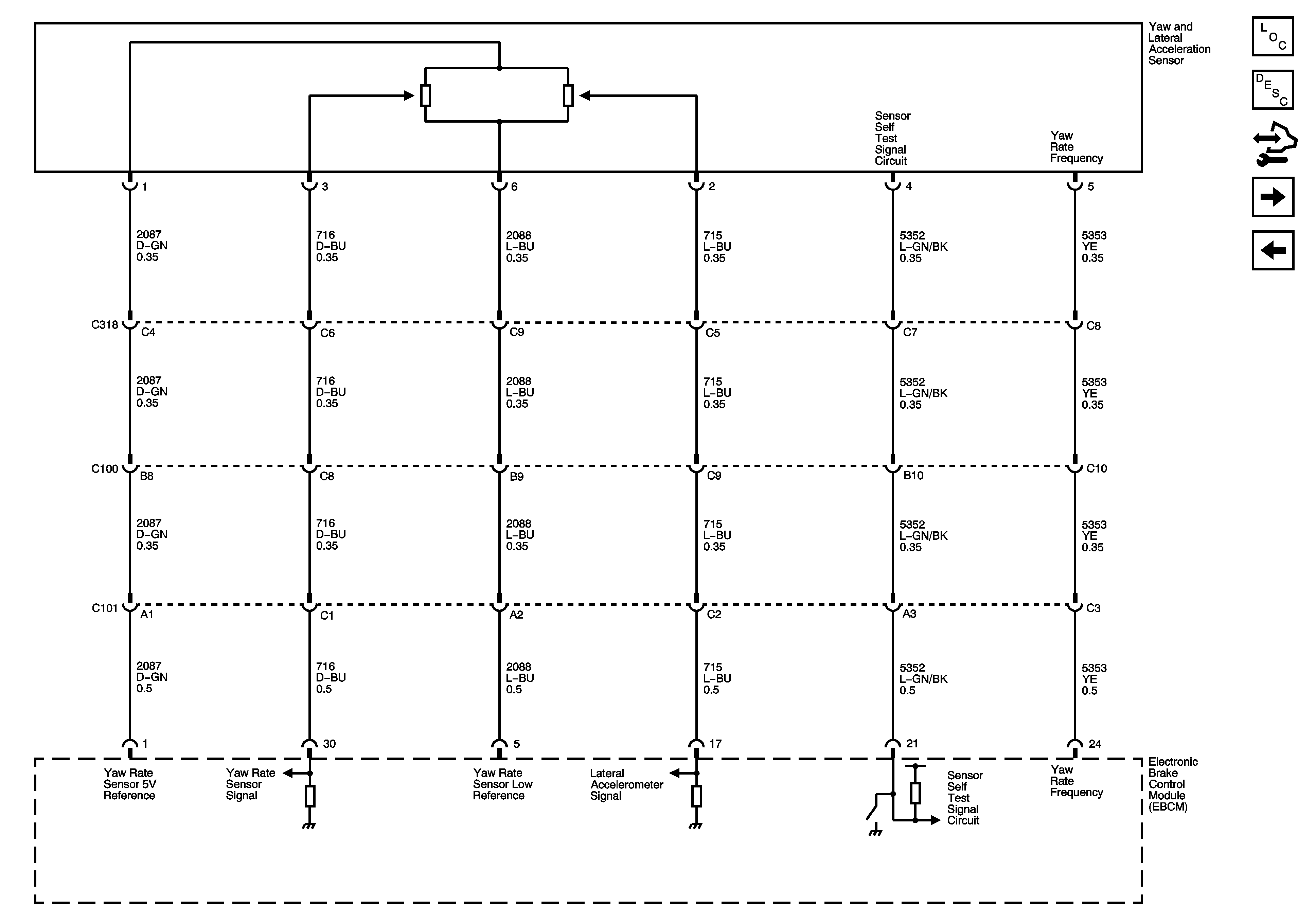
🢒 Yaw and Lateral Acceleration Sensor Inputs - JL4
Yaw and Lateral Acceleration Sensor Inputs - JL4
Yaw and Lateral Acceleration Sensor Inputs (JL4)
Master Electrical Component List
ABS Description and Operation W/JL4
Control Module References
Steering Wheel/ Speed Position Inputs, Traction Control Switch and Precharge Pump - JL4
Wheel Speed Sensors - JL4