GM Service Manual Online
For 1990-2009 cars only
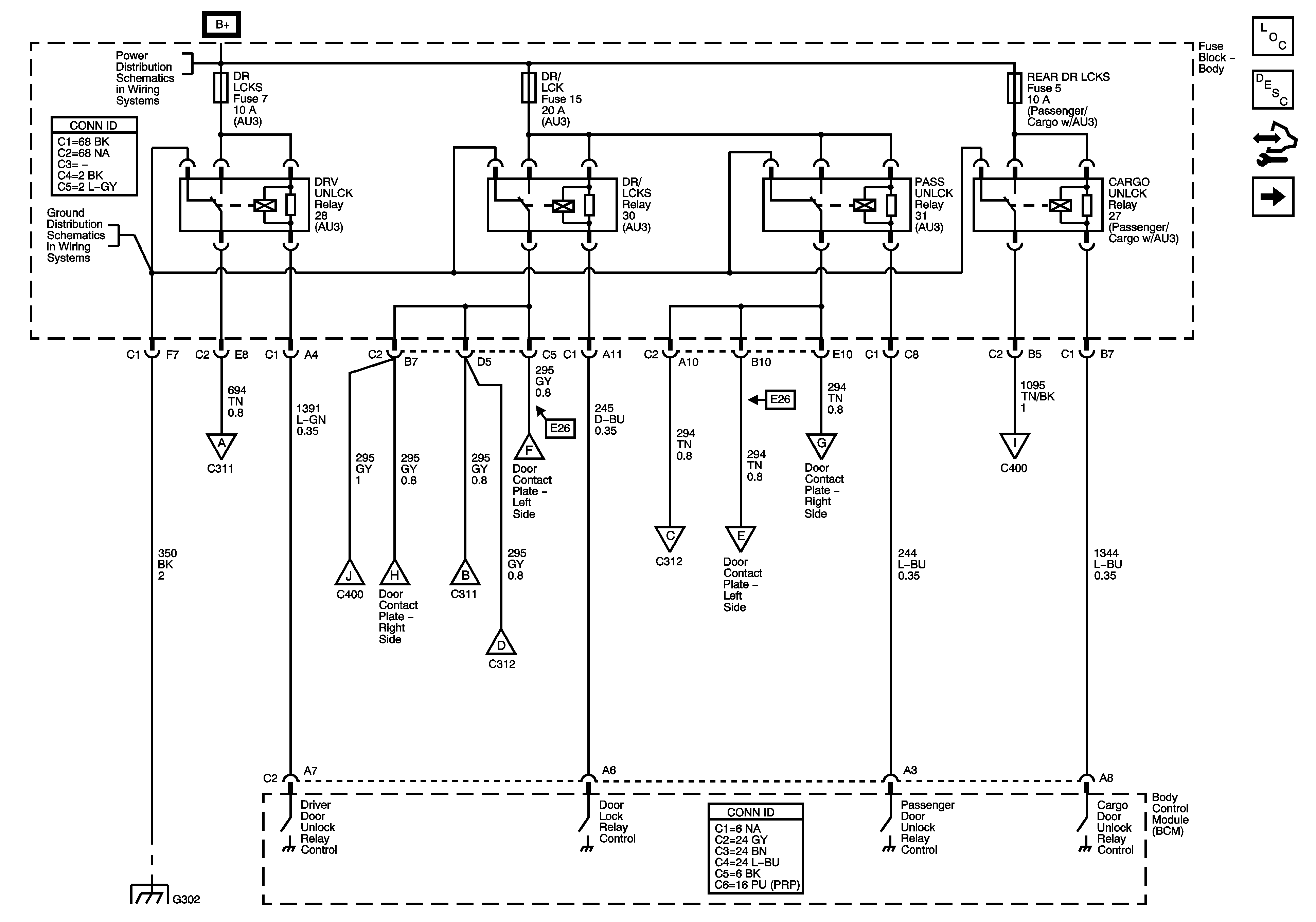
Figure 1:

Lock and Unlock Control


Object Number: 1580816  Size: FS
Master Electrical Component List
Power Door Locks Description and Operation
Control Module References
Door Latches and Actuators
B+ Bus - Body Fuse Block
G302
Door Latches and Actuators
Door Latches and Actuators
Door Latches and Actuators
Door Latches and Actuators
Door Latches and Actuators
Door Latches and Actuators
Door Latches and Actuators
Door Latches and Actuators
Door Latches and Actuators
Door Latches and Actuators
G302
Figure 2:

Door Latches and Actuators


Object Number: 1580817  Size: FS
Master Electrical Component List
Power Door Locks Description and Operation
Control Module References
Switches
Lock and Unlock Control
Lock and Unlock Control
Lock and Unlock Control
Lock and Unlock Control
Lock and Unlock Control
Lock and Unlock Control
Lock and Unlock Control
Lock and Unlock Control
Lock and Unlock Control
Lock and Unlock Control
Lock and Unlock Control
Figure 3:

Switches


Object Number: 1580819  Size: FS
Master Electrical Component List
Power Door Locks Description and Operation
Control Module References
Door Latches and Actuators
G347 - 1 of 3
G347 - 1 of 3
G347 - 2 of 3