GM Service Manual Online
For 1990-2009 cars only
Makes
🢒
Chevrolet
🢒
2006
🢒
Express
🢒
Body
🢒
Seats
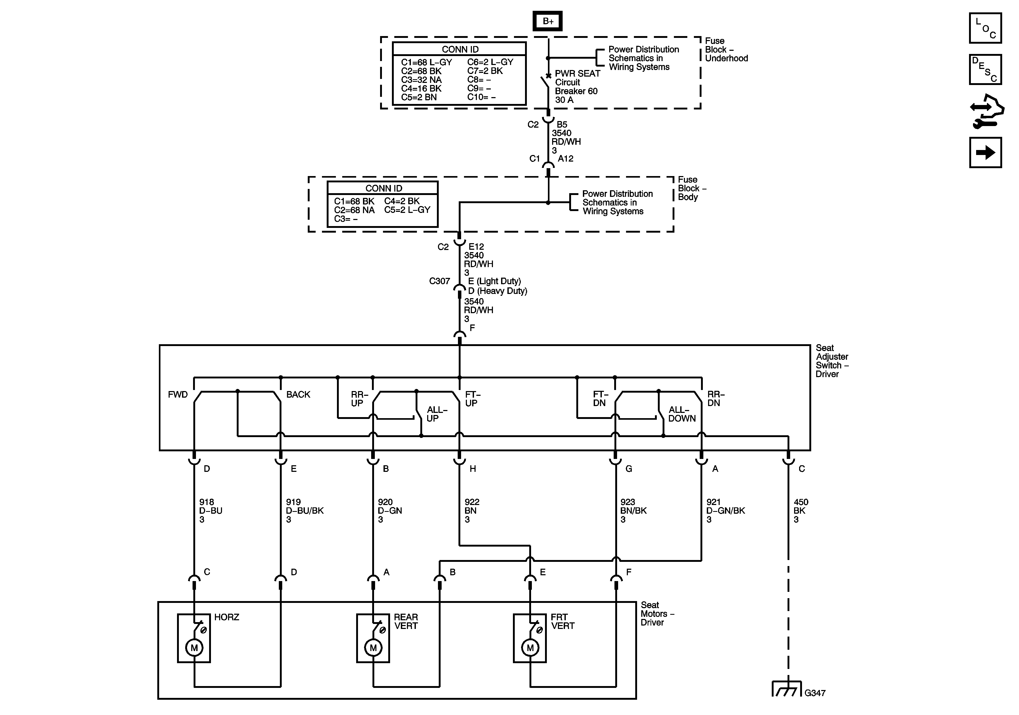
🢒 Driver Seat Schematics
Master Electrical Component List
Power Seats System Description and Operation
Control Module References
Passenger Seat Schematics
B+ Bus - Underhood Fuse Block - Gas
HAZRD, RDO BATT, RFA, REAR DEF/HTD MIR, TBC, TBC 2, TBC 3, TBC 4, TRLR STOP/TRN Fuses and PWR SEAT Circuit Breaker
G347 - 2 of 3