GM Service Manual Online
For 1990-2009 cars only
Figure 1:

G100 and G101


Object Number: 1557695  Size: FS
Master Electrical Component List
Control Module References
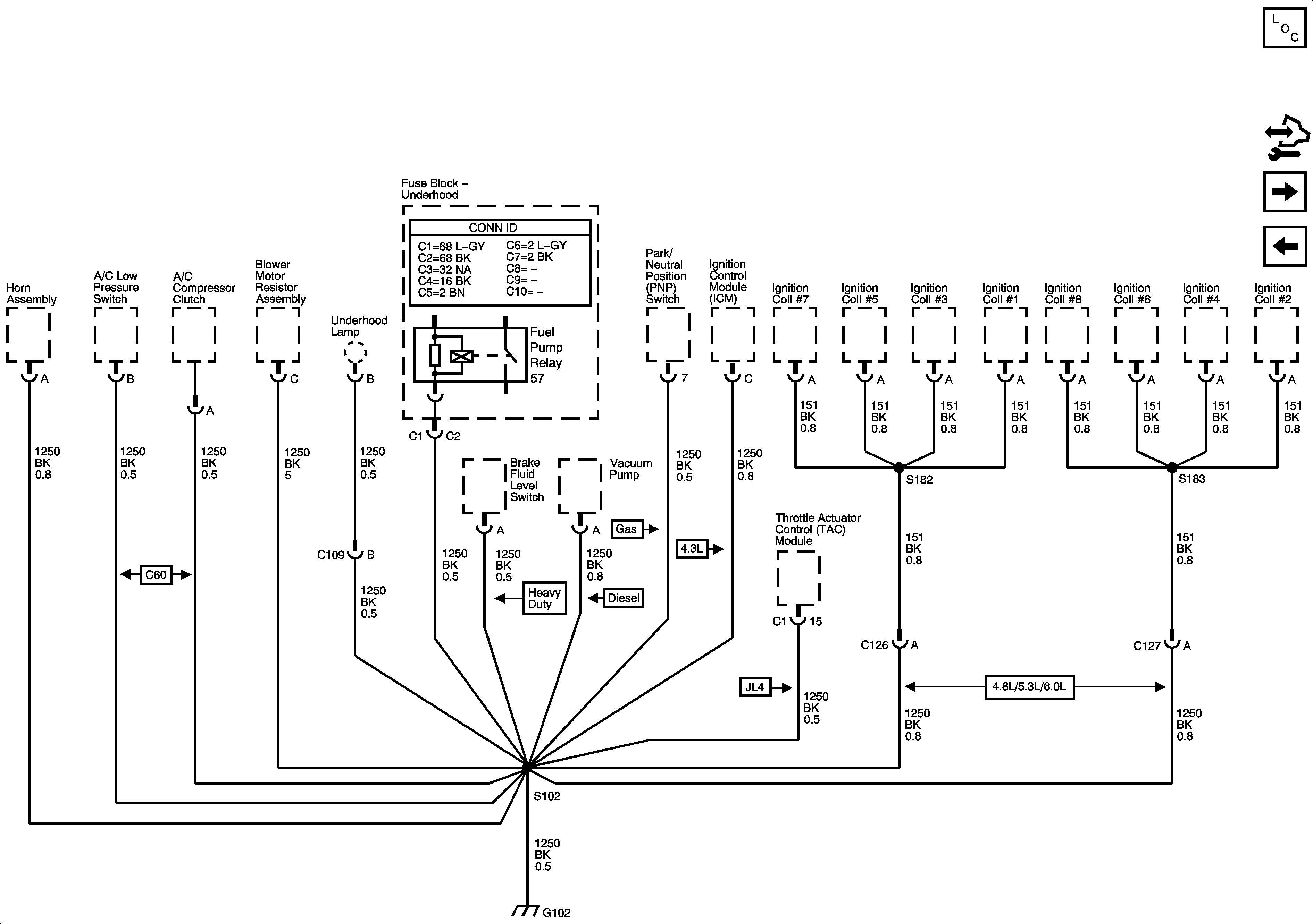
G102
Figure 2:

G102


Object Number: 1557697  Size: FS
Master Electrical Component List
Control Module References
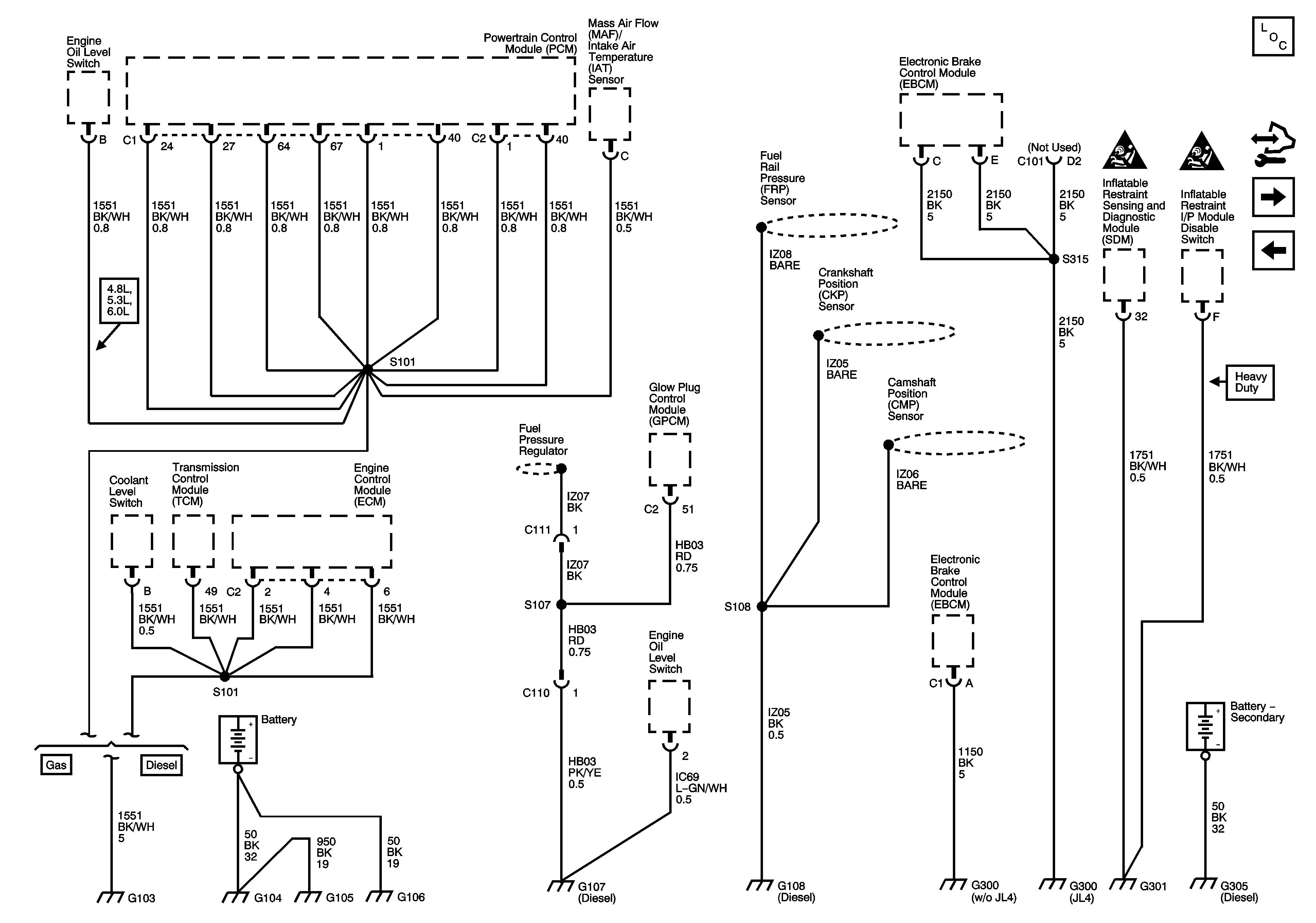
G103, G104, G105, G106, G107, G108, G300, G301, and G305
G100 and G101
Figure 3:

G103, G104, G105, G106, G107, G108, G300, G301, and G305


Object Number: 1557698  Size: FS
Master Electrical Component List
Control Module References
G302
G102
SIR Caution for Zoning
SIR Caution for Zoning
Figure 4:

G302


Object Number: 1557700  Size: FS
Master Electrical Component List
Control Module References
G303
G103, G104, G105, G106, G107, G108, G300, G301, and G305
Figure 5:

G303


Object Number: 1557701  Size: FS
Master Electrical Component List
Control Module References
G304
G302
Figure 6:

G304


Object Number: 1557705  Size: FS
Master Electrical Component List
Control Module References
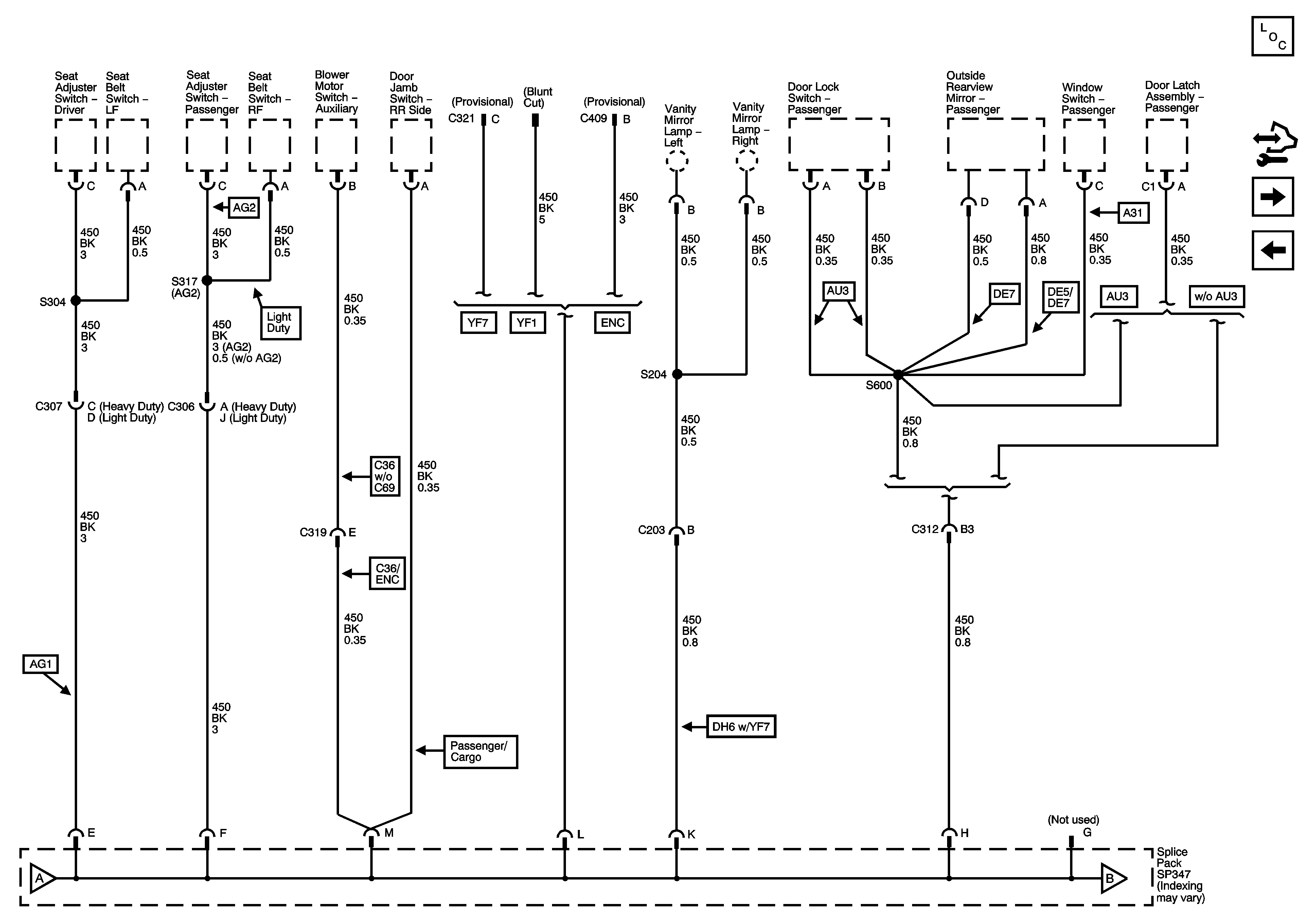
G347 - 1 of 3
G303
Figure 7:

G347 - 1 of 3


Object Number: 1557706  Size: FS
Master Electrical Component List
Control Module References
G347 - 2 of 3
G304
G347 - 2 of 3
Figure 8:

G347 - 2 of 3


Object Number: 1557709  Size: FS
Master Electrical Component List
Control Module References
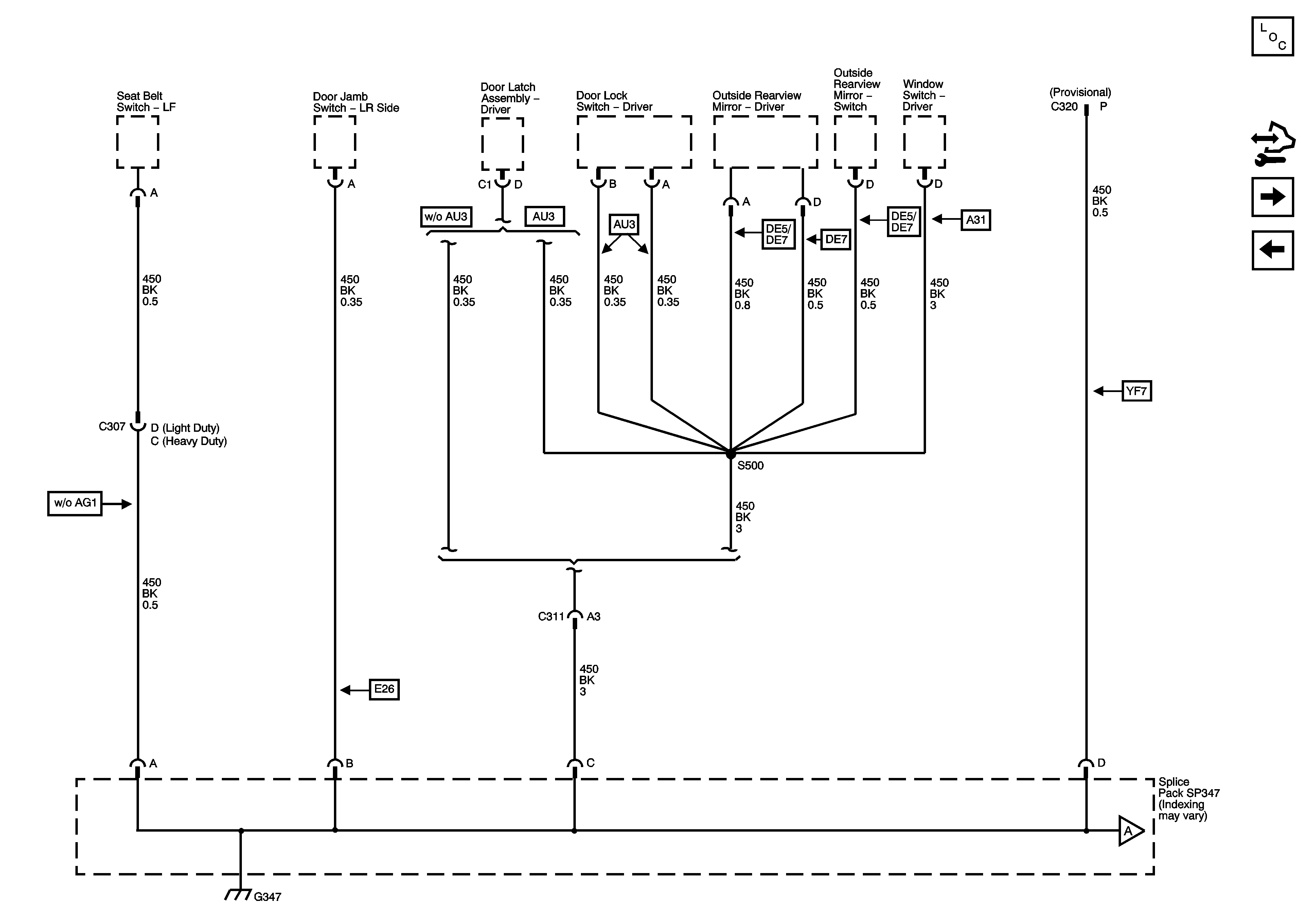
G347 - 3 of 3
G347 - 1 of 3
G347 - 1 of 3
G347 - 3 of 3
Figure 9:

G347 - 3 of 3


Object Number: 1557711  Size: FS
Master Electrical Component List
Control Module References
G400
G347 - 2 of 3
G347 - 2 of 3
Figure 10:

G400


Object Number: 1557714  Size: FS
Master Electrical Component List
Control Module References
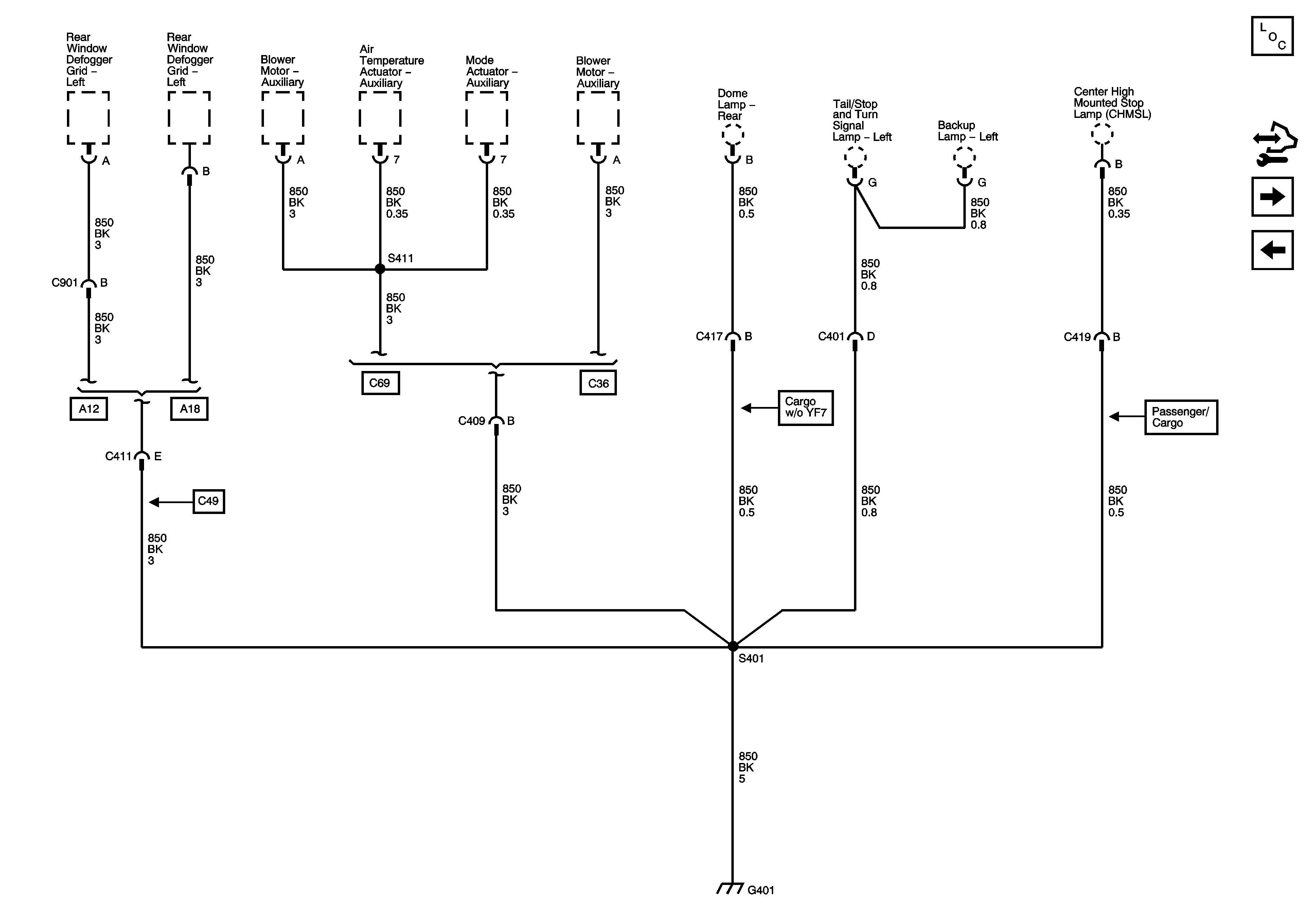
G401 - Passenger/Cargo
G347 - 3 of 3
Figure 11:

G401 - Passenger/Cargo


Object Number: 1557716  Size: FS
Master Electrical Component List
Control Module References
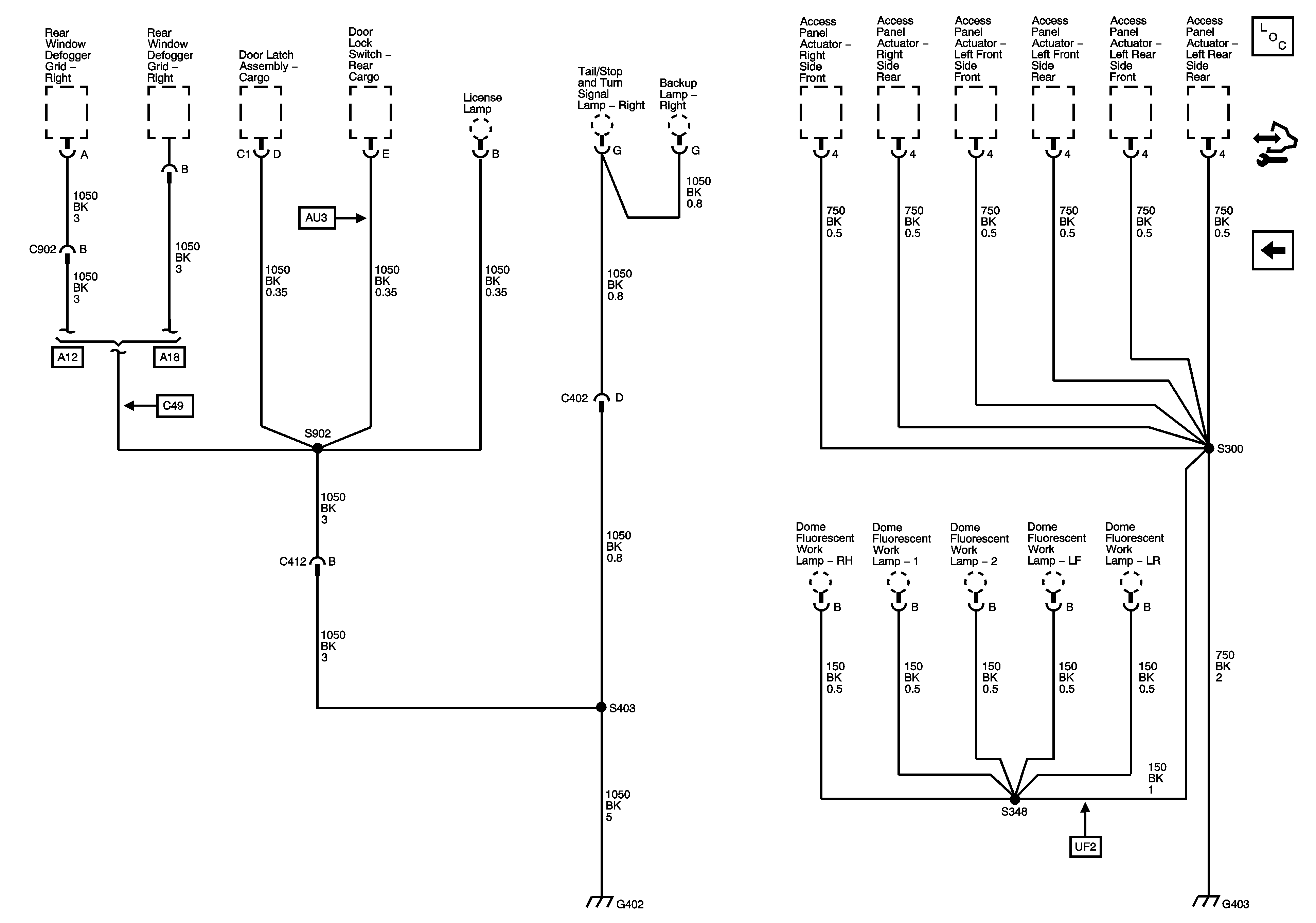
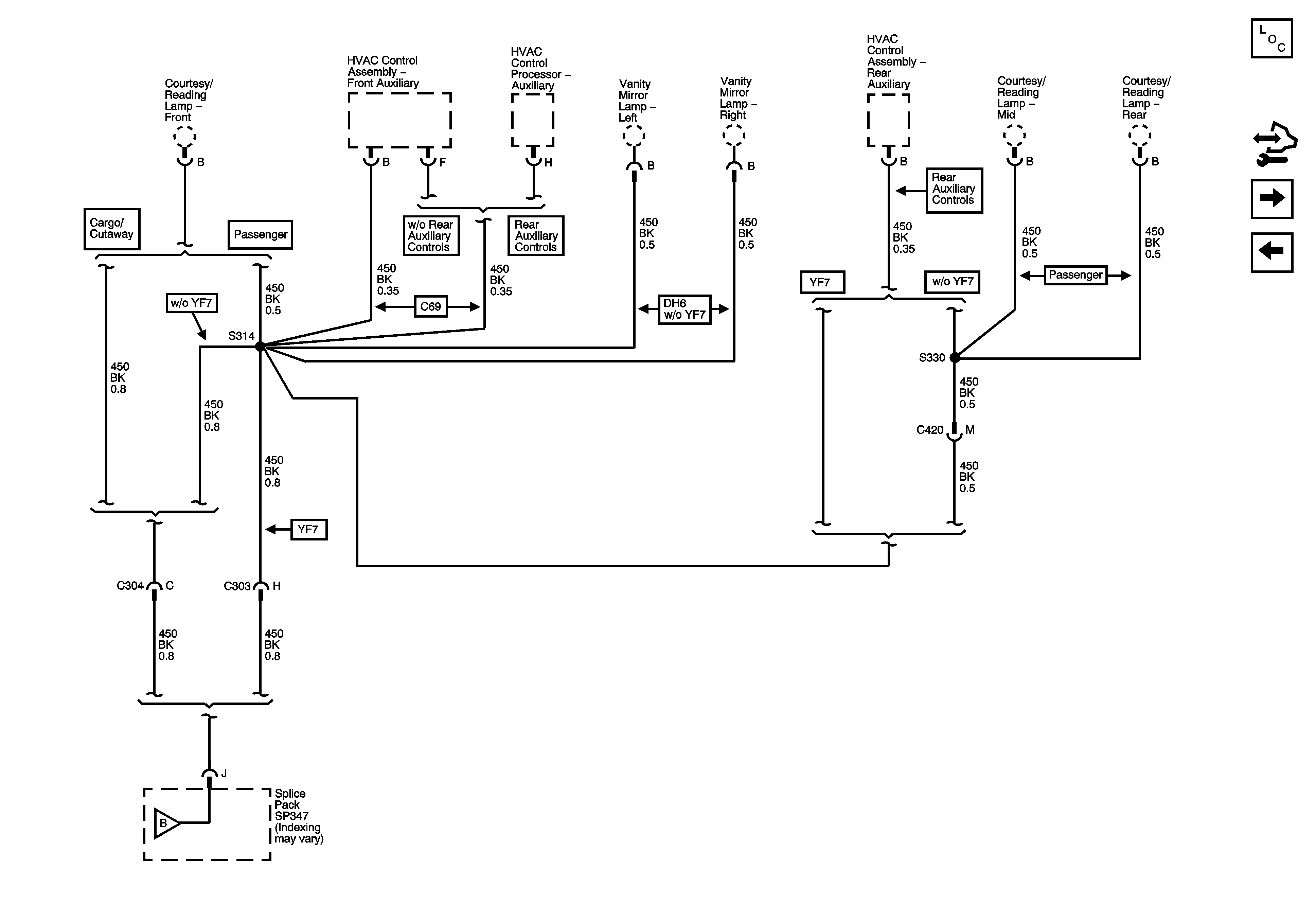
G402 - Passenger/Cargo and G403 - PRP
G400
Figure 12:

G402 - Passenger/Cargo and G403 - PRP


Object Number: 1557718  Size: FS
Master Electrical Component List
Control Module References
G401 - Passenger/Cargo