GM Service Manual Online
For 1990-2009 cars only
Makes
🢒
Chevrolet
🢒
2006
🢒
Express
🢒
Accessories
🢒
Power Outlets
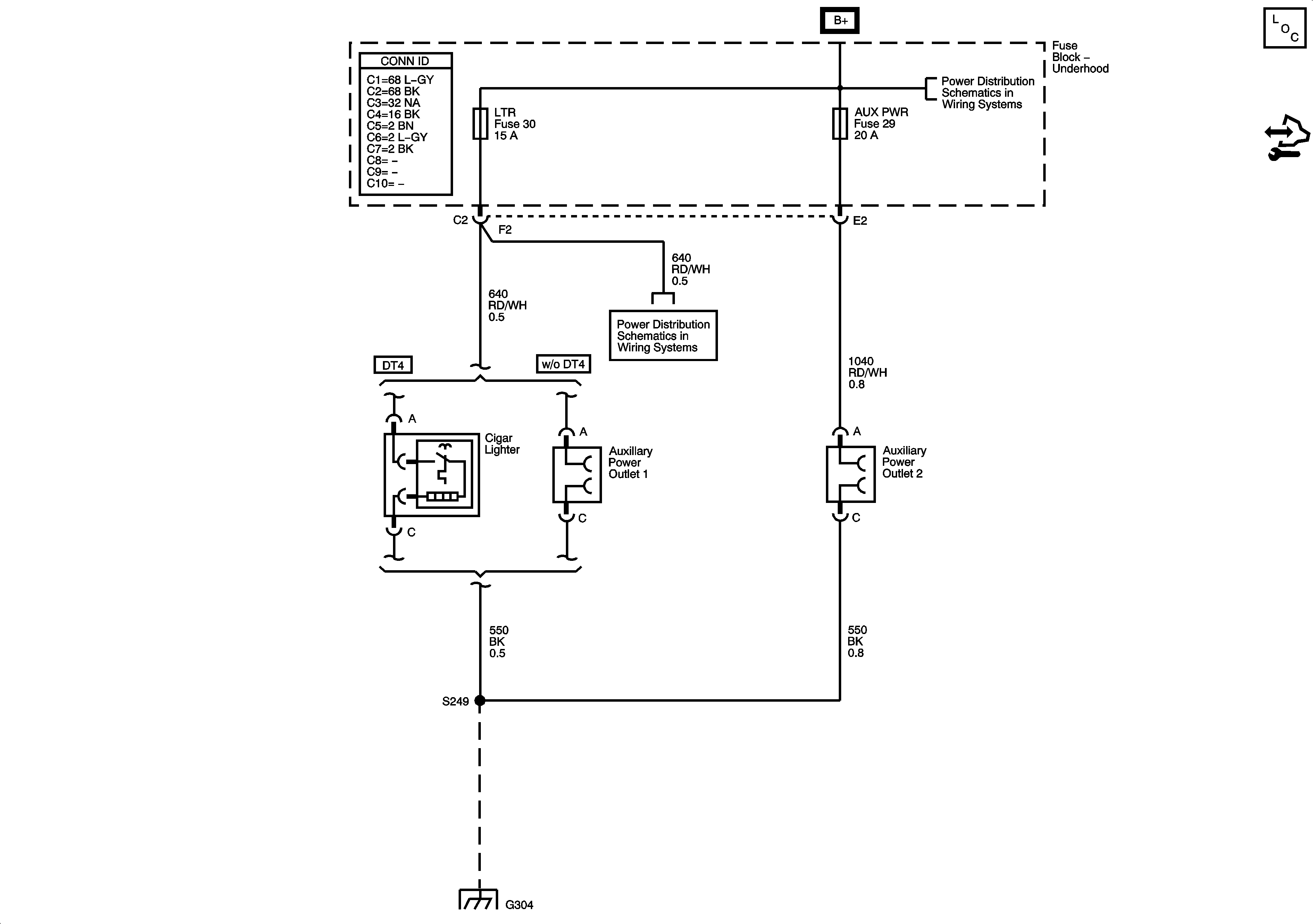
🢒 Cigar Lighter/Power Outlet Schematics
Master Electrical Component List
Control Module References
B+ Bus - Underhood Fuse Block - Gas
AUX PWR, BLWR, CNSTR VENT SOL, IPC, LTR, REAR FOG LMPS, and STOP LAMP Fuses
G304