GM Service Manual Online
For 1990-2009 cars only
Makes
🢒
Chevrolet
🢒
2006
🢒
Express
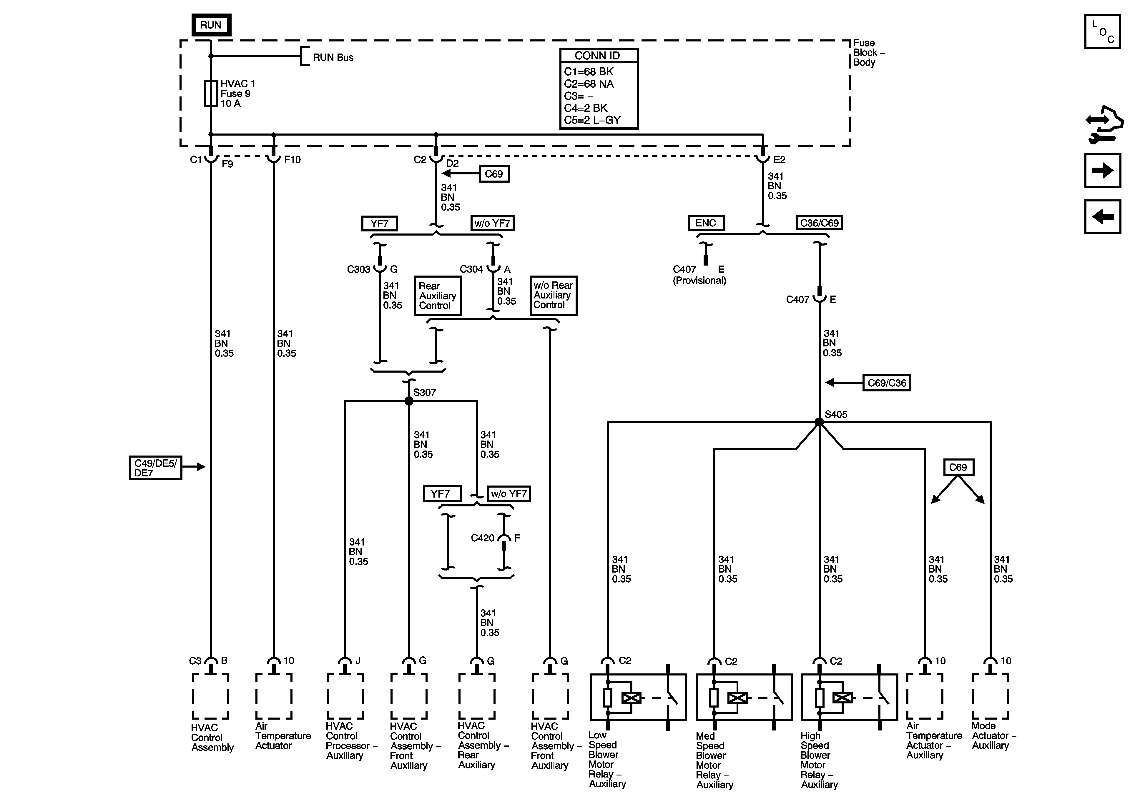
🢒 HVAC 1 Fuse
HVAC 1 Fuse
HVAC 1 Fuse
Master Electrical Component List
Control Module References
ECM, ECM ACT, LT - HI BEAM, LF - LO BEAM, RT - HI BEAM, RT - LO BEAM and SPARE Fuses
BRK, CRNK, FRT WPR, HVAC, IGN 1, TBC ACCY and TBC/TCM ACCY Fuses
Ignition Switch - ACCY/RUN/START, RUN, START Bus Bars and IGN A Fuse